Électronique Fondamentale
| Introduction Ce document n’est pas une présentation détaillée du sujet d’électronique. Au lieu de cela il est eu l’intention vous donner la connaissance (empirique) suffisante du sujet pour être en mesure de comprendre, concevoir et construire des circuits simples comme les circuits de contrôle utilisés avec la ‘Énergie Libre’ les artifices décrits dans les parties dernières de ce document.Désaveu Cette matière est fournie aux buts d’information seulement. Si vous décidez d’essayer la construction d’un artifice basé sur les informations présentées ici et vous blesser ou autre personne, je ne suis pas responsable de toute façon. Le clarifier; si vous construisez quelque chose dans une lourde boîte et le laissez tomber sur votre orteil, je ne suis pas responsable pour aucune blessure que vous pouvez soutenir (vous devriez apprendre à être plus prudents). Si vous essayez de construire un circuit électronique et vous brûler avec le fer de soudure, je ne suis pas responsable. Aussi, je recommande fortement qu’à moins que vous ne soyez spécialisés dans l’électronique, vous ne construisez pas d’utilisation d’artifice, ou production de plus de 12 volts – de hauts circuits de voltage sont extrêmement dangereux et devraient être évités jusqu’à ce que vous acquériez de l’expérience ou pouvez obtenir l’aide et la supervision d’une personne connue dans le fait de construire de hauts circuits de voltage. Voltage On l’appelle aussi “la Force de Motif d’Electro” ou “EMF” qui n’est aucune aide du tout dans la connaissance quel il est. Cela, est grossièrement équivalent au dicton “la chose qui les poussées est la chose qui pousse” – très vrai, mais absolument aucune aide du tout. Bien, ayant reconnu que nous ne savons pas vraiment quel il est, nous pouvons commencer à dire les choses nous en sommes vraiment au courant : Une nouvelle batterie a un voltage entre ses terminus. On dit que ce voltage fasse un courant couler par n’importe quel circuit électrique complet placé à travers cela. Le courant coulant par le circuit peut provoquer des choses différentes à arriver comme la création de la lumière, la création du son, la création de la chaleur, la création du magnétisme, la création du mouvement, la création des étincelles, etc., etc. En utilisant le courant provoqué par un voltage, un artifice s’est appelé ‘un Voltmètre’ peut indiquer comment grand le voltage est. Plus grand le voltage, plus grand le courant et le plus grand l’étalage sur le voltmètre. Le voltmètre peut avoir un étalage numérique où vous lisez le voltage directement de l’étalage, ou cela peut être un voltmètre ‘analogique’ où le voltage est montré par la position d’une aiguille sur une échelle. La grandeur du voltage est exposée dans ‘les Volts’ qui est une unité de mesure appelée comme l’homme Volta qui a présenté le voltage au monde (c’était toujours là, nous n’en avons pas juste été au courant). Les voltages s’accordent s’ils sont raccordés la même voie autour, c’est-à-dire avec les terminus tout le revêtement à la même voie :
![]() Il y a plusieurs différents types de construction de batterie. Une batterie NiCad rechargeable a une cellule simple mais sa méthode de construction signifie qu’il produit environ 1.35 volts quand complètement chargé. En passant, NiCad batteries ont une caractéristique ‘de mémoire’ qui signifie que s’ils sont rechargés avant qu’ils sont complètement renvoyés, alors la prochaine fois ils sont renvoyés ils manquent du pouvoir au niveau de voltage qu’il avait quand le dernier fait de charger a été commencé. Par conséquent, c’est une bonne idée de complètement renvoyer une batterie NiCad avant le fait de le charger de nouveau. La voiture et la motocyclette batteries sont décrits comme Plomb-Acide batteries. Ce type de construction n’est pas très convenable être grand, lourd et potentiellement corrosif. Les grands avantages sont la capacité de fournir de très hauts courants et une offre de 2.0 volts par cellule. Ces batteries sont normalement produits comme les unités de 6 volts ou de 12 volts. Les Heures d’ampère pour la première/acide voiture batteries sont d’habitude citées pendant une période de renvoi de 20 heure, donc complètement chargé, nouveau, 20 batterie AHr peut fournir 1 Ampère depuis 20 heures d’utilisation continue. Cette batterie chargée pour donner 5 Ampères, ne fournira pas ce courant depuis 4 heures, mais pourrait seulement durer 2 heures, ou peut-être un peu mieux. La littérature de fabricants devrait donner une indication de la performance, mais si c’est important, dirigez votre propre épreuve pour voir comment la batterie travaille vraiment en pratique. “Les unités de conduite principale” sont connues dans le monde d’électronique comme “les Unités d’Alimentation électrique” ou “PSUs” pour court. Ceux-ci convertissent le voltage de conduite principale (220 Volts au Royaume-Uni, 110 Volts aux Etats-Unis) à un voltage bas convenable; 12 Volts, 9 Volts, 6 Volts, ou ce qui est nécessaire. Une unité de conduite principale peut fournir plusieurs différents voltages simultanément. Résistance Il y a un groupe très important, troisième de matériel, silicium et germanium particulièrement qui tombent entre les conducteurs et les isolants. Pas étonnamment, on appelle ceux-ci ‘les semi-conducteurs’ et la quantité de courant qu’ils peuvent porter dépend des conditions électriques dans lesquelles ils sont placés. Beaucoup, beaucoup plus de cela plus tard sur. Pendant qu’un fil en métal porte le courant très bien, ce n’est pas parfait à l’emploi et a ainsi un peu ‘de résistance’ au courant coulant par cela. Plus épais le fil, plus bas la résistance. Plus brusquement le fil, plus bas la résistance. Les premiers chercheurs ont utilisé cette caractéristique pour contrôler la voie les circuits faits marcher. Quelquefois, comme de plus hautes résistances ont été nécessaires, le chercheur a eu l’habitude d’avoir besoin de longues longueurs de fil qui s’emmêlerait. Pour contrôler le fil, un conseil avec les ongles le long de chaque côté a été utilisé et la blessure métallique à reculons et en avant à travers le conseil comme cela :
![]() En tirant un diagramme de circuit, le chercheur esquisserait le fil sur le conseil donnant une ligne à zigzags qui est toujours utilisée aujourd’hui pour représenter ‘une résistance’ bien que de différentes méthodes pour la construction soient maintenant utilisées. Un symbole alternatif pour une résistance est un rectangle simple comme montré ci-dessus.Si une résistance est raccordée à travers une batterie, un circuit est formé et un courant coule autour du circuit. Le courant ne peut pas être vu mais cela ne signifie pas que ce n’est pas là. Le courant est mesuré dans ‘les Ampères’ et l’instrument a eu l’habitude de l’afficher est ‘un ampèremètre’. Si nous plaçons un ampèremètre dans le circuit, il montrera le courant coulant autour du circuit. En passant, l’ampèremètre lui-même, a une petite résistance et en le mettant ainsi dans le circuit réduit vraiment l’écoulement actuel autour du circuit très légèrement. Aussi montré est un bulbe. Si le courant coulant autour du circuit est suffisamment haut et le bulbe choisi correctement, donc le bulbe illuminera, en montrant que le courant coule, pendant que l’ampèremètre indiquera exactement combien de courant coule :
![]() Les résistances sont fabriquées dans plusieurs grandeurs et variétés. Ils entrent dans les versions ‘fixées’ et ‘variables’. Les plus utilisés sont la gamme de ‘E12’ ‘fixée’ de carbone. C’est une gamme de valeurs qui a 12 valeurs de résistance qui se répètent : 10, 12, 15, 18, 22, 27, 33, 39, 47, 56, 68, 82 et ensuite : De nos jours, les circuits portent souvent très peu de pouvoir et donc les résistances peuvent et être, faites dans de très petites grandeurs physiques. Plus haut la valeur de résistance d’une résistance, moins actuel coulera par cela quand un voltage est placé à travers cela. Comme il peut être difficile de voir l’imprimerie sur de petites résistances groupées ensemble sur une carte de circuit et entouré par d’autres plus grandes composantes, les valeurs de résistance ne sont pas écrites sur les résistances, au lieu de cela les résistances sont codées de couleur. L’unité de mesure pour les résistances est ‘l’ohm’ qui a une très petite grandeur. La plupart des résistances que vous rencontrez seront dans la gamme 100 ohms à 1,000,000 d’ohms. Plus haut la résistance de n’importe quelle résistance, plus petit le courant qui coulera par cela. La couleur-repère utilisée sur les résistances est : 0 Noir Chaque résistance a d’une manière caractéristique, trois bandes chromatiques pour indiquer sa valeur. Les deux premières bandes sont les nombres et la troisième bande est le nombre de zéros :
Vert : 5
Jaune: 4 Les bandes chromatiques sont lues de gauche au droit et la première bande est près d’une fin du corps de la résistance. Il y a souvent une quatrième bande qui indique la tolérance industrielle : vous pouvez ignorer cette bande. Examples: Rouge, Rouge, Rouge : 2 2 00 ohms ou 2K2 Comme il y a seulement 12 valeurs de résistance standard par décade, il y a seulement 12 ensembles des deux premières bandes chromatiques : 10: Marron/Noir
![]()
![]() La bande de tolérance a les codes suivants : L’argent est 10 % ± (c’est-à-dire une résistance de 10K de ce type devrait être entre 9K et 11K) L’or ± 5 % (c’est-à-dire une résistance de 10K de ce type devrait être entre 9.5K et 10.5K) 2 % ± rouges (c’est-à-dire une résistance de 10K de ce type devrait être entre 9.8K et 10.2K) Le marron ± 1 % (c’est-à-dire une résistance de 10K de ce type devrait être entre 9.9K et 10.1K) 0.5 % ± verts (c’est-à-dire une résistance de 10K de ce type devrait être entre 9.95K et 10.05K) 0.25 % ± bleus (c’est-à-dire une résistance de 10K de ce type devrait être entre 9.975K et 10.025K) 0.1 % ± pourpres (c’est-à-dire une résistance de 10K de ce type devrait être entre 9.99K et 10.01K) Ce type de résistance dans les gammes de 10 % et de 5 % est le plus commun comme ils sont les plus bon marché d’acheter et avoir ainsi tendance à être les plus populaires. Récemment, pourtant, deux adjonctions à la codification ont été présentées pour tenir compte de très hautes résistances de spécification que le constructeur moyen ne peut jamais trouver par hasard. Chacune de ces adjonctions implique une bande chromatique supplémentaire. La première bande chromatique supplémentaire permet un chiffre supplémentaire dans la valeur de résistance et y ressemble :
![]() Un autre exemple de cela est :
![]() Argent : le sens “aucun zéro et divisé par 100” et si la bande d’exemple avait été en argent alors la valeur aurait été 5.64 ohms. Ainsi par exemple, si la résistance avait une quatrième bande chromatique qui était en argent, alors la valeur serait
![]() Marron : 0.01 % de la résistance évaluent pour chaque degré le changement Centigrade dans la température. Pour le mettre dans le contexte, le pire d’entre ceux-ci représente un changement de 1 % dans la valeur de résistance en déplaçant de la température de glace à la température d’eau bouillante. Est cela quelque chose dont vous vous souciez vraiment ? Je ne fais pas. En quittant les détails d’identifier les résistances individuelles, nous venons maintenant à la partie intéressante : ce qui arrive quand il y a plusieurs résistances dans un circuit. La chose importante est de garder la trace des voltages produits dans le circuit. Ceux-ci définissent les courants coulant, le pouvoir eu recours et la voie dont le circuit répondra aux événements externes. Prenez ce circuit :
![]() Si R1 a la même résistance que R2, donc le voltage à un est la moitié du voltage de batterie, c’est-à-dire 4.5 Volts. La moitié du voltage de batterie est baissée à travers R1 et la moitié à travers R2. Il n’importe pas quelle la résistance réelle de R1 ou de R2 est, aussi longtemps qu’ils ont exactement la même résistance. Plus haut la résistance, les écoulements moins actuels, le plus long la batterie dure et le plus difficile il doit mesurer le voltage exactement. Il n’y a aucun besoin de faire n’importe quels calculs pour déterminer le voltage au point “A” comme c’est le rapport des valeurs de résistance qui détermine le voltage. Si vous voulez vraiment à, vous pouvez calculer le voltage bien que ce ne soit pas nécessaire. La méthode pour le faire vous sera montrée bientôt. Par exemple, si R1 et R2 chacun a une valeur de 50 ohms, donc le courant coulant par eux sera 9 volts / 100 ohms = 0.09 Ampères (ou 90 milliamps). La goutte de voltage à travers R1 sera 50 ohms = les Volts / 0.09 ampères ou Volts = 4.5 volts. Exactement le même calcul montre que le voltage à travers R2 est exactement 4.5 volts aussi. Pourtant, le point à être insisté voici que c’est le rapport de R1 à R2 qui contrôle le voltage au point “A”. Si R1 a la moitié d’autant de résistance que R2, donc la moitié d’autant de voltage est baissée à travers cela qu’est baissé à travers R2, c’est-à-dire 3 Volts sont baissés à travers R1, en donnant le point un voltage de 6 volts et que le voltmètre montrera. De nouveau, il n’importe pas que la valeur réelle de R1 est dans les ohms, aussi longtemps que R2 a exactement deux fois la résistance (montré par un plus haut nombre sur la résistance). Si R1 a deux fois plus la résistance comme R2, donc deux fois plus le voltage est baissé à travers cela comme est baissé à travers R2, c’est-à-dire 6 Volts sont baissés à travers R1, en donnant le point un voltage de 3 volts. Voici quelques exemples avec de différentes résistances :
![]()
![]() D’abord, comprenez s’il vous plaît qu’une bonne batterie est une source illimitée de voltage et que le voltage ne devient pas “fini” quand une résistance ou ce qui est raccordé à travers cela :
![]() C’est la pratique normale pour tirer un diagramme de circuit pour que le Plus le terminus de la batterie soient en haut et le moins le terminus est au fond. Beaucoup de diagrammes de circuit montrent la ligne négative au fond raccordé à la terre ou à une connexion “de terre”, qui est littéralement une baguette en métal poussée dans la terre à faire une bonne connexion électrique à la terre. C’est fait parce que la Terre est littéralement un réservoir vaste d’électricité négative. Pourtant, en réalité, la plupart des circuits ne sont pas raccordés directement à la Terre de toute façon. Le diagramme de circuit standard peut être visualisé comme le fait de ressembler à un graphique de voltage, plus haut en haut le diagramme, plus haut le voltage. En tout cas, quand il y a un circuit raccordé à travers la batterie, la ligne négative ou “0V” indique juste le sentier de retour à la batterie pour l’écoulement actuel :
![]()
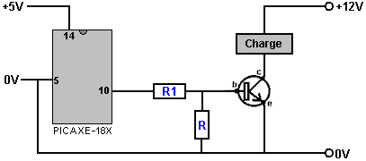
![]() Le deuxième nouvel artifice est ‘TR1’ un transistor. Ce semi-conducteur a trois connexions : un Collectionneur, une Base et un Émetteur. Si le voltage sur la base est au-dessous de 0.7 volts, donc on dit que le transistor soit “DÉBRANCHÉ” et dans cet état il a une très haute résistance entre le collectionneur et l’émetteur, beaucoup plus haut que la résistance de résistance “R2”. Le voltage divisant le mécanisme a juste discuté des moyens que le voltage au collectionneur ira faire donc, être très près de 9 volts – provoqué par le rapport de la résistance de Collectionneur/Émetteur du transistor comparée à la résistance “R2”. Si le voltage sur la base du transistor est levé à 0.7 volts en déplaçant le slider de la résistance variable lentement en haut, donc cela nourrira un petit courant à la base qui coule alors dehors par l’émetteur, en échangeant le transistor EN cause de la résistance entre le collectionneur et l’émetteur pour laisser tomber immédiatement à une valeur très basse, beaucoup, beaucoup plus bas que la résistance de résistance ‘R2’. Cela signifie que le voltage au collectionneur sera très près de 0 volts. Le transistor peut donc être allumé et de juste en faisant tourner le puits de la résistance variable :
![]()
![]() Nous devons examiner le circuit de résistance plus en détail :
![]() “Ohms = Volts / Ampères” qui indique les unités de mesure. Dans le circuit ci-dessus, si le voltage est 9 Volts et la résistance est 100 ohms, donc en utilisant la Loi d’Ohm nous pouvons calculer le courant coulant autour du circuit comme 100 Ohms = 9 Volts / les Ampères, ou les Ampères = 9 / 100 qui égale 0.09 Ampères. Pour éviter des endroits décimaux, l’unité de 1 milliamp est utilisée. Il y a 1000 milliamps dans 1 Ampère. Le courant juste calculé serait communément exprimé comme 90 milliamps qui est écrit comme 90 mA. Dans le circuit ci-dessus, si le voltage est 9 Volts et la résistance est 330 ohms, donc en utilisant la Loi d’Ohm nous pouvons calculer le courant coulant autour du circuit comme 330 = 9 / Ampères. Le fait de multiplier les deux côtés de l’équation par “Ampères” donne : Ampères x 330 ohms = 9 volts. La division des deux côtés de l’équation par 330 donne : Ampères = 9 volts / 330 ohms qui s’entraîne comme 0.027 Ampères, écrits comme 27 mA. En Utilisant la Loi d’Ohm nous pouvons calculer quelle résistance utiliser pour donner n’importe quel écoulement actuel voulu. Si le voltage est 12 Volts et le courant voulu est 250 mA alors comme Ohms = Volts / Ampères, la résistance nécessaire est donnée par : Ohms = 12 / 0.25 Ampères qui égale 48 ohms. La résistance standard la plus proche est 47 ohms (Jaune / Pourpre / Noir). La chose finale à faire est de vérifier la consommation en watts de la résistance pour s’assurer que la résistance n’incendiera pas quand raccordé dans le circuit proposé. Le calcul de pouvoir est donné par : Watts = Volts x Ampères. Dans le dernier exemple, cela donne des Watts = 12 x 0.25, qui est 3 Watts. C’est beaucoup plus grand que la plupart des résistances utilisées dans l’ensemble de circuits de nos jours. En prenant le plus premier exemple, Watts = Volts x Ampères, donc les Watts = 9 x 0.027 ou 0.234 Watts. De nouveau, pour éviter les décimales, une unité de 1 milliwatt est utilisée, où 1000 milliwatts = 1 Watt. Ainsi au lieu d’écrire 0.234 Watts, il est commun de l’écrire comme 234 ondes moyennes. Cette méthode pour calculer les voltages, les résistances et les consommations en watts s’applique à n’importe quel circuit, peu importe comment malaisé ils peuvent apparaître. Par exemple, prenez le circuit suivant contenant cinq résistances :
![]() Si deux, ou plus, les résistances sont raccordées l’un à travers l’autre comme montré à droite du diagramme ci-dessus, on dit qu’ils soient ‘dans le parallèle’ et leur moissonneuse-batteuse de résistances différemment. Si vous voulez calculer l’équation ci-dessus, pour vous, choisir ensuite un voltage à travers Rt, utilisez la Loi d’Ohm pour calculer le courant par Ra et le courant par Rb. Ajoutez les courants ensemble (comme ils sont les deux tirés de la source de voltage) et utilisez la Loi d’Ohm de nouveau pour calculer la valeur de Rt pour confirmer que le 1/Rt = 1/Ra 1/Rb …. l’équation est correct. Un tableur est inclus qui peut faire ce calcul pour vous. Dans l’exemple ci-dessus, R4 est 1K5 (1,500 ohms) et R5 est 2K2 (2,200 ohms) donc leur résistance combinée est donnée par 1/Rt = 1/1500 1/2200 ou Rt = 892 ohms (l’utilisation d’une calculatrice simple). Appliquez un chèque de bon sens à ce résultat : s’ils avaient été deux résistances de 1500 ohms alors la valeur combinée aurait été 750 ohms. S’ils avaient été deux résistances de 2200 ohms alors la valeur combinée aurait été 1100 ohms. Notre réponse doit donc être entre 750 et 1100 ohms. Si vous avez trouvé une réponse de, disons, 1620 ohms, donc vous savez directement dont il est incorrect et l’arithmétique doit être faite de nouveau. Ainsi comment des voltages aux points un et à ‘B’ dans le circuit ? Comme R1 et R2 sont égaux dans la valeur, ils auront des gouttes de voltage égales à travers eux pour n’importe quel courant donné. Ainsi le voltage au point une volonté être la moitié du voltage de batterie, c’est-à-dire 6 Volts. Maintenant, le point ‘B’. R4 de Résistances et R5 interprètent le même comme une résistance simple de 892 ohms, donc nous pouvons juste imaginer deux résistances en série : R3 à 470 ohms et R4 R5 à 892 ohms. Le bon sens vérifie brutalement: comme R3 est seulement l’environ moitié de la résistance de R4 R5, il aura l’environ moitié d’autant de goutte de voltage à travers cela que la goutte de voltage à travers R4 R5, c’est-à-dire environ 4 volts à travers R3 et environ 8 volts à travers R4 R5, donc le voltage au point ‘B’ devrait s’entraîner à environ 8 volts. Nous pouvons utiliser la Loi d’Ohm pour calculer le courant coulant par le point ‘B’ : Ohms = Volts / Amps, ( ou Amps = Volts / Ohms ou Volts = Ohms x Amps) (470892) = 12 / Ampères, donc Ampères = 12 / (470892) Ampères = 12 / 1362 ou Ampères = 0.00881 Ampères (ou 8.81 milliamps). Maintenant que nous savons le courant traversant (R4 R5) nous pouvons calculer le voltage exact à travers eux : Résistance = Volts / Ampères ainsi 892 = les volts / 0.00881 ou Volts = 892 x 0.00881 Volts = 7.859 Volts. Comme notre estimation de bon sens était 8 Volts, nous pouvons accepter 7.86 Volts comme étant le voltage exact au point ‘B’. Le Potentiometer. Just avant nous quittons le sujet de résistances et repartons aux sujets plus intéressants, nous trouvons par hasard le terme ‘potentiometer’. Ce terme est souvent raccourci ‘au pot’ et beaucoup de personnes l’utilisent pour décrire une résistance variable. Je le mentionne seulement pour que vous puissiez comprendre qu’ils parlent de. Une résistance variable n’est pas un potentiometer et ne devrait pas vraiment être appelée celui. Vous pouvez sauter le reste de cette partie comme ce n’est pas du tout important, mais voici quel un potentiometer est : Un nom sophistiqué pour le voltage est ‘potentiel’, donc un circuit actionné par une batterie de 12 volts peut être décrit comme le fait d’avoir ‘un potentiel’ de volts zéro au côté négatif de la batterie et ‘d’un potentiel’ de plus douze volts au côté positif de la batterie. Les gens ordinaires comme moi diraient ‘juste le voltage’ au lieu ‘du potentiel’. Quand un voltmètre est utilisé pour mesurer le voltage à n’importe quel point dans un circuit, il change le circuit en tirant une petite quantité de courant du circuit. Le voltmètre a d’habitude une haute résistance intérieure et donc le courant est très petit, mais bien que ce soit un petit courant, il change vraiment le circuit. Par conséquent, la mesure faite n’est pas tout à fait correcte. Les scientifiques, au cours des années passées, ont surmonté le problème avec une solution très nette – ils ont mesuré le voltage sans prendre un courant du circuit – soigné hein ? Ils l’ont aussi fait avec un arrangement très simple :
![]() En déplaçant le slider de VR1, n’importe quel voltage ou ‘potentiel’ des volts zéro à 12 volts pourraient être choisis. Pour mesurer le voltage au point un sans tirer n’importe quel courant du circuit, ils raccorderaient le mètre comme montré et régleraient la résistance variable jusqu’à ce que la lecture de mètre soit exactement zéro. Puisque la lecture de mètre est le zéro, le courant coulant par cela est aussi le zéro et le courant pris du circuit est le zéro. Comme aucun courant n’est pris du circuit, la mesure n’affecte pas le circuit de toute façon – très intelligent. Le voltage sur le slider de VR1 correspond exactement au voltage au point un, donc avec une échelle calibrée sur la résistance variable, le voltage peut être annoncé. Le morceau habile d’équipement inventé de la batterie, la résistance variable et le mètre a été utilisé pour mesurer ‘le potentiel’ (le voltage) à n’importe quel point et a ainsi été appelé un ‘potentiometer’. Ainsi s’il vous plaît l’humour moi en appelant une résistance variable une ‘résistance variable’ et pas un ‘potentiometer’. Comme j’ai dit auparavant, ce n’est pas du tout important et si vous voulez à, vous pouvez appeler une résistance variable un ‘heffalump’ aussi longtemps que vous savez comment il travaille. Comprendre ce que signifient des schémas de circuit.
![]()
![]()
![]()
![]()
![]()
![]()
![]()
![]()
![]() Semi-conducteurs. Résistance de Personne à charge claire d’ORP12. Cet artifice a une haute résistance dans l’obscurité et une résistance basse dans la lumière brillante. Il peut être placé dans un circuit pour créer un changement qui opère avec une augmentation dans le niveau clair ou une diminution dans le niveau clair :
![]() Le transistor montré est un BC109 bien que la plupart des transistors travaillent dans ce circuit. Le BC109 est un bon marché, de silicium, un transistor de NPN. Il peut manipuler 100mA et 30V et peut allumer et de plus d’un million de fois par seconde. Il a trois connexions : le Collectionneur, marqué ‘c’ dans le diagramme, la Base, a marqué ‘b’ dans le diagramme et l’Émetteur, a marqué ‘e’ dans le diagramme. Comme mentionné auparavant, il a une très haute résistance entre le collectionneur et l’émetteur quand aucun courant ne coule dans la base. Si un petit courant est nourri dans la base, les diminutions de résistance de collectionneur/émetteur d’une valeur très basse. Le courant de collectionneur divisé par le courant basé est appelé ‘l’augmentation’ du transistor et est souvent appelé ‘hfe’. Un transistor comme un BC109 ou un BC108 a une augmentation d’entre environ 200, bien que cela varie du transistor réel au transistor réel. Une augmentation de 200 moyens qu’un courant de 200 mA le fait de traverser le collectionneur exige à un courant de 1mA par la base de le soutenir. Les informations spécifiques sur les caractéristiques et les connexions de semi-conducteurs de toutes les sortes peuvent être obtenues libres du site Internet excellent websitequi fournit des dossiers .pdf d’information. Le transistor BC109 montré ci-dessus est un type de NPN. C’est indiqué par la flèche du symbole montrant vers l’extérieur. Vous pouvez aussi répéter par le collectionneur montrant au rail positif. Il y a des transistors semblables de silicium construits comme les artifices de PNP. Ceux-ci ont la flèche dans le symbole de transistor montrant vers l’intérieur et leurs collectionneurs sont raccordés, directement ou indirectement, au rail négatif. Cette famille de transistors est les premiers designs de transistor et est appelée des transistors ‘bi-polar’. Ces transistors de silicium sont si efficacement construits qu’ils peuvent être raccordés directement ensemble pour donner l’augmentation très augmentée. On appelle cet arrangement une ‘paire de Darlington’. Si chaque transistor a une augmentation de 200, donc la paire donne une augmentation de 200 x 200 = 40,000. Cela a l’effet que très, le très petit courant peut être utilisé au pouvoir une charge. Le diagramme suivant montre à une paire Darlington utilisée dans un détecteur de niveau d’eau. Ce type d’alarme pourrait être très utile si vous êtes endormis sur un bateau qui commence à embaucher de l’eau.
![]() La cote est que dans une situation pratique, l’eau ne sera pas particulièrement propre. La résistance R1 est inclus pour limiter le courant basé de TR1 devrait les sondes de détecteur être court-faites le circuit. Les transistors bipolaires de silicium ont un voltage de base/émetteur d’environ 0.7V quand complètement allumé. La paire Darlington aura de 1.4V entre la base de TR1 et l’émetteur de TR2, ainsi si les sondes de détecteur sont court-faites le circuit ensemble, la résistance R1 aura 6 – 1.4 = 4.6V à travers cela. La Loi d’Ohms nous donne le courant par cela comme R = V / A ou 47,000 = 4.6 / A ou un = 4.6 / 47,000 ampères. Cela travaille dehors sur 0.098mA qui avec une augmentation de transistor de 40,000 permettrait jusqu’à 3.9A par le ronfleur. Comme le ronfleur prend seulement 30mA ou ainsi, il limite le courant le traversant et on peut considérer que TR2 est échangé durement sur avec le voltage de batterie entier à travers cela. Les transistors de NPN sont plus communs que les types de PNP, mais il n’y a presque aucune différence pratique entre eux. Voici le circuit précédent en utilisant des transistors de PNP :
![]() Pas beaucoup de différence. La plupart des diagrammes de circuit montrés ici utilisent des types de NPN mais pas seulement ceux-ci ne sont pas critiques, mais il y a plusieurs façons de concevoir n’importe quel circuit particulier. En général, les semi-conducteurs montrés dans n’importe quel circuit sont rarement critiques. Si vous pouvez déterminer les caractéristiques de semi-conducteur montré, n’importe quel artifice raisonnablement semblable peut généralement être substitué, surtout si vous avez une compréhension générale de comment le circuit travaille. N’importe lequel des deux circuits précédents peut opérer comme un détecteur de pluie. Un détecteur convenable peut facilement être rendu d’un morceau de conseil de bande avec les bandes alternantes raccordé ensemble pour former une grille s’entrelaçant : ![]() Les transistors dans le circuit ci-dessus sont raccordés avec leur émetteur (s) raccordé au rail de terre (on considère la ligne de batterie plus basse montrée dans n’importe quel circuit pour être “la terre” à moins qu’il ne soit spécialement montré ailleurs). On appelle cette méthode de connexion ‘l’émetteur commun’. Le circuit suivant utilise le transistor raccordé dans ‘mode’ de disciple d’émetteur. C’est où on quitte l’émetteur pour suivre le voltage basé – c’est toujours 0.7V au-dessous de cela à moins que la base lui-même ne soit conduite au-dessous de 0.7V :
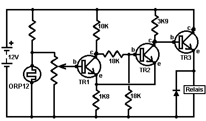
![]() L’inconvénient du susdit circuit est que comme les diminutions de niveau claires, le courant par l’équipe de relais augmente et cela peut être une quantité significative de courant depuis quelque temps considérable. S’il a été destiné au pouvoir l’unité avec une batterie alors la vie de batterie serait bien plus courte qu’il a besoin d’être. Que nous voudrions, est un circuit qui a échangé rapidement Du de l’état au Sur l’état bien que la contribution déclenchante ait varié seulement lentement. Il y a plusieurs façons de l’accomplir, un d’entre eux étant pour modifier le circuit pour devenir une ‘Gâchette de Schmitt’ :
![]() Le circuit opère comme suit. Quand le voltage à la base de TR1 est assez haut, TR1 allume, qui fait la résistance entre son collectionneur et émetteur être si basse que nous pouvons le traiter comme un court-circuit (qui est une connexion de résistance presque-zéro). Cela raccorde efficacement 10K et 1K8 les résistances en série à travers la batterie. Le voltage à leur point liant (tant le collectionneur que l’émetteur de TR1) sera alors environ 1.8 volts. Les résistances de deux 18K sont en série à travers ce voltage donc le voltage à leur jonction sera la moitié que ; 0.9 Volts. Cela met la Base de TR2 à environ 0.9 volts et à son émetteur à 1.8 volts. La base de TR2 est donc pas à 0.7 volts au-dessus de son émetteur, donc aucun courant de base/émetteur ne coulera dans TR2, qui signifie que TR2 est échangé durement de. Cela signifie que la résistance de collectionneur/émetteur TR2 sera très haute. Le voltage à la base de TR3 est contrôlé par le 1K8 la résistance, la résistance de collectionneur/émetteur TR2 (très haut) et le 3K9 la résistance. Cela pousse le voltage basé de TR3 jusqu’à près du voltage de batterie complet et comme il est télégraphié comme un disciple-émetteur, son voltage d’émetteur sera à environ 0.7 volts au-dessous de cela. Cela signifie que l’équipe de relais aura la plupart du voltage de batterie à travers cela et échangera ainsi durement sur. Quelques points pratiques : le courant coulant dans la base de TR3 vient via le 3K9 la résistance. Un 3K9 la résistance a besoin de 3.9 volts à travers cela pour chaque 1 mA qui coule par cela. Si l’équipe de relais a besoin de 150 mA pour opérer et TR3 a une augmentation de 300, donc TR3 aura besoin d’un courant basé de 0.5 mA pour fournir à 150 mA de courant par sa jonction de collectionneur/émetteur. Si 0.5 mA coule par le 3K9 la résistance, il y aura une goutte de voltage à travers cela d’environ 2 volts. Le voltage de base/émetteur TR3 sera 0.7 Volts de plus, donc le voltage à travers l’équipe de relais sera environ 12.0 – 2.0 – 0.7 = 9.3 Volts, donc vous devez être sûrs que l’équipe de relais travaillera correctement sur 9 Volts. Si vous avez utilisé une paire Darlington de transistors, chacun avec une augmentation de 300, au lieu de TR3, donc leur goutte de voltage de base/émetteur combinée serait 1.4 Volts, mais ils auraient seulement besoin d’un courant basé de 150 mA / (300 x 300) = 1/600 la mA. Ce courant laisserait seulement tomber 0.007 Volts à travers le 3K9 la résistance, donc l’équipe de relais recevrait 10.6 Volts. Ainsi comment calculez-vous l’augmentation d’un transistor particulier ? L’instrument de travail principal pour l’électronique est un multimètre. C’est un mètre numérique ou analogique qui peut mesurer une large gamme de choses : le voltage, le courant, la résistance… Plus cher le mètre, généralement, plus grand le nombre de gammes a fourni. Les mètres plus chers offrent la mise à l’essai de transistor. Personnellement, je préfère les multimètres plus vieux, passifs. Ceux-ci sont méprisés parce qu’ils tirent le courant du circuit auquel ils sont attachés, mais, parce qu’ils font, ils donnent des lectures sûres tout le temps. Les multimètres numériques opérés de batterie plus modernes donneront heureusement des lectures incorrectes comme leur batterie renverse. J’ai gaspillé deux jours entiers, en évaluant batteries rechargeable qui a eu l’air de donner des performances impossibles. Finalement, j’ai découvert que c’était une batterie de multimètre de défaut qui provoquait des lectures de multimètre fausses. Pour le moment, permettez-nous de supposer qu’aucun contrôleur de transistor commercial n’est sous la main et nous construirons notre propre (ou au moins, découvrirons comment construire notre propre). L’augmentation d’un transistor est définie comme le courant de collectionneur/émetteur divisé par le courant de base/émetteur. Par exemple, si 1mA coule par le collectionneur et 0.01mA coule dans la base pour soutenir cet écoulement de collectionneur, donc le transistor a une augmentation de 100 fois à 1mA. L’augmentation de transistor peut varier quand il porte de différentes charges actuelles. Pour les circuits nous avons regardé pour l’instant, 1mA est un courant raisonnable à quel mesurer l’augmentation de transistor. Donc construisons un circuit pour mesurer l’augmentation :
![]() Bien, nous pourrions le choisir l’augmentation minimale à être affichée est 10. Cela correspondrait où la résistance variable slider est prise entièrement jusqu’au point un dans le diagramme de circuit, en prenant efficacement la résistance variable du circuit. Si l’augmentation de transistor est 10 et le courant de collectionneur est 1mA, donc le courant basé sera 0.1mA. Ce courant doit couler par la résistance R1 et il a un voltage (de 9.0 – 0.7) les Volts à travers cela comme le voltage de base/émetteur est 0.7 Volts quand le transistor a lieu. La Loi d’Ohms nous donne des Ohms = les Volts / les Ampères, que pour la résistance R1 signifie des Ohms = 8.3 / 0.0001 ou 83,000 ohms, ou 83K. Règle approximative : 1K fournit 1mA s’il a 1V à travers cela, donc 10K donnera 0.1mA s’il a 1 Volt à travers cela. Avec 8.3 Volts à travers cela, cela doit être 8.3 fois plus grandes pour maintenir le courant en place à 0.1mA voulu donc la résistance devrait être 83K dans la grandeur. Comme 83K n’est pas une grandeur standard, nous devons utiliser au moins deux résistances standard pour donner cette résistance. La grandeur standard la plus proche au-dessous de 83K est 82K, donc nous pouvons a utilisé la résistance d’une 82K et la résistance d’une 1K en série pour donner 83K voulu. Supposons que nous disons que nous voudrions avoir 500 comme la plus haute augmentation montrée sur notre contrôleur, ensuite quand VR1 est à sa valeur maximum, il et R1 devraient fournir 1/500 du courant de collectionneur de 1mA, c’est-à-dire 0.002mA ou 0.000002 Ampères. De la Loi d’Ohms de nouveau nous recevons VR1 R1 = 4,150,000 ohms ou 4M15. Malheureusement, la plus grande résistance de variable de valeur disponible est 2M2 ainsi le circuit comme il est, ne sera pas en mesure de faire face. Supposons que nous devions juste utiliser un 2M2 la résistance variable pour VR1, que gamme d’augmentation de transistor pourrions-nous afficher ? Bien la Loi d’Ohms … nous permet de calculer le courant basé avec 8.3 Volts à travers (83,000 2,200,000) les ohms et de cela l’augmentation de transistor maximum qui serait 277.77 (à 1mA). Vous achèteriez la résistance variable d’empreintes d’un carbone standard ‘linéaire’ pour que le changement dans la résistance soit régulier comme le puits est tourné. L’échelle que vous inventeriez serait dans même les pas et il courrait de 10 au cadre minimal, à 278 au plus haut cadre. Mais ce n’est pas que nous avons voulu. Nous avons voulu avoir des qualités requises de 500. Mais ils ne rendent pas de résistances variables assez grandes, ainsi que pouvons-nous faire ? Bien, si nous avons voulu, nous pourrions baisser le voltage de batterie, qui baisserait à son tour les valeurs de résistance. Comme un 9V la batterie est très convenable pour cette sorte de circuit, laisse pas suivent ce chemin. Nous pourrions ajouter l’ensemble de circuits supplémentaire pour tomber le 9V le voltage de batterie en bas à une valeur plus basse. La solution la plus simple est d’ajouter une résistance supplémentaire et un changement pour donner deux gammes. Si nous avons échangé dans un supplémentaire 2M2 la résistance au-dessus de VR1 alors le circuit mesurerait le transistor tire profit de 278 à juste plus de 500 et tout ce que nous aurions besoin de faire devrait ajouter une deuxième échelle pour le bouton de baguette VR1 pour se serrer. Nous pourrions, fournir des gammes supplémentaires qui chevauchent et qui ont la balance plus convenable pour se tacher. Le design est à la hauteur de vous.
![]()
![]() Émetteurs-Suiveurs Le circuit est comme ceci :
![]() Les valeurs réelles rencontrées dans la “ vraie vie “ sont qu’une batterie marqué comme 12 volts est très rarement fait à cette tension et une valeur commune est de 12,8 volts. Je l’ai appelé la tension base-émetteur 0,7 volts, mais en réalité, il peut être quelque chose de 0.6 volts à 0,75 volts. Une utilisation courante de ce type de circuit est de faire passer une tension constante à un circuit, en utilisant une diode Zener. Le circuit est comme ça :
![]() Circuits à Courant Constant
![]()
![]() Transistors Substituer
![]() Si nous voulons connaître les caractéristiques d’un transistor ou diode, nous pouvons aller sur le site web de www.alldatasheet.com , bien que juste googler le nom du transistor reçoit souvent les informations nécessaires très rapidement. Quoi qu’il en soit, sur le site web, le haut de la page a une section d’entrée comme ceci :
![]()
![]()
![]()
![]()
![]()
![]()
![]()
![]()
![]()
![]() Cela semble beaucoup, mais il est vraiment très simple. Cependant, il est une fabrication réparties sur des transistors et la plupart des autres composants électroniques, et nous cherchons juste un numéro de boule parc pour ces choses. Autrement dit, vous pouvez avoir cinq transistors identiques prospectifs dans votre main, mais il est très peu probable que deux d’entre eux seront effectivement identiques. Cependant, regardons cette feuille de données et voir ce que nous trouvons: Tout d’abord, la tension maximale que le transistor peut résister à la base non connectée est de 400 volts, ce qui est une bonne affaire plus qui est susceptible d’être atteint dans notre circuit. Ensuite, le courant. Le courant continu est indiqué pour être 12 ampères et 24 ampères si en impulsions. Qui est susceptible d’être plus que les besoins du circuit, en tant que sortie continue de 40 watts à partir d’une connexion de 12 volts est un courant de sous-4 ampères. Ensuite, la puissance est indiqué comme étant de 100 watts (un dissipateur de chaleur est certainement nécessaire pour que – imaginer la tenue d’une ampoule de 100 watts allumée dans votre main et penser comment confortable qui serait). Cependant, dans notre circuit, le transistor sera éteint pour la plupart du temps et ainsi, la puissance ne devrait pas être un problème. Ensuite, la vitesse de commutation, qui est susceptible d’être important dans ce circuit. La fiche de données suggère que environ 60 nanosecondes est susceptible de tout transistor T13009. Et enfin, le gain en courant continu sera probablement entre 15 et 39 à un courant de 5 ampères. Il est susceptible d’être beaucoup mieux que cela à des courants inférieurs. Certaines personnes ont de la difficulté à visualiser comment un transistor bipolaire fonctionne, alors laissez-moi vous expliquer un peu plus en détail. Lorsque le courant circule à travers un transistor bipolaire, alors la tension de base de ce transistor est à peu près fixe. Il est un peu comme un grand lac avec un long mur de barrage horizontal contenant l’eau dans le lac. Lorsque le niveau d’eau du lac est inférieure à celle du barrage, aucune eau coule au-dessus de la digue. Si le niveau du lac monte, puis les déversements d’eau sur le barrage. Le montant de ce débit d’eau est très affecté par la profondeur de l’eau sur le barrage avec même une petite augmentation de la profondeur provoquant une augmentation massive du débit d’eau. La même chose vaut pour la base du transistor et qui est la raison pour laquelle la circulation du courant de base est limitée par une résistance. Sans résistance, le flux de courant deviendrait très vite de nombreux amplis et brûler le transistor à travers le chauffage même de la jonction base / émetteur. Le courant de base est comme le réglage d’une vanne entre le collecteur et l’émetteur. Si le gain du transistor est de 200, puis 1 mA circulant dans la base permet de 200 mA de circuler entre le collecteur et l’émetteur, à moins qu’il existe une charge entre le collecteur et la batterie – une charge qui étouffe ce que le flux de courant, et qui est le cas normal. Par exemple, si les flux de 0,5 mA dans la base, puis un maximum de 100 mA peut passer entre le collecteur et l’émetteur. Le gain d’un transistor dépend de la quantité de courant circulant à travers le transistor et qu’il varie si bien que le seul moyen pour indiquer qu’il est bien dessiner un graphique de celui-ci. A cause de cela, les chiffres de gain imprimés sont donnés pour un ou deux courants. En règle générale, plus le courant est élevé, plus le gain réel, donc si un gain est donnée à 20 à 1 ampère et que vous ne l’intention d’avoir 100 mA qui le traverse, alors vous pouvez vous attendre un gain beaucoup plus élevé que 20. La tension sur la base d’un seul transistor qui mène sera toujours 0,7 volts (ou quelque chose de très proche de celui en fonction de ce transistor particulier a été effectivement fabriqué). Que 0,7 volts reste fixe, même si le courant circulant dans la base augmente de 0,1 milliampères à 100 milliampères. Revenons donc à notre transistor T13009 D’accord, nous savons maintenant un peu plus sur le transistor T13009, et la question posée sur le transistor 2N2222, donc nous regardons vers le haut sur le site Fiche web Toutes les données et nous constatons que la tension maximale est de 40 volts. Cela exclut hors de notre circuit où la tension passe à au moins 70 volts et un transistor 2N2222 mourrait instantanément. Nous examinons ensuite le courant et voir qu’il a un maximum de 0,8 d’un ampli qui signifie qu’il est vraiment pas dans la boule-park pour ce circuit. Nous savons que le TIP3055 (initialement emballé comme le 2N3055) est très populaire auprès des constructeurs d’énergie libre, donc nous regardons vers le haut et découvrez que il peut gérer des tensions jusqu’à 60 volts, 90 watts de puissance et 15 ampères de courant. Bien qu’il soit un transistor puissant, il semble que sa tension nominale est trop faible pour ce circuit. Donc que faisons-nous maintenant? Une façon est de demander à un expert de l’électronique de proposer une alternative appropriée. Une autre façon est de regarder les transistors offerts par votre fournisseur local, qui pour moi es www.esr.co.uk qui conduit à cette table qui est l’un des nombreux et qui a beaucoup plus d’entrées :
![]() Nous voulons un transistor NPN et donc le MJ11016 semble possible avec une capacité de 100 volts, le courant de 30 ampères et 200 watts de dissipation. Il est une paire Darlington dans un seul cas et ainsi se mettra en marche environ 1,4 volts par opposition à 0,7 volts sur la base, mais cela ne devrait pas faire une différence dans notre circuit. Avec un gain de 1000 d’une résistance variable de carbone simple pourrait être utilisé pour commander le courant de base. Il y a beaucoup d’autres transistors à choisir. Une autre façon de trouver un transistor convenable pourrait être d’aller sur eBay et la recherche sur “transistor” et voir ce que les transistors sont populaires et combien ils coûtent. Une autre solution pourrait être d’essayer le circuit avec un transistor à effet de champ comme le IRF740 qui est haute tension, très puissant et pas cher. Cependant, les transistors FET déclenchent la tension et tirer presque pas de courant à travers leur connexion “grille” qui est l’équivalent d’une connexion bipolaire “de base” et donc un peu d’expérimentation avec le circuit peut être nécessaire. Il pourrait également être utile à la recherche pour voir ce que les transistors ont été choisis par Alexkor dans ses circuits 5 batteries au chapitre 6. Si nous faisons cela, nous trouvons le MJE13009 qui a une spécification identique et est donc presque certainement le même que d’un transistor à T13009 et Version MJE est facilement disponible sur eBay. Un autre de ses transistors est le transistor 2SC3552 avec capacité 500V et une capacité de 150 watts et décrit comme “action rapide”.La Diode Une composante qui a été montré, mais ne pas décrite est la diode ou ‘le redresseur’. C’est un artifice qui a une très haute résistance au courant coulant dans une direction et une résistance très basse au courant coulant dans la direction opposée. La jonction de base/émetteur d’un transistor est efficacement une diode et, à une poussée, peut être utilisée à ce titre. Une diode nécessaire est bon marché d’acheter et a le bien plus grand voltage et les capacités de manipulation actuelles que la jonction de base/émetteur d’un transistor. Les diodes sont surtout faites d’un de deux matériel : germanium et silicium. Les diodes de germanium sont utilisées avec de très petits courants alternatifs comme les signaux radio venant d’une antenne. C’est parce qu’une diode de germanium a besoin seulement de 0.2 volts ou ainsi porter un courant pendant que le silicium a besoin 0.6 à 0.7 volts (même comme une jonction de base/émetteur de transistor de silicium). Les diodes de germanium (et les transistors) sont très sensibles au changement de température et sont ainsi normalement restreintes aux circuits de pouvoir bas. Une application très nette pour une diode de silicium est comme un ‘un-interruptible l’alimentation électrique’ où l’échec de conduite principale est attrapé immédiatement :
![]() Dans ce circuit, le voltage de conduite principale conduit l’Unité d’Alimentation électrique qui produit 12 Volts au point ‘A’. Cela fournit le courant à la Charge. La diode a 12 Volts à un et 12 Volts au point ‘B’ ainsi il n’y a aucune goutte de voltage à travers cela et il ne portera pas de courant dans l’une ou l’autre direction. Cela signifie que la batterie est efficacement isolée quand la conduite principale fonctionne. Si la production d’Unité d’Alimentation électrique devait monter au-dessus de son niveau de design de 12 volts, donc la diode le bloquerait de nourrir le courant dans la batterie.Si la conduite principale échoue, l’Unité d’Alimentation électrique (‘PSU’) la production tombera au zéro. Si la batterie et la diode n’étaient pas là, le voltage au point ‘A’ tomberait au zéro, qui le pouvoir en bas la Charge et provoquer peut-être des problèmes sérieux. Par exemple, si la charge était votre ordinateur, un échec de conduite principale pourrait vous faire perdre des données importantes. Avec un soutien de batterie de ce type, vous auriez le temps pour sauver vos données et fermer votre ordinateur avant que la batterie s’est épuisée. Le circuit opère d’une manière très simple. Aussitôt que le voltage au point ‘A’ diminutions à 0.7 volts au-dessous de 12 volts au point ‘B”, la diode commence à nourrir le courant de la batterie à la Charge. Cela arrive dans moins que d’une millionième d’une seconde, donc la Charge ne perd pas de courant. Il vaudrait la peine d’ajouter une lumière d’avertissement et-ou un ronfleur pour montrer que la conduite principale a échoué. Diodes sont fournies également emballé comme un pont de diode, avec quatre diodes enfermés à l’intérieur. Habituellement destinés à la rectification d’alimentation de puissance, ils ne sont pas particulièrement à l’action rapide des diodes, mais sont bon marchés et peuvent transporter beaucoup de courant. Une taille commune est avec les diodes de 1000 volts et capable de transporter 35 ampères. Il existe plusieurs types de paquets, un ensemble très commun ressemble à ceci :
![]()
![]()
![]()
![]() Une autre chose qui doit être vérifié pour certains circuits est la tension nécessaire pour obtenir la diode à allumer. Deux matériaux communs lors des diodes sont silicium et le germanium. Types de germanium ont une faible tension directe d’environ 0,2 volts généralement quel silicium a sur un seuil de 0,6 volt en général. Ces chiffres de tension varient énormément comme le courant traversant la diode augmente. Besoin de circuits qui utilisent les très basses tensions diodes germanium comme le 1N34.
![]() LEDs: Il y a une variation largement utilisée de la diode qui est extrêmement utile et c’est la Diode Émettante Claire ou ‘MENÉ’. C’est une diode qui émet la lumière en portant le courant. Ils sont disponibles dans les versions claires rouges, vertes, bleues, jaunes ou blanches. Quelques versions peuvent afficher plus qu’une couleur de lumière si le courant est nourri par leurs différentes connexions électriques.LEDs donnent un niveau clair bas à un courant d’environ 8 ou 10 mA et d’une lumière brillante pour les courants de 20 à 30 mA. S’ils sont utilisés avec un système de 12 volts, donc une résistance de série de 1K à 330 ohms est nécessaire. LEDs sont des artifices robustes, immunisés pour choquer et la vibration. Ils entrent dans les diamètres différents et les plus grandes grandeurs sont très beaucoup plus visibles que les très petits. SCRs et Triacs : Opto-Isolators: Courant alternatif : Si vous raccordez une batterie à un circuit par un changement de changement de pôle double comme montré ici :
![]()
![]() Bobines :
![]()
![]() Un bobine de fil a une des caractéristiques les plus particulières de presque n’importe quelle composante électronique. Quand le courant par cela est changé de toute façon, le bobine s’oppose au changement. Souvenez-vous du circuit pour un changement opéré de lumière en utilisant un équipe de relais ? : ![]() Le bobine d’équipe de relais porte le courant quand le transistor TR3 a lieu. L’émetteur de transistor TR3 est en haut à environ 10 volts. Quand TR3 éteint, il fait si rapidement, en poussant la connexion d’équipe de relais de 10 volts à 0 volts. Le bobine d’équipe de relais réagit d’une façon la plus particulière quand cela arrive et au lieu du courant par le bobine d’équipe de relais juste l’arrêt, le voltage sur la fin du bobine raccordé à l’émetteur de TR3 continue à bouger en bas. S’il n’y a aucune diode à travers l’équipe de relais, le voltage d’émetteur est forcé à brièvement dépasser la ligne négative du circuit et est rabaissé beaucoup de volts au-dessous de la batterie la ligne négative. Le collectionneur de TR3 est télégraphié à 12 volts, ainsi si l’émetteur est rabaissé à, disons, -30 Volts, TR3 fait placer 42 Volts à travers cela. Si le transistor peut seulement manipuler, disons, 30 Volts, donc il sera nui par le pic de 42 volts. La voie dont les bobines opèrent est surnaturelle. Mais, la connaissance que va arriver au moment d’éteignent, nous nous en occupons en mettant une diode à travers le bobine de l’équipe de relais. Au changement – sur et quand l’équipe de relais est actionné, la diode n’a aucun effet, en affichant une très haute résistance à l’écoulement actuel. À éteignent, quand le voltage d’équipe de relais commence à s’effondrer au-dessous de la ligne de batterie, la diode est efficacement retournée dans son mode de conduction. Quand le voltage atteint à 0.7 volts au-dessous de la batterie la ligne négative, la diode commence à accomplir et épingle le voltage à ce niveau jusqu’à ce que la pointe de voltage produite par le bobine d’équipe de relais ait dissipé. Plus du bobine essaie de rabaisser le voltage, plus dur la diode accomplit, en étouffant le plongeon vers le bas. Cela restreint le voltage à travers le transistor TR3 à 0.7 volts plus que le voltage de batterie et le protège ainsi. Les biobines à solénoïde peuvent être très utiles. Voici un design pour un moteur électrique puissant fait breveter par l’américain, Ben Teal, en juin de 1978 (les Etats-Unis font breveter numéro 4,093,880). C’est un design très simple que vous pouvez construire pour vous si vous voulez. Le moteur original de Ben a été construit du bois et presque n’importe quelle matière convenable peut être utilisée. C’est la vue supérieure :
![]()
![]() Dans le profil ci-dessus, chaque couche a quatre solénoïdes et vous pouvez étendre le vilebrequin pour avoir autant de couches de quatre solénoïdes comme vous voulez. Le pouvoir de locomotive augmente avec chaque couche ajoutée. Deux couches devraient être tout à fait adéquates comme c’est un moteur puissant avec juste deux couches. Un point intéressant est que comme un pouls à solénoïde est terminé, son coup est brièvement changé à une poussée en raison de la nature surnaturelle de bobines. Si le choix du moment des pouls est juste juste sur ce moteur, cette poussée brève peut être utilisée pour augmenter le pouvoir du moteur au lieu de s’opposer à la rotation automobile. Cette caractéristique est aussi utilisée dans le moteur Adams décrit dans la section ‘d’Énergie libre’ de ce document. La force du champ magnétique produit par le solénoïde est affectée par le nombre de rend le bobine, le courant coulant par le bobine et la nature de ce qui est à l’intérieur du bobine ‘ancien’ (le tube sur lequel le bobine est la blessure). En passant, il y a plusieurs façons sophistiquées d’envelopper des bobines qui peuvent aussi avoir un effet, mais ici nous parlerons seulement des bobines où les tours sont la blessure côte à côte à angle droit à celui-là.
Si le coeur en fer mol est solide, un peu d’énergie se sent perdue par les courants coulant autour dans le fer. Ces courants peuvent être minimisés en utilisant des éclats fins de métal (appelé ‘les laminages) qui sont isolés l’un de l’autre. Vous le voyez le plus souvent dans la construction de transformateurs, où vous avez deux blessure de bobines sur un coeur simple. Comme c’est convenable pour la production en série, les transformateurs sont d’habitude la blessure comme deux bobines séparés qui sont alors placés sur une “figure de huit” coeur stratifié. Cependant, alors que toutes ces informations est utile, douce introduction à quel inducteur est, il ne donne pas la caractéristique la plus importante d’une bobine, qui est que chaque bobine stocke l’énergie quand il est connecté à une source d’alimentation et il retourne presque tous de cette énergie lorsqu’elle est déconnectée de la source d’alimentation. Le retour de l’énergie stockée se passe dans un très court laps de temps et cette caractéristique peut produire des systèmes puissants si vous avez l’expertise nécessaire pour capturer et utiliser ce pouvoir. Par exemple, il est pas inhabituel pour un système de 12 volts simple pour générer une série rapide d’impulsions de 400 volts qui peuvent être utilisées pour reconditionner et recharger les batteries de voiture. Il existe de nombreux exemples dans le chapitre 6. Paul Babcock (www.paulmariobabcock.com) a détruit plus d’un millier de transistors lors du développement de son système de moteur magnétique que le retour de l’énergie de la bobine est si rapide qu’il produit des flux de courant élevé, et si le condensateur dans lequel le retour de courant est alimenté est d’une faible capacité, des tensions supérieures à la tension d’alimentation sont produites. Pour les cent dernières années, ce genre d’information a été supprimée, afin de prendre ce qui est dit dans les manuels standard comme étant un mélange de demi-vérités et mensonges carrément. Comme «Kone» a démontré, si vous court-circuiter une bobine alimenté, il provoque des impulsions magnétiques multiples comme la puissance dans la bobine oscille vers l’arrière et vers l’avant à travers le circuit fermé contenant la bobine: ![]() Les transformateurs ![]() Si vous voulez changer le voltage de réserves de batterie, il est possible de construire un circuit électronique pour produire une tension alternative et utiliser ensuite un transformateur pour changer cette tension alternative à n’importe quel voltage que vous voulez. La forme la plus commune de cela, est pour produire le voltage de conduite principale d’une batterie automobile de 12 volts, pour que l’équipement de conduite principale puisse être dirigé dans les endroits lointains, comme les bateaux, les caravanes, etc. On appelle ces circuits ‘inverters’ et ils sont des morceaux très populaires d’équipement. Le voltage dans le bobine secondaire de n’importe quel transformateur est déterminé par le rapport des tours dans windings primaire et secondaire. Par exemple; s’il y a une tension alternative de 10 volts disponible et vous avez un transformateur qui a 100 tours dans le bobine primaire et 1000 tours dans le bobine secondaire. Si vous raccordez 10 Volts à travers le primaire, il y aura 100 Volts produits à travers le bobine secondaire. Au lieu de cela si vous raccordez 10 Volts à travers le bobine secondaire, un voltage de 1 volt sera produit à travers la sinuosité primaire. C’est parce qu’il y a un 10:1 le rapport entre deux windings. La Loi de Conservation d’Énergie s’applique aux transformateurs comme il fait à tout le reste. La puissance consommée à la sinuosité primaire sera le même comme le pouvoir dans la sinuosité secondaire moins les pertes. Les pertes, dans ce cas-là, seront une augmentation de température du transformateur entier. Si le courant a traversé le transformateur est bien au-dessous de sa capacité nominale, donc les pertes seront petites. Le point important est que 10 volts à 1 Ampère dans la sinuosité primaire produiront 100 Volts dans le secondaire, mais à un peu moins de 0.1 Ampères : la Puissance consommée est 10 Watts et la Puissance à la sortie est presque 10 watts. Le voltage a été levé à 100 volts mais l’attraction actuelle potentielle a été réduite de 1 Ampère à 0.1 Ampères (100 mA). En pratique, l’épaisseur du fil utilisé dans le windings est très importante. Si le voltage à être placé à travers la sinuosité est haut, donc le diamètre métallique sera petit. Le bobine enroulements a des résistances assez basses mais ce n’est pas critique dans les circuits comme les bobines opèrent d’une façon particulière. Les bobines ont le courant alternatif ‘l’impédance’ en plus de leur courant continu ‘la résistance’. Pendant que le Courant continu (d’une batterie, disent) peut couler tout à fait facilement par un bobine avec la résistance basse, le Courant alternatif peut avoir un emploi dur traversant le bobine en raison de sa haute ‘impédance’. Quelquefois, les bobines sont utilisés pour stopper n’importe quelle ondulation de courant alternatif (l’interférence) arrivant un câble d’alimentation de courant continu. Quand un bobine est utilisé pour ce but on l’appelle ‘un starter’. Chaque bobine a sa propre fréquence résonnante et à cette fréquence c’est très difficile pour le courant alternatif de traverser le bobine. Travail de radios de jeu en cristal sur ce principe : ![]() Ici, l’antenne ramasse chaque émission de station de radio dans la région. Ceux-ci sont tous à de différentes fréquences et ils tous sont à la tête en bas du fil aérien, en cherchant le sentier le plus facile à la connexion de terre. La plupart d’entre eux parcourent le bobine sans problème du tout. Si la fréquence résonnante du bobine correspond à la fréquence d’une des stations de radio, donc ce signal radio (et seulement que le signal) constate que cela très durement traverse le bobine et cherche un sentier plus facile à la terre. Le sentier suivant le plus facile est par la diode et le casque, donc le signal va que la voie. La diode bloque la partie du signal qui produit le son de l’émission de radio dans le casque. Ce système travaille très bien effectivement s’il y a un bon signal radio. Une diode de germanium est utilisée comme le voltage de signal radio est très petit et une diode de germanium opère sur 0.2 Volts pendant qu’une diode de silicium a besoin de 0.7 volts pour opérer. Cette différence est significative à ces voltages très bas. La fréquence résonnante du bobine dépend du nombre de rend le bobine. Dans ce design, le bobine a un slider qui permet au nombre de tours d’être changé et ainsi, les différentes stations de radio à être mises à l’écoute. Rectification et Alimentations électriques ![]() Si quatre diodes sont utilisées au lieu d’un, ils peuvent être arrangés comme montré dans le diagramme plus bas. On appelle cet arrangement de diodes ‘un pont’. Ici la partie positive du waveform coule par la diode bleue supérieure, la charge ‘L’ et sur par la diode bleue plus basse. La partie négative coule par la main gauche la diode rouge, la charge et ensuite l’assistant la diode rouge. Cela donne une beaucoup meilleure production waveform avec deux fois le pouvoir disponible. La tension de sortie sera 1.4 Volts moins que la tension de sortie de transformateur comme il y a deux diodes de silicium dans la chaîne de réserves. La production de même le redresseur de signe complet est toujours peu satisfaisante comme il y a une diminution de voltage des volts zéro 100 fois par seconde. Seulement quelques artifices opèrent bien avec une alimentation électrique comme ça, un bulbe incandescent comme utilisé dans une voiture peut utiliser cette production, mais alors, il pourrait utiliser les réserves de courant alternatif originales sans n’importe quelle rectification. Nous devons améliorer la production en utilisant un artifice de réservoir de fournir le courant pendant ces moments où le voltage tombe au zéro. L’artifice dont nous avons besoin est un Condensateur qui a eu l’habitude d’être appelé ‘un condensateur’. Le circuit d’une unité de conduite principale en utilisant un condensateur est montré ici : ![]() Pour améliorer la situation, il est normal d’insérer un circuit de contrôle électronique pour s’opposer à l’ondulation : ![]() Ce circuit utilise une nouvelle composante, une nouvelle variété de diode a appelé une diode ‘Zener’. Cet artifice a une goutte de voltage presque constante à travers cela quand sa direction bloquante courant se décompose. La diode est conçue pour opérer dans cet état pour fournir un voltage de référence. Le circuit utilise simplement un courant très petit du haut de la diode zener pour conduire les transistors de disciple-émetteur de paire Darlington ont eu l’habitude de fournir le courant de production. Avec ce circuit, quand le courant de production est augmenté, la résistance de la paire de transistor réduit automatiquement pour fournir plus actuel sans varier la tension de sortie. La résistance de 1K est incluse pour donner aux transistors un circuit accompli si aucun équipement externe n’est raccordé à travers les terminus de production. La diode zener est choisie pour donner 1.4 Volts plus que la tension de sortie voulue comme les deux transistors laissent tomber 1.4 Volts en accomplissant. Vous devriez noter que le transistor de production laisse tomber 6 Volts au courant de réserves complet. Les watts = les Volts x les Ampères ainsi le pouvoir dissipé par le transistor peuvent être tout à fait hauts. Il peut bien être nécessaire de monter le transistor sur une plaque en aluminium a appelé un ‘évier de chaleur’ pour l’empêcher de surchauffer. Quelques transistors de pouvoir, comme le 2N3055, ne font pas isoler le cas des parties actives du transistor. C’est la bonne pratique pour utiliser un joint de mica entre le transistor et l’évier de chaleur comme il accomplit alors la chaleur sans faire une connexion électrique à l’évier de chaleur en métal. Un condensateur, étant un réservoir électrique, peut être utilisé comme faisant partie d’un circuit de compte-minutes. Si l’écoulement actuel dans cela est restreint en le passant par une résistance. Le terme entre le commencement de l’écoulement sur un condensateur vide et le voltage à travers le condensateur atteignant un niveau choisi, sera constant pour un condensateur de haute qualité. ![]() Comme l’augmentation de voltage diminue, il devient plus difficile de mesurer la différence exactement, ainsi si le condensateur doit être utilisé pour produire un intervalle de temps, il est normal d’utiliser la première partie de la région de graphique où la ligne est assez droite et montant vite. Le Voltage Doubler ![]() Avec ce circuit, la production de transformateur est un voltage, dire “V” les volts de courant de courant alternatif. Cette production waveform est nourrie à “C1” de condensateur par “D1” de diode qui élague la partie négative du cycle. Cela produit une série de demi-cycles positifs qui montent “C1” de condensateur à toute vitesse avec un voltage positif “de V”. L’autre moitié de la production est nourrie à “C2” de condensateur par “D2” de diode qui coupe la partie positive du cycle, en faisant “C2” de condensateur développer un voltage de-V à travers cela. Comme les deux condensateurs sont ‘en série’ et non placés l’un à travers l’autre, leurs voltages s’accordent et produisent deux fois la tension de sortie de transformateur. Un mot d’avertissement ici. Le transformateur produit un courant alternatif waveform et ceux-ci sont marqués avec le voltage moyen du waveform, qui est d’habitude un signe de sinus. Le voltage maximal d’un sinewave est à 41 % plus grand que cela, ainsi si votre transformateur a une production de courant alternatif de 10 volts, donc les pics nourris aux condensateurs seront environ 14.1 volts. S’il n’y a aucune attraction actuelle des condensateurs (c’est-à-dire avec la charge éteinte), donc chaque condensateur y chargera 14.1 volts et la tension de sortie générale seront 28.2 volts et pas 20 volts auxquels vous pourriez vous attendre. Vous devez comprendre que comme c’est seulement des réserves de demi-signe, il y aura l’ondulation considérable sur la tension de sortie si l’attraction actuelle est haute. En utilisant un condensateur de polissage supplémentaire et le fait de faire l’attention aux estimations de voltage des condensateurs, le circuit de réserves de 28 volts pourrait y ressembler : ![]() le nombre de circuits électroniques qui peuvent être construits avec les composantes fondamentales comme les résistances, les condensateurs, les transistors, les bobines, est etc. limité seulement par votre imagination et besoins. Voici un circuit où deux transistors opèrent comme une paire : ![]() Si le changement de bouton-poussoir le fait d’être pressé, cela les court-circuits la jonction de base/émetteur de transistor TR1. Cela prévient n’importe quel courant coulant dans la jonction de base/émetteur et ainsi les changements TR1 durement de. Cela fait le voltage au point l’augmentation de ‘C’ aussi haut qu’il peut. Cela laisse le transistor TR2 actionné par R1 et R2 qui ont 11.3 Volts à travers eux et échange TR2 durement sur. Cela tire le point ‘D’ en bas à environ 0.1 volts. Cela arrive dans moins que d’une millionième d’une seconde. Quand le changement de bouton-poussoir le fait d’être libéré, le transistor que TR1 n’allume pas de nouveau parce que son courant basé coule par la résistance R3 qui est raccordé pour montrer ‘D’ qui est loin, loin au-dessous de 0.7 volts devait faire TR1 commencer à accomplir. Le résultat consiste en ce que quand le bouton-poussoir le fait d’être pressé, le transistor TR2 allume et reste même lorsque le bouton-poussoir le fait d’être libéré. Cela échange le transistor TR3 d’et prive la Charge de courant. C’est le premier ‘état ferme’. La même chose arrive quand le bouton-poussoir ‘B’ est appuyé. Cela force le transistor TR2 dans son de l’état, en levant le point ‘D’ à un haut voltage, en échangeant le transistor TR3 durement sur, en branchant la Charge et en tenant le transistor TR1 durement de. C’est les deuxièmes des deux ‘états fermes. En fait, ce circuit ‘se souvient’ que le bouton-poussoir a été appuyé dernier, donc les millions de ces circuits sont utilisés dans les ordinateurs comme la Mémoire d’Accès aléatoire (‘la RAM’). Le voltage au point ‘C’ est l’inverse du voltage au point ‘D’, ainsi si ‘D’ va haut alors ‘C’ va bas et si ‘D’ va bas, donc ‘C’ va haut. En passant, on appelle souvent la production à ‘D’ ‘Q’ et on appelle la production à ‘C’ ‘Q-bar‘ qui est montré comme la lettre Q avec une ligne horizontale tirée au-dessus de cela. C’est montré su le diagramme de circuit suivant. Une variation mineure de ce circuit permet à une charge d’être stimulée quand le circuit est actionné en haut : ![]() Quand actionné en bas, le ‘C1’ de condensateur dans ce circuit est complètement renvoyé par la résistance ‘R6’. Quand les réserves de 12 volts sont raccordées au circuit, C1 de condensateur ne charge pas immédiatement et maintient ainsi la base en place de TR2 au-dessous de 0.7 volts pour beaucoup plus long qu’il prend pour le transistor TR1 pour allumer (qui, à son tour, tient TR2 durement de). Surveillez-vous, s’il n’est pas nécessaire d’avoir la Charge tenue actionné sur indéfiniment, ensuite un circuit encore plus simple peut le faire : ![]() Ici, quand le changement est fermé, les deux côtés du C1 de condensateur sont à 12 volts et cela fait le 1K8 la résistance accomplir lourdement, en conduisant le transistor et en branchant la charge. Le condensateur charge rapidement par le transistor et les portées le point auquel il ne peut plus garder le transistor allumé. Quand la batterie est éteinte, le 1M la résistance renvoie le condensateur, prêt pour la prochaine fois la batterie est raccordée. Le Multivibrateur Monoferme. ![]() Dans ce circuit, la résistance ‘R’ et les valeurs ‘C’ de condensateur déterminent de quelle longueur le monoferme sera dans son état instable. Le circuit opère comme cela :
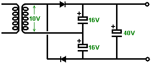
Ce circuit pourrait être utilisé pour allumer un four à micro-ondes pour n’importe quel nombre choisi de secondes, créer un retard sur votre sonnerie d’alarme construite de maison, pour vous donner chronomètrent pour l’éteindre après le fait de marcher par votre porte d’entrée, faire marcher une valve à solénoïde pour nourrir une quantité prédéterminée de boisson dans une bouteille sur une chaîne de fabrication, ou quels que soit… Le multivibrateur Astable. ![]() Le taux du fait d’échanger est contrôlé par le R1/C1 et les combinaisons R2/C2. On appelle la charge À TEMPS à son du temps le rapport ‘spatial de marque’, où le SUR la période est ‘la marque’ et LE de la période est ‘l’espace’. Si vous voulez utiliser des condensateurs électrolytiques qui ont leur propre polarité, donc la fin de ve de chaque condensateur est raccordée au collectionneur de transistor. Pendant qu’il est bon de comprendre comment ces circuits de multivibrateur opèrent et peuvent être construits, de nos jours il y a des circuits pré-construits encased dans un paquet simple que vous voudrez beaucoup mieux utiliser. On appelle ceux-ci les Circuits intégrés ou ‘ICs’ pour court. Nous discuterons ceux-ci bientôt. Avant que nous faisons, remarquez que dans le circuit ci-dessus, le transistor TR3 a été changé à une nouvelle variété a appelé un Transistor d’Effet de Terrain (‘FET’). Ce type de transistor est plus nouveau que les transistors ‘bipolar’ montrés dans les plus premiers circuits. FETs entrent dans deux variétés : ‘le n-canal’ qui ressemblent aux transistors NPN et ‘au p-canal’ qui ressemblent aux transistors PNP. FETs sont plus difficiles de faire, mais avoir maintenant atteint un niveau de prix et d’intégrité qui les rend très utiles effectivement. Ils n’exigent presque aucun courant basé (appelé le courant ‘de porte’ avec ce type de transistor) qui signifie qu’ils n’ont presque aucun effet sur n’importe quel circuit auquel ils sont attachés. Aussi, beaucoup d’entre eux peuvent manipuler de grands courants et se vanter le pouvoir important manipulant des capacités. À cause de cela, il est ordinaire de les voir packaged avec une plaque en métal montante, prête à être verrouillé à une plaque d’évier de chaleur en aluminium pour aider à dissiper la chaleur produite par la grande quantité de pouvoir coulant par eux. Le ‘RFP50N06’ montré ci-dessus peut manipuler jusqu’à 50 volts et porter jusqu’à 60 Ampères, qui est la manipulation de pouvoir sérieuse. Inverters ![]() Si aucun des changements de bouton-poussoir n’est fait marcher, le transistor n’a aucun écoulement de courant de base/émetteur et donc c’est débranché. Cela place le voltage de collectionneur à ‘C’ près du rail positif (5 volts). Si le bouton-poussoir échange le fait d’être fait marcher, le voltage basé essaie de monter à la moitié du voltage de batterie, mais ne le fait pas parce que la base de transistor l’accroche à 0.7 volts. Cela nourrit le courant basé au transistor, en l’échangeant durement sur et en provoquant la production à ‘C’ tomber à presque 0 volts. Si le changement de bouton-poussoir ‘B’ est fait marcher (ne le font pas quand échangent le fait d’être fermé ou vous recevrez un très haut courant ‘de court-circuit’ coulant directement par les deux changements) il n’a aucun effet sur la tension de sortie qui restera haute. Si nous redessinons le circuit comme cela : ![]() Nous pouvons le voir si le voltage à la contribution le fait d’être pris haut, donc la tension de sortie à ‘C’ sera basse. Si le voltage à la contribution le fait d’être pris bas, donc la tension de sortie à ‘C’ sera haute. On appelle un circuit qui le fait un ‘Inverter’ parce qu’il ‘inverse’ (ou ‘tourne à l’envers’) la tension d’entrée. Nous pouvons résumer cette opération dans une table. Personnellement, j’appellerais la table une table ‘d’Entrée/sortie’, mais pour aucune raison évidente, le nom standard est une table ‘de Vérité’. Le but de cette table est d’énumérer toutes les contributions possibles et le spectacle la production correspondante pour chaque contribution. Une autre norme, doit remplacer ‘1’ au ‘Haut Voltage’ et ‘0’ pour le ‘Voltage Bas’. Vous remarquerez que beaucoup d’articles d’équipement électrique et électronique ont ces symboles sur le SUR / du changement. Dans l’ensemble de circuits informatique (hah! vous n’avez pas remarqué que nous avions bougé aux circuits informatiques, n’est-ce pas ?), ‘le 0’ représente n’importe quel voltage au-dessous de 0.5 volts et ‘le 1’ représente n’importe quel voltage au-dessus de 3.5 volts. Beaucoup, si pas le plus, les ordinateurs font marcher leurs circuits logiques sur 5 Volts. Ce circuit Inverter est un circuit ‘logique’. Une critique sur le susdit circuit est que sa résistance de contribution ou ‘impédance’ ne sont pas particulièrement hauts et son impédance de production n’est pas particulièrement basse. Nous voudrions que nos circuits logiques soient en mesure de faire marcher les contributions de huit autres circuits logiques. Le jargon pour cela est que notre circuit devrait avoir ‘le fait de se déployer en éventail’ de huit. Allons pour une modification simple qui améliorera la situation : ![]() Ici, l’impédance de contribution a été augmentée par un facteur de 100 en utilisant une paire Darlington de transistors qui ont besoin de beaucoup moins de courant basé et peuvent ainsi avoir une beaucoup plus haute résistance de contribution. Malheureusement, l’impédance de production est toujours assez haute quand les transistors sont dans leur de l’état comme n’importe quel courant pris de la ligne positive doit couler par le 1K8 la résistance (de 1800 ohms). Mais nous avons besoin de cette résistance pour quand les transistors sont dans leur SUR l’état. Nous avons vraiment besoin de changer le 1K8 la résistance pour un artifice qui a une haute résistance à quelques fois et à une résistance basse à d’autres temps. Vous n’avez pas sans doute entendu de ces artifices, mais on les appelle ‘les transistors’. Il y a plusieurs façons de le faire. Nous pourrions vouloir utiliser des transistors PNP (nous utilisons normalement des types de NPN) et raccordez ceux-ci à la place le 1K8 la résistance. Peut-être nous pourrions utiliser un circuit comme cela : ![]() Ce circuit commence à sembler compliqué et je n’aime pas de circuits compliqués. Il n’est pas aussi mauvais qu’il regarde. Les transistors NPN au fond sont presque le même comme le circuit précédent. La seule différence est que la charge de collectionneur est maintenant deux résistances de 100 ohms plus la résistance des deux transistors. Si les transistors PNP sont DÉBRANCHÉS quand les transistors NPN ont lieu, donc le circuit chargeant sur les transistors NPN sera négligeable et toute la production de transistors NPN sera disponible pour conduire des circuits externes par la résistance de 100 ohms plus basse (un grand ‘se déploient en éventail’ pour ‘le 0’ l’état logique). Pour s’assurer que les transistors PNP sont durs d’avant les transistors NPN commencent à allumer, la résistance ‘R1’ doit être choisi soigneusement. Les transistors PNP sont un reflet exact du côté NPN, donc la résistance R2 doit être choisi soigneusement pour garantir que les transistors NPN sont échangés durement d’avant les transistors PNP commence à allumer. Vous n’avez pas besoin de vous concerner excessivement avec ce circuit, parce que vous utiliserez presque bien sûr un Circuit intégré plutôt que construire votre propre circuit des composantes ‘séparées’. Un Circuit intégré contenant six inverters complets est les 7414 qui est montré ci-dessus. Cela entre dans un petit cas noir avec deux rangs de 7 épingles qui le font ressembler un peu à une chenille. Parce qu’il y a deux rang d’épingles, on appelle l’emballage “Double Dans-ligne” ou “DIL” pour court. Maintenant, considérez le circuit suivant : ![]() Ce circuit fait marcher la même voie que le circuit Inverter, sauf qu’il a deux contributions – dans l’anglais : (‘A’ AND ‘B’). La tension de sortie à ‘C’ sera basse si, ou tous les deux, des contributions sont hauts. Le temps seul que la production est haute, est quand tant la Contribution ‘A’ “AND” la Contribution ‘B’ sont bas. Par conséquent, on appelle le circuit un “AND” la porte. À proprement parler, parce que la tension de sortie descend quand la tension d’entrée monte, on l’appelle un “not AND” la porte, qui est raccourcie à une porte “NAND”. Dans ce contexte, le mot “pas” les moyens “inversés”. Si vous avez nourri la production ‘C’ dans un circuit inverter, le circuit s’ensuivant serait un vrai “AND” une porte. Les symboles de circuit numériques sont : ![]() Ainsi pourquoi on l’appelle “une Porte” – n’est pas cela juste inverter double ? Bien, oui, c’est inverter double, mais inverter double agit comme une porte qui peut passer ou bloquer un signal électronique. Considérez ce circuit : ![]() Ici, les transistors ‘TR1’ et ‘TR2’ sont raccordés pour former un astable (le multivibrateur). Les courses astables librement, en produisant le dessin de voltage de signe carré montré dans rouge. Le transistor ‘TR3’ transmet ce signal de voltage. TR3 inverse le signe carré, mais cela n’a aucun effet pratique, la production étant le même signe de carré de fréquence que le signal pris du collectionneur de TR2. Si le changement de bouton-poussoir au point ‘A’ est fait marcher, un courant est nourri à la base de TR3 qui le tient durement sur. Le voltage au point ‘C’ tombe au zéro et aux séjours là. Le signal de signe carré venant du collectionneur de TR2 est bloqué et n’atteint pas le point de production ‘C’. Il est comme ‘si une porte’ physique a été fermée, en bloquant le signal d’atteindre le point ‘C’. Aussi longtemps que le voltage au point ‘A’ est bas, la porte est ouverte. Si le voltage au point ‘A’ va haut, la porte est fermé et la production est bloquée. Il n’y a aucun besoin pour un changement manuel au point ‘A’ . N’importe quel circuit échangeant électronique fera : ![]() Ici, une course à pied lente astable est substituée pour le changement manuel. Quand la tension de sortie de ‘2 Astables’ va haut, il échange le transistor de porte que ‘TR3’, en le tenant durement sur et le fait de bloquer le signe carré indiquent de ‘1 Astable’. Quand la tension de sortie de ‘2 Astables’ va bas, il libère le transistor ‘TR3’ et il passe alors le ‘1’ signal Astable par de nouveau. La conséquence gated waveform est montrée dans rouge au point ‘C’ et c’est des éclatements de signal, contrôlé par le taux courant de ‘2 Astables’. C’est la sorte de waveform que Stan Meyer a trouvé très efficace dans le fendage de l’eau dans l’Hydrogène et l’Oxygène (voir le Chapitre 10). Ce circuit pourrait aussi être tiré comme : ![]() Le petit cercle sur le côté de production d’artifices logiques doit montrer qu’ils inversent des circuits, autrement dit, quand la contribution monte, la production descend. Les deux artifices logiques que nous avons rencontrés pour l’instant ont eu ce cercle : l’Inverter et la porte NAND. Si vous voulez, vous pouvez utiliser un circuit intégré de porte NAND qui fait construire l’ensemble de circuits aussi comme une gâchette de Schmitt, qui comme vous vous souviendrez, a une production vite échangeant même avec une contribution lentement bougeante. Avec un circuit intégré comme ça, vous pouvez recevoir trois différentes fonctions d’un artifice : ![]() Si les deux contributions d’une porte NAND sont raccordées ensemble, donc la production sera toujours l’opposé de la contribution, c’est-à-dire les actes de porte comme un inverter. Cet arrangement travaille aussi comme une Gâchette de Schmitt en raison de la façon que l’ensemble de circuits de porte NAND est construit. Il y a plusieurs paquets construits avec ce type d’ensemble de circuits, l’un montré voici “le 74132” le circuit intégré qui contient quatre “contribution double” les portes de NAND. Les portes peuvent avoir presque n’importe quel nombre de contributions mais il est rare d’avoir besoin de plus de deux dans n’importe quel circuit donné. Un autre circuit intégré avec les connexions d’épingle identiques est le 4011 circuit intégré (qui n’est pas un circuit Schmitt). Cette ‘contribution double quadruple’ le paquet de porte de NAND utilise une méthode de construction appelée “CMOS” qui est très facilement nui par l’électricité statique jusqu’à vraiment ne raccordé dans un circuit. Les circuit intégré de CMOS peuvent utiliser une large gamme de voltages et prendre très peu de courant. Ils sont bon marché et très populaires Le nombre d’artifices introduits dans un Circuit intégré est d’habitude limité par le nombre d’épingles dans le paquet et une épingle est nécessaire pour une connexion à ‘le monde extérieur’. Les paquets sont faits avec 6 épingles (d’une manière caractéristique pour opto-isolators), 8 épingles (beaucoup de circuits généraux), 14 épingles (beaucoup de circuits généraux, les circuits logiques surtout informatiques), 16 épingles (idem, mais pas comme communs) et ensuite un saut aux grands nombres d’épingles pour de Grands artifices d’Échelle comme les microprocesseurs, les circuit intégré de mémoire, etc. Le paquet d’IC standard est petit : ![]() Les circuits de prototype sont souvent construits sur le ‘conseil de bande’ qui est un conseil rigide avec les bandes de cuivre courant le long d’un visage et a frappé avec une matrice de trous. Les bandes sont utilisées pour faire les connexions électriques et sont cassées où nécessaire. On appelle d’habitude ce conseil de bande “Veroboard”: ![]() De nos jours, les trous de conseil de bande sont 2.5 millimètres espacés (1/10”) à part qui signifie que les trous entre les bandes couleur cuivre sont très petits effectivement. Je personnellement, constatez qu’il tout à fait difficile de réussir soude des articulations sur les bandes sans le fait de souder construisant un pont entre deux bandes adjacentes. Sans doute, un plus petit fer de soudure est nécessaire. Je dois utiliser un 8x la loupe pour être sûr que pas ne soudent le fait de construire un pont reste dans l’endroit avant qu’un nouveau circuit est actionné en haut pour la première fois. De petits doigts et une bonne vue sont un avantage incontestable pour la construction de carte de circuit. L’écartement étroit des trous est pour que la norme IC DIL le paquet aille directement sur le conseil. Les circuits construits en utilisant l’ensemble de circuits informatique, peuvent connaître des problèmes avec les changements mécaniques. Un interrupteur d’éclairage ordinaire allume la lumière et de. Vous l’allumez et la lumière avance. Vous l’éteignez et la lumière part. La raison il travaille si bien est que l’ampoule prend peut-être, un dixième d’une seconde pour avancer. Les circuits informatiques peuvent allumer et de 100,000 fois dans ce dixième d’une seconde, donc quelques circuits ne travailleront pas correctement avec un changement mécanique. C’est parce que le contact de changement rebondit quand il ferme. Il peut rebondir une fois, deux fois ou plusieurs fois selon comment le changement est fait marcher. Si le changement est utilisé comme une contribution à un circuit de compte, le circuit peut le compte 1, 2 ou plusieurs contributions de changement pour une opération du changement. C’est normal “au de-rebond” n’importe quel changement mécanique. Cela pourrait être fait en utilisant deux ou trois portes NAND raccordées comme cela : ![]() Ici, le changement mécanique est buffered par ‘un loquet’. Quand le changement ‘de Jeu’ est fait marcher, la production va bas. La contribution sans lien entre eux/elles de porte ‘1’ les actes comme s’il y a un Haut voltage (en raison de la voie le circuit de porte NAND a été construit). L’autre contribution est tenue bas par la production de porte ‘2’. Cela pousse la production de porte ‘1’ haut, qu’à son tour, tient la production de porte ‘2’ bas. C’est le premier état ferme. Quand le changement ‘de Jeu’ est fait marcher, la production de porte ‘2’ est conduite haut. Maintenant, les deux contributions de porte ‘1’ sont hautes qui fait sa production aller bas. Cela à son tour, conduit une contribution de porte ‘2’ bas, qui tient la production de porte ‘2’ haut. C’est le deuxième état ferme. Résumer : la pression sur ‘le Jeu’ échange n’importe quel nombre de temps, fait la production aller bas, une fois et seulement une fois. La production restera basse jusqu’à ce que le changement ‘de Reconstruction’ soit fait marcher une fois, deux fois ou n’importe quel nombre de temps, auquel le point la production ira haut et restera là. Ce circuit utilise juste la moitié d’un circuit intégré de porte NAND bon marché pour créer un multivibrateur bistable qui est physiquement très petit et clair. Circuits de Porte : ![]() Ce circuit est composé d’un détecteur de pluie, deux multivibrateurs astables et un chauffeur de pouvoir nourrissant un haut-parleur :
Ainsi pourquoi ce circuit oscille-t-il ? : ![]() Le circuit n’oscillera pas si la contribution gating est basse, supposez ainsi que c’est haut. Prenez le moment où la production de porte 2 est basse. Pour cela pour arriver, les contributions de porte 2 doivent être hautes. Comme la production de porte 1 est télégraphiée directement aux contributions de porte 2, cela doit être haut et pour cela pour être vrai, au moins une de ses contributions doit être basse. Cette situation est montrée à droite. Il y a maintenant une goutte de voltage complète entre le point ‘A’ et le point ‘B’. La résistance de 47K et le condensateur sont en série à travers cette goutte de voltage, donc le condensateur commence à monter à toute vitesse, en levant progressivement le voltage au point ‘C’. Plus bas la valeur de la résistance, plus vite les augmentations de voltage. Plus grand la valeur du condensateur, plus lentement les augmentations de voltage. Quand le voltage au point les augmentations de ‘C’ suffisamment, la résistance de 100K lève la tension d’entrée de porte 1 assez loin pour le faire changer l’état. Cela crée la situation suivante : ![]() Maintenant, le voltage à travers ‘A’ à ‘B’ est inversé et le voltage au point ‘C’ commence à tomber, son taux gouverné par la grandeur de la résistance de 47K et du 1 condensateur microfarad. Quand le voltage au point ‘C’ tombe assez bas, il prend la contribution de porte 1 assez bas (via la résistance de 100K) pour faire la porte 1 échanger l’état de nouveau. Cela prend le circuit à l’état initial discuté. C’est pourquoi le circuit oscille constamment jusqu’à ce que la contribution gating de porte 1 ne soit prise bas pour bloquer l’oscillation. Maintenant, voici un circuit de porte NAND pour un séquentiel Sur/De le changement : ![]() Ce circuit allume la Diode Émettante Claire et de plusieurs fois avec chaque opération du changement de bouton-poussoir. Quand le Sur/De le changement est fermé, ‘C1’ de condensateur tient le voltage au point ‘A’ bas. Cela conduit la production de porte 1 haut, qui déplace les contributions de porte 2 haut via la résistance de 100K ‘R1’. Cela conduit le voltage au point ‘B’ bas, en éteignant le transistor, qui fait le MENÉ rester à la maison son de l’état. Le voltage bas au point ‘B’ est nourri en arrière via la résistance de 100K ‘R2’ pour montrer ‘A’, en le gardant bas. C’est le premier état ferme. Comme la production de porte 1 est des charges de ‘C2’ hautes, de condensateur jusqu’à ce voltage via le 2M2 la résistance. Si le changement de bouton-poussoir est fait marcher brièvement, le haut voltage de ‘C2’ lève le voltage de point ‘A’, en provoquant la porte 1 changer l’état et par conséquent, la porte 2 pour changer l’état aussi. De nouveau, le haut voltage au point ‘B’ est nourri en arrière pour montrer ‘A’ via la résistance de 100K ‘R2’, en le gardant haut, en maintenant la situation. C’est le deuxième état ferme. Dans cet état, montrez ‘B’ a un haut voltage et cela nourrit la base du transistor via le 4.7K la résistance, en l’allumant et en allumant le MENÉ. Dans ce deuxième état, la production de porte 1 est basse, ainsi les renvois de ‘C2’ de condensateur rapidement à un voltage bas. Si le changement de bouton-poussoir est fait marcher de nouveau, le voltage bas de trajets de ‘C2’ montrent ‘A’ bas de nouveau, en faisant le circuit mal tourner à son état ferme original. Nous, si nous avons voulu, pourrions modifier le circuit pour qu’il opère depuis trois ou quatre minutes après le changement – sur, mais arrêterait alors d’opérer jusqu’à ce que le circuit n’ait été éteint et sur de nouveau. C’est accompli par gating une des portes au lieu de juste utiliser tous les deux comme inverters. Si nous gated la deuxième porte, donc le MENÉ serait quitté en permanence sur, donc nous modifierons le premier circuit de porte : ![]() Ce circuit fait marcher exactement la même voie que le circuit précédent si et seulement si, le voltage au point ‘C’ est haut. Avec le voltage au point ‘C’ haut, la porte 1 est libre de réagir au voltage au point ‘A’ comme auparavant. Si le voltage au point ‘C’ est bas, il ferme la production de porte 1 au haut niveau, en forçant la production de porte 2 au niveau bas et en repoussant le MENÉ. Quand le circuit est d’abord actionné en haut, les 100 nouveaux ‘C3’ microfarad de condensateur est complètement renvoyé, qui tire le voltage au point ‘C’ à presque 9 volts. Cela permet à la porte 1 d’opérer librement et le MENÉ peut être toggled sur et de comme auparavant. Comme les laisser-passer de temps, la charge sur ‘C3’ de condensateur s’accumule, nourri par le 2M2 la résistance. Cela fait le voltage au point ‘C’ tomber progressivement. Le taux de chute est gouverné par la grandeur du condensateur et de la grandeur de la résistance. Plus grand la résistance, plus lentement la chute. Plus grand le condensateur, plus lentement la chute. Les valeurs montrées sont d’aussi grand que sont pratiques, en raison ‘de la fuite’ actuelle de ‘C3’. Après trois ou quatre minutes, le voltage au point ‘C’ est poussé assez bas à faire marcher la porte 1 et prévenir l’opération de plus du circuit. Ce type de circuit pourrait faire partie d’un jeu compétitif où les concurrents ont un temps limité pour accomplir une tâche. Les portes peuvent aussi être utilisées comme les amplificateurs bien qu’ils ne soient pas destinés pour être utilisés que la voie et il y a de bien meilleurs circuits intégrés de quel construire des amplificateurs. Le circuit suivant montre comment cela peut être fait : ![]() Ce circuit opère quand il y a un changement soudain dans le niveau clair. Le niveau clair précédent échangeant le circuit a été conçu pour déclencher à un niveau particulier d’augmentation ou de diminution du niveau d’éclairage. C’est un circuit découvrant ombre qui pourrait être utilisé pour découvrir quelqu’un marchant devant une lumière dans un corridor ou un peu de situation semblable. Le niveau de voltage au point ‘A’ prend une valeur selon le niveau clair. Nous nous intéressons pas particulièrement à ce niveau de voltage puisqu’il est bloqué de l’ensemble de circuits suivant par ‘C1’ de condensateur. Le point ‘B’ ne reçoit pas de pouls de voltage à moins qu’il n’y ait un changement soudain de voltage au point ‘A’, c’est-à-dire il y a un changement soudain dans le niveau clair atteignant la résistance dépendante-claire ORP12. La première porte amplifie ce pouls à environ cinquante fois. La porte est efficacement abusée et forcée à opérer comme un amplificateur par le 10M la résistance raccordant sa production à sa contribution. Au changement – sur, la production de porte 1 essais d’aller bas. Comme ses gouttes de voltage, il commence à descendre ses propres contributions via la résistance. En poussant le voltage sur les contributions en bas, débuts lever la tension de sortie, qui commence à lever la tension d’entrée, qui commence à baisser la tension de sortie, que …… le résultat est que tant les contributions que la production prennent un voltage intermédiaire (que les créateurs de circuit intégré n’ont pas destiné). Ce niveau de voltage intermédiaire est très affecté facilement par un pouls externe comme cela produit par l’ORP12 par ‘C1’ de condensateur. Quand ce pouls arrive, une version amplifiée du pouls provoque une fluctuation de voltage à la production de porte 1. Ce changement de voltage est passé par la résistance de diode et variable à la contribution de porte 2. Les portes 2 et 3 y sont télégraphiées ensemble comme une gâchette de Schmitt improvisée la tension de sortie au point ‘D’ est nourri en arrière pour montrer ‘C’ via une haute résistance de valeur. Cela aide à rendre leur changement d’état plus rapide et décisif. Ces deux portes sont utilisées pour passer un changement complet d’état au transistor de stade de production. La résistance variable est réglée pour que la porte 2 doit à peu près changer l’état et soit facilement déclenchée par le pouls de la porte d’amplificateur 1. La production est montrée comme un MENÉ mais il peut être n’importe quoi que vous choisissez. Cela pourrait être un équipe de relais utilisé pour allumer un artifice électrique, un solénoïde a eu l’habitude d’ouvrir une porte, un comptoir pour garder la trace du nombre des gens utilisant un passage, etc. etc. Notez s’il vous plaît qu’un circuit intégré d’amplificateur opérationnel (qui sera décrit plus tard) est un bien meilleur choix d’IC pour un circuit de ce type. Un amplificateur de porte est montré ici seulement pour montrer une autre voie qu’une porte peut être utilisée. Le 555 Compte-minutes IC : Il y a un circuit intégré exceptionnellement utile désigné par le numéro 555. Ce circuit intégré est conçu pour être utilisé dans les circuits de compte-minutes et d’oscillateur. Son utilisation est si étendue que le prix de circuit intégré est très bas pour sa capacité. Il peut opérer avec les voltages de 5 volts à 18 volts et sa production peut manipuler 200 mA. Il prend 1 mA quand sa production est basse et 10 mA quand sa production est haute. Il entre dans un paquet Double-dans-ligne de 8 épingles et il y a une version de paquet de 14 épingles qui contient deux 555 circuits séparés. Les connexions d’épingle sont : ![]() Cet artifice peut opérer comme un multivibrateur monoferme ou astable, une gâchette de Schmitt ou un butoir inversant (la contribution actuelle basse, la haute production actuelle). Ici il est télégraphié comme une gâchette de Schmitt et pour la variation, il est montré en déclenchant un triac qui restera alors jusqu’à ce que le circuit ne soit actionné en bas (un SCR pourrait être utilisé tout aussi bien avec ce circuit de courant continu) : ![]() Et ici, un monoferme : ![]() Et voici deux astables, dont les deuxièmes ont fixé, le rapport de marque/espace égal et le premier un temps de tension de sortie haut déterminé par Ra Rb et un temps de production de voltage bas déterminé par Rb (2:1 dans ce cas-là) : ![]() ![]() ![]() Notez : la haute fuite de grands condensateurs électrolytiques de valeur les prévient être utilisé avec de hautes résistances de valeur dans le choix du moment des circuits. Au lieu de cela utilisez un plus petit condensateur et suivez le circuit de choix du moment avec un circuit intégré “division-par-N” pour donner des longs termes exactement chronométrés. Pas tous les 555 circuit intégré ont une qualité industrielle suffisante pour eux d’opérer correctement au-dessus de 20,000 Hz, donc pour les plus hautes fréquences le circuit intégré doit être choisi après le fait d’évaluer sa performance réelle. Nous pouvons aussi télégraphier aux 555 pour donner un rapport de marque/espace variable en tenant la fréquence de l’oscillation fixée : ![]() La production waveform les changements radicalement comme la résistance variable est réglée, mais la fréquence (ou le terrain de la note) de la production reste inaltérée. Une version de fréquence variable de ce circuit peut être produite en changeant la résistance de 33K à une résistance variable comme montré ici : ![]() Ici, la résistance de 33K a été remplacée par deux résistances variables et une résistance fixée. La résistance variable principale est 47K dans la grandeur (un choix presque arbitraire) et il mange à une deuxième résistance variable de 4.7K dans la grandeur. L’avantage de cette deuxième résistance variable consiste en ce qu’il peut être mis à c’est le milieu du point et la fréquence s’accordant fait avec la variable de 47K. Quand la fréquence est environ correcte, le 4.7K la variable peut être utilisée à l’air parfait la fréquence. C’est convenable comme la petite variable aura dix fois plus de mouvement de bouton comparé à la variable principale (étant tout à l’heur 10 % de sa valeur). Évidemment, il n’est pas nécessaire d’avoir la résistance variable parfait s’accordant et il peut être omis sans changer l’opération du circuit. Comme la résistance de variable de 47K peut être montrée à la résistance zéro et le 4.7K la résistance variable peut aussi être montrée à la résistance zéro, éviter qu’un court-circuit complet entre la production épingle 3 et la résistance de variable de Marque/Espace de 50K, un 3.3K la résistance fixée est incluse. Dans ce circuit, la fréquence est mise par votre choix de la chaîne de résistance 47K 4.7K 3.3K (ajustable de 55K à 3.3K) et le 100nF (0.1 microfarad) le condensateur entre l’épingle 6 et le rail de volt zéro. En faisant le condensateur plus grand, baisse la bande de fréquences. En faisant les résistances plus grandes, baisse aussi la bande de fréquences. Naturellement, en réduisant la grandeur du condensateur et-ou en réduisant la grandeur de la chaîne de résistance, lève la fréquence. Un 555 circuit intégré peut être utilisé à la porte un deuxième 555 circuit intégré via son épingle 4 option ‘de Reconstruction’. Vous vous souviendrez que nous avons déjà développé un circuit pour faire cette utilisation de deux astables et d’un transistor. Nous avons aussi produit le même effet en utilisant quatre portes NAND. Ici, nous créerons la même production waveform l’utilisation de l’ensemble de circuits plus conventionnel de deux 555 ICs : ![]() Les deux des 555 circuits peuvent être achetés dans un paquet de DIL simple de 14 épingles qui est désigné ‘556’. Il y a beaucoup de types de circuit supplémentaires qui peuvent être créés avec le 555 circuit intégré. Si vous voulez explorer les possibilités, je suggère que vous recevez une copie du livre “IC 555 Projects” par E.A. Parr, ISBN 0-85934-047-3. Un tableur est inclus qui calcule les fréquences produit avec les valeurs composantes différentes pour les 555 fondamentaux astables et monofermes. Il montre aussi le Cycle de Devoir qui est le rapport d’à temps au du temps et des temps réels du SUR et des signaux. “Le SUR” le signal est pris pour être quand la production est à un haut voltage. D’accord, supposez que nous voulons concevoir et construire un circuit pour faire le même comme le circuit pulser de Bob Beck mentionné dans le chapitre 11. Les exigences doivent produire une production de signe carrée circulant quatre fois par seconde en utilisant une alimentation électrique de 27 volts, le circuit étant actionné par trois petite grandeur PP3 batteries. Un choix évident pour le circuit semble être un NE555 de compte-minutes qui est petit, robuste et bon marché et un circuit convenable aurait l’air d’être : ![]() Cela nous laisse avec le choix d’une valeur pour le condensateur et la résistance. Nous devons faire l’attention au fait que le circuit courra sur 27 volts et pendant que le condensateur ne chargera jusqu’à rien comme ce voltage, nous choisirons toujours celui qui survivra 27V. En regardant eBay local montre qu’un paquet de dix condensateurs de 1 microfarad estimé à 50V peut être acheté pour juste £1 en incluant l’affranchissement, prendre ainsi que comme la valeur pour “C”. Le fait de regarder la 555 table de fréquences au-dessus des spectacles : ![]() Qui indique que pour recevoir le circuit échangeant quatre fois par seconde (4 Hz) la résistance “R” aura besoin d’être quelque part entre 100 Ko et 470 Ko. Avec mon condensateur, 120 Ko est du droit. Pendant que la fréquence échangeante ne doit pas être exacte, visons à le recevoir correct. Le plus raisonnablement les composantes de priced ont une tolérance d’environ 10 % donc nous devons choisir notre combinaison de résistance/condensateur pour les valeurs exactes des composantes réelles que nous utiliserons. Pour cela, il vaut la peine de construire le circuit sur ‘une planche à pain’ moins soude, ainsi regarder eBay de nouveau nous constatons qu’un petit conseil enfichable convenable peut être acheté et livré pour £3 . Il y ressemble : ![]() Ces conseils permettent à ICs d’être branchés en s’étendant sur la division centrale, en quittant jusqu’à cinq connexions supplémentaires sur chaque épingle. Les longueurs courtes de fil de-base-solide peuvent être utilisées pour communiquer entre n’importe quels deux trous de douille. Cela nous permettra de nous connecter dans un de nos condensateurs et trouver quelle résistance (ou quelles deux résistances) font le circuit échanger quarante fois dans dix secondes. Pourtant, si nous allons à www.alldatasheet.co.kr et téléchargent les données pdf pour le circuit intégré NE555, nous constatons que le 555 voltage maximum est tout à fait limité : ![]() Cela signifie que le circuit intégré est enclin d’incendier immédiatement s’il est nourri plus de 16 volts. Comme nous devons diriger notre circuit sur 27V c’est un problème. Comme le 27V est fourni par trois batteries séparés, nous pourrions fournir le NE555 de juste un des batteries et le diriger sur 9V qui serait bien du point de vue du circuit intégré comme la table au-dessus des spectacles qu’il peut faire marcher correctement avec un voltage de réserves aussi bas que 4.5 volts. L’inconvénient de cet arrangement est qu’un des batteries renversera plus vite que les autres et il serait agréable de l’éviter. La table montre aussi que l’attraction actuelle juste pour garder la 555 course à pied peut être n’importe quoi de 6 à 15 milliamps. Ce n’est pas un grand courant mais le PP3 batteries ont été choisis pour leur petite grandeur, en permettant au circuit entier d’être attaché au poignet d’une personne. Une recherche rapide sur Internet montre que PP3 bon marché batteries ont une capacité de 400 milliamp-heures et des types alcalins très chers 565 milliamp-heures. Ces estimations sont les valeurs de “C20”, basées sur la batterie étant renvoyée à un courant constant pour la durée de vingt heures, qui seraient dix jours d’utilisation si les deux heures de Coupe au carré Beck par protocole de jour sont suivies. Cela signifie que batteries ‘bon marché’ ne devrait pas être renvoyé à plus qu’un vingtième de leur 400 estimation de mAHr, qui est 20 mA. Batteries alcalin cher devrait être en mesure d’être renvoyé à 28 mA depuis vingt heures. Notre attraction actuelle est composée de deux parties. La première partie fournit au circuit le courant qu’il doit diriger. La deuxième partie est le courant coulant par le corps de l’utilisateur. Cette deuxième partie est limitée par la résistance de 820 ohms à la ligne de production qui limite cette partie du courant à un maximum de 33 milliamps (la Loi d’Ohm : lAmpères = lVolts / Résistance). Cela néglige la résistance de corps et suppose que la résistance variable de contrôle de la production est montrée à la résistance minimale, qui est improbable. Le contrôle de ces valeurs montre que le NE555 est enclin de tirer autant de courant que les réserves de circuit par les électrodes de production. Pourtant, continuons le circuit, enfin, nous pourrions décider d’utiliser PP3 rechargeable batteries qui surmonterait le besoin d’acheter nouveau batteries tous les plusieurs jours. La première exigence essentielle doit fournir au NE555 un voltage de, disons, 10 volts quand il court dans le circuit accompli. Cela pourrait être fait avec un des circuits intégrés de stabilisateur de voltage: ![]() Ce n’est pas une option particulièrement chère, mais ces frites tirent un courant pour fournir le voltage stabilisation et un voltage absolument régulier n’est pas nécessaire par le NE555. Autrement, nous pourrions utiliser une résistance et un 10V zener la diode: ![]() Mais cette méthode gaspille vraiment un peu de courant coulant par le zener pour fournir le voltage voulu. La méthode la plus simple doit utiliser une résistance et un condensateur: ![]() Le soin considérable est nécessaire en choisissant la résistance évaluent “R”. Si la valeur est trop basse, donc le voltage passé au NE555 sera trop haut et le NE555 incendiera. En choisissant la résistance “R”, commencez avec une plus haute valeur qu’attendu et substituez ensuite des résistances de valeur légèrement plus basses en contrôlant le voltage à travers le condensateur pour vous assurer que cela reste assez bas. La valeur de résistance peut être évaluée en utilisant la Loi d’Ohm. En supposant un courant d’environ 6 mA, la goutte de voltage à travers la résistance être (27 – 10) = 17 volts, ensuite une résistance d’environ 2.83K (comme Ohms = Volts / Ampères) qui suggère qu’en commençant avec un 4.7K lrésistance sera probablement bien et choisissant ensuite chaque résistance standard plus basse à son tour jusqu’à un voltage satisfaisant à travers le condensateur est atteint. Le condensateur pourrait être 12V ou 15V estimé, mais si un estimé à un plus haut voltage est utilisé, donc s’il est par hasard raccordé à travers le complet 27V il ne sera pas fait du mal de toute façon. Plus grand la capacité, mieux, disent 220 microfarads qui peuvent être reçus pour quelques penny sur eBay. Si vous voulez jouer le coffre-fort, vous pourriez communiquer un 12V zener la diode à travers le condensateur. Il ne tirera pas de courant sous les conditions de travail normales, mais si n’importe quoi devrait faire le voltage sur le condensateur monter, ensuite il gonflera à bloc et maintiendra le voltage en place à un coffre-fort 12V le niveau. Je serais disposé à voir le zener comme étant inutile, mais le choix est toujours le vôtre. Ainsi quelle estimation de pouvoir de résistance est nécessaire ? Bien, si la résistance se révèle être un 2.7K et le voltage de condensateur se retrouve comme 9.5 volts, donc le voltage moyen à travers la résistance est 17.5V qui fait le courant par cela 6.48 mA et comme Watts = Volts x Ampères, le pouvoir évaluant des besoins d’être 113 milliwatts, donc le quart typique du watt (250 ondes moyennes) la résistance devrait être bien tout à fait. Si deux (valeur presque égale) les résistances dans le parallèle sont utilisées pour recevoir une valeur intermédiaire de “R” alors qui augmente la consommation en watts de résistance générale. La production du NE555 est alors utilisée pour conduire le reste du circuit qui opère à 27V. Un transistor BC109C coûte seulement quelques penny, peut manipuler le voltage et a une augmentation minimale de 200 bien que l’augmentation puisse être n’importe quoi que jusqu’à 800 et un BC109 peuvent manipuler le courant tout à fait facilement. Si vous devez découvrir n’importe laquelle de ces choses, téléchargez donc un datasheet pour le transistor d’Internet. La production du compte-minutes NE555 est sur l’épingle 3 et il peut facilement fournir 200 mA qui est loin, bien plus actuelle que nous aurions jamais besoin pour ce circuit. Nous pouvons nourrir la production de signe carré NE555 au 27V les électrodes en utilisant un transistor: ![]() Comme le transistor est fait du silicium, le changement – sur le voltage est quand le voltage basé est à environ 0.7 volts au-dessus du voltage d’émetteur. Cela signifie que quand le transistor est allumé, le haut de résistance “R1” sera à peu près 10 volts et le fond de “R1” sera à environ 0.7 volts, qui signifie que le voltage à travers “R1” sera (10 – 0.7) = 9.3 Volts. Quand ce voltage est présent à travers “R1” nous voulons que cela nourrisse le courant suffisant au transistor pour l’allumer complètement. Le transistor fournit une résistance de 100 Ko (qui portera 0.27 mA quand 27 volts sont à travers cela) et les électrodes qui auront une résistance minimale de 820 ohms à travers eux (la cause d’un courant de 33 mA par eux). Ainsi le transistor devrait fournir environ 33 mA maximum. Le transistor BC109C a une augmentation minimale de 200 donc le courant coulant dans la base doit être 33 / 200 = 0.165 mA et la résistance qui portera ce courant quand il a 9.3 volts à travers cela est 56.3K. Une un peu plus petite résistance sera convenable. Un chèque de bon sens que le calcul de résistance est correct est : En estimant que l’augmentation de 200 est le minimum et trois ou quatre fois qui est typique, nous pourrions peut-être vouloir utiliser une résistance de 47 Ko de “R1” Comme le courant d’électrode sera probablement considérablement moins de 33 mA et comme l’augmentation de BC109C sera probablement très haute, il pourrait être tout à fait difficile de recevoir le transistor pour éteindre comme il peut opérer sur les quantités très très petites de courant de contribution. Pour arriver il pour allumer et de franchement quand la 555 tension de sortie est dit, environ 5 volts, (auquel le point le voltage NE555 changera très rapidement), “R2” est inclus. Avec cela dans l’endroit, la tension de sortie du NE555 est divisée entre “R1” et “R2” dans le rapport de leurs résistances. La situation que nous voulons est : ![]() Quand le transistor n’est pas allumé, il ne tire presque aucun courant et ressemble ainsi à une très haute résistance de valeur au circuit. Cela permet au “R1” et des résistances “R2” d’agir comme une paire de cloison de voltage. Cela fait le voltage au point “A” être déterminé par le rapport de “R1” à “R2” et le transistor peut être ignoré à condition que le voltage au point “A” soit au-dessous de 0.7 volts. Si le voltage à ces augmentations de point à 0.7 volts alors les changements de situation radicalement et la Loi d’Ohm ne tiennent plus comme le transistor n’est pas une résistance passive, mais au lieu de cela est un artifice de semi-conducteur actif. Si le voltage au point “A” essaie de monter davantage il ne peut pas parce que la base de transistor le serre solidement là en ayant l’air d’être une résistance jamais plus basse entre la base et l’émetteur du transistor. Ainsi pour de plus hautes tensions d’entrée, la résistance “R2” ne pourrait pas aussi se trouver présent pour toute la différence qu’il fait. Ainsi quelle valeur avons-nous besoin pour “R2” pour le voltage au point “A” pour être 0.7V quand l’épingle 3 des NE555 arrive 5V ? Bien, cette partie du circuit agit d’une manière résistive et donc la Loi d’Ohm peut être utilisée. La résistance “R1” est 47 Ko et a 4.3 volts à travers cela, qui signifie que le courant par cela doit être 0.915 mA. Cela signifie que “R2” a 0.7V à travers cela et 0.915 mA coulant par cela qui signifie qu’il a une valeur de 7.65K. Une norme 8.2K ou 6.8K la résistance pourrait être utilisée comme il n’y a rien radicalement important du 5V échangeant le point. Si vous avez été faits du souci de l’accomplissement exactement 7.65K (et vous ne devriez pas être), donc vous pouvez recevoir cette valeur en combinant deux résistances standard, en série ou dans le parallèle. Une méthode de sens commun pour calculer la valeur de “R2” est d’utiliser le fait que comme le même courant coule par eux (peu importe que ce courant arrive à être), alors le rapport du voltage sera le même comme le rapport des résistances. C’est : 0.7V / 4.3V = “R2” / 47 Ko ou “R2” = 47 Ko x 0.7 / 4.3 qui est 7.65K. Nous avons maintenant atteint le point où nous pouvons déterminer que la valeur de résistance devait fournir un voltage raisonnable au compte-minutes NE555, le circuit être : ![]() La valeur de “Rx” va être assez près de 270 Ko donc vous pouvez utiliser cette valeur en évaluant pour trouver une valeur convenable pour “R” (2.2K dans mon cas). Le condensateur à travers le NE555 devrait être une capacité aussi grande qu’est convenable, en tenant compte que le circuit entier, batteries, doit etc. aller dans un petit cas à être attaché à un poignet. Une voie que les composantes pourraient être placées sur le conseil de prise de courant est : ![]() Souvenez-vous qu’en essayant des résistances différentes pour “R” vous devez commencer haut à environ 4.7K et le voltage s’ensuivant sur le condensateur montre la goutte de voltage à travers votre premier choix de résistance et ainsi, le courant réel étant tiré par votre NE555 particulier. Ce courant calculé admettra que vous pour calculer la valeur de résistance deviez donner 10 volts ou ainsi, en permettant à votre résistance suivante d’être évaluée pour être presque exactement la valeur correcte. Pour vérifier la fréquence produite par le circuit, n’importe quel ordinaire LED (diode électroluminescente) peut être utilisé comme une mesure temporaire. Il peut être raccordé à travers la résistance ‘de charge’ de 100 Ko entre le collectionneur de transistor et le 27V la ligne de réserves positive. Une résistance limitante courant est essentielle pour arrêter l’incendie la LED immédiatement. Si nous permettons à un courant de 5 mA de couler par la LED alors puisque la résistance limitante courant a environ 26.3 volts à travers cela, donc c’est la valeur sera de 5.4K (1 Ko donnerait à 26 mA, 2 Ko donnerait à 13 mA, 3 Ko donnerait à 9 mA, 4 Ko donnerait à 6.5 mA) et ainsi un 4.7K les travaux de résistance bien. Cela A LED et la résistance sont montré dans la disposition ci-dessus. Souvenez-vous s’il vous plaît que si votre transistor BC109C a un cas en métal, donc ce cas est normalement raccordé à l’intérieur au collectionneur et ainsi, le soin doit être pris que le cas ne fait pas de court-circuit à autre chose. S’il est considéré important de maximiser la vie de batterie en réduisant l’attraction actuelle à un minimum, donc en utilisant peut-être un circuit astable pourrait être un bon choix. En commun avec la plupart des circuits électroniques, il y a beaucoup de différentes façons de concevoir un circuit convenable pour faire le travail voulu. Le transistor BC109C peut manipuler le 27V et donc nous pourrions viser une attraction actuelle pour le circuit de juste 3 maman. Si 2 mA devait couler par les transistors astables quand ils sont allumés, donc avec 27V à travers eux, les résistances seraient 13.5K qui n’est pas une valeur standard. Nous pourrions choisir 12 Ko pour donner un 2.25 courant de maman, ou 15 Ko pour donner à 1.8 mA. L’un ou l’autre devrait être satisfaisant. Le circuit pourrait alors être: ![]() Comme le balancement de voltage nourrissant le transistor de production est maintenant monté de 10V à 27V les résistances de cloison de voltage peuvent maintenant augmenter dans la valeur à 2.7 fois, en donnant environ 127 Ko et 22.1K pour ces résistances. Pourtant, la situation n’est pas le même quant au NE555 qui peut fournir au moins 200 mA au haut de voltage niveau de production. Au lieu de cela le transistor devient une si haute résistance qu’il peut être ignoré, mais 12 Ko reste dans le sentier qui fournit le courant basé pour le transistor de production et il ira faire en fait, ajouter à la résistance supérieure de la paire de cloison de voltage. Ainsi pendant qu’une résistance de 100 Ko est montrée, c’est efficacement 112 Ko en raison de cette résistance de 12 Ko supplémentaire entre cela et le 27V la ligne de réserves. Les transistors astables échangeront vite au point où l’état de changements de transistor de production, donc le signe de carré de production devrait être la bonne qualité. Le transistor BC109C peut allumer et de cent millions de fois par seconde, donc c’est la performance dans ce circuit devrait être très bon. Une disposition de planche à pain d’essai pourrait être: ![]() Nous devons maintenant choisir les composantes de choix du moment. Pour un cycle de devoir même de 50 % où chaque transistor a lieu depuis la moitié du temps et de depuis la moitié du temps, les deux condensateurs de choix du moment peuvent être la même grandeur et ensuite les deux résistances de choix du moment auront la même valeur, dans mon cas, 330 Ko mais il dépend des condensateurs réels utilisés. Le design de coupe au carré Beck demande l’étalage de LED de courir quand l’unité est allumée et être ensuite débranchée quand les électrodes sont branchées dans une douille de 3.5 millimètres montée sur le cas contenant le circuit. La douille échangée y ressemble: ![]() Quand la prise de courant n’est pas insérée dans la douille, épinglez 1 communique à l’épingle 2 et l’épingle 3 n’est raccordée à rien. Quand la prise de courant est insérée, épinglez ensuite 1 est isolé, épingler 2 est raccordé pour se connecter l’épingle 4 et épingler 3 est raccordée pour brancher l’épingle 5. Le circuit de Bob Beck est raccordé à la douille de production comme cela: ![]() Cet arrangement donnera un 27V 4Hz la production de signe carrée par la douille de cric. Mais, le circuit original de Bob Beck ne l’a pas fait. Au lieu de cela il y a ressemblé: ![]() Ici, un équipe de relais fait marcher deux contacts de changement de changement qui sont utilisés pour faire marche arrière la banque de batterie contacte quatre fois par seconde. Cela se distingue juste de la production d’un voltage de signe carré positif allant entre les deux terminus de production. Si vous deviez considérer une résistance raccordée à travers la douille de production, donc avec l’équipe de relais échangeant, la direction du courant inverse quatre fois par seconde, mais avec le signe carré, pendant qu’il commence et arrête quatre fois par seconde, la direction du courant est toujours le même et il n’y a aucun renversement de direction. Comme Bob a voulu éviter d’utiliser un équipe de relais qui claque quatre fois par seconde entièrement par le traitement de deux heures décrit dans le chapitre 11 et dans le “Reprennent Votre Pouvoir” pdf sur le www.free-energy-info.tuks.nl le site Internet, il a reconçu le circuit en utilisant le circuit intégré LM358/A très impressionnant: ![]() Ce circuit intégré tire seulement la moitié d’un milliamp, a deux très la haute augmentation les amplificateurs opérationnels et peut opérer avec une large gamme de voltages de réserves. C’est aussi bon marché. Bob affiche le circuit comme: ![]() Bob déclare que la première section agit comme un 4Hz le générateur de signal de signe carré, la fréquence étant contrôlée par le 2.4M résistance “R1” et le 100nF “C1” condensateur. Le drap de données pour le LM358 déclare que le balancement de tension de sortie est entre les volts zéro et 1.5V moins que le voltage de réserves “Vcc” (qui est 27V dans ce cas-là). Cela implique que, comme serait attendu, l’épingle que 1 tension de sortie du premier stade échangera brusquement de 0V à 25.5V et brusquement en arrière de nouveau, quatre fois par seconde. Il est difficile de comprendre le circuit comme il est tiré, donc il pourrait être un peu plus facile de comprendre quand tiré comme cela: ![]() La production du premier amplificateur à l’intérieur du paquet LM358 est sur l’épingle 1 et il peut fournir une grande quantité de courant (si un grand courant est jamais nécessaire). Cette production va directement à une des connexions de douille de cric. Il va aussi l’épingle 6 contribution du deuxième amplificateur à l’intérieur du circuit intégré et cela fait la haute puissance à la sortie de cet amplificateur sur l’épingle 7 être l’opposé de l’épingle 1 voltage. Quand l’épingle 1 va haut à 25.5 volts, épinglez ensuite 7 va bas, à volts environ zéro. Cette production est aussi nourrie à l’autre connexion de douille de cric, en plaçant 25.5 volts à travers les électrodes quand ils sont branchés à la douille. Quand l’ensemble de circuits d’oscillateur raccordé au premier amplificateur fait le voltage sur l’épingle 1 aller bas, alors la production sur l’épingle 7 invertis cela et donc il va à 25.5 volts. Vous remarquerez que pendant que le voltage général de 25.5 volts est appliqué de nouveau à la douille de cric, la polarité est maintenant inversée, en accomplissant que le circuit d’équipe de relais fait (bien que 1.5 volts se sentent perdus dans le processus). C’est une très bonne solution. Bob utilise une deux couleur LED pour confirmer que le circuit travaille correctement avant que les électrodes sont branchées. Il veut le faire cette voie : ![]() Les deux 18V zener les diodes tombent 18.7 de 25.5 volts comme on sera 0.7 volts tombants en avant influés et l’autre inversé influé, en tombant 18 volts. Cela part un 7V la goutte pour le LED, qui est un peu excessif, donc Coupe au carré dit qu’il utilise un condensateur pour limiter le courant. Comme il y a déjà une résistance de 820 ohms dans le sentier actuel LED par la douille, le condensateur n’est pas nécessaire. La résistance variable doit être mise à c’est la résistance minimale en faisant tourner c’est le puits complètement dans le sens des aiguilles d’une montre pour qu’il n’affecte pas le brillant LED comme les zeners montrent aussi quand le voltage de batterie est tombé comme il n’y aura plus de voltage suffisant pour allumer le LED de couleurs vives, en indiquant que le batteries doit être remplacé (ou rechargé s’ils sont batteries rechargeable). En évaluant le circuit, une alternative à deux zeners doit utiliser un 4.7K la résistance et si une bi-couleur LED n’est pas sous la main, donc deux LEDs ordinaires peuvent être utilisés comme cela: ![]() Avec cet arrangement, deux LEDs brillent alternamment. Dans n’importe quel circuit, un condensateur avec une plus haute estimation de voltage peut toujours être utilisé si les valeurs de capacité sont le même. Le circuit externe de la Salutation est accompli par le corps de l’utilisateur, ainsi il y a juste une électrode raccordée à chaque côté de la douille de cric de production. Une disposition de conseil de prise de courant possible est: ![]() Le 4.7K résistance et LEDs sont seulement sur le conseil pour évaluer des buts et quand le circuit est construit dans la forme permanente, alors la chaîne LED raccorde à l’épingle 1 de la douille de cric pour que les LEDs soient débranchés pendant les deux heures de traitement quotidien recommandé en utilisant l’artifice. Une disposition stripboard en utilisant le conseil standard de 25 trous de 9 bandes et en incorporant les deux 18V zener les diodes pour le voltage détectant est: ![]() En utilisant un artifice de Beck, il est très important de faire l’attention aux précautions que Bob dispose. Ceux-ci sont dans son “Reprennent Votre Pouvoir” pdf document:www.free-energy-info.tuks.nl/Beck.pdf qui inclut le suivant, qui, pendant qu’il fait allusion au traitement pour s’occuper VIH, s’applique sans doute à tous les traitements avec son artifice: PROTOCOLES HYPOTHÉTIQUES POUR LES SÉANCES EXPÉRIMENTALES Révision le 20 mars, 1997. Copyright 8 1991/1997 Robert C. Beck PRÉCAUTIONS: N’UTILISEZ PAS de poignet à l’écoulement de courant de poignet avec les sujets qui ont des stimulateurs cardiaques cardiaques. N’importe quels signaux électriques appliqués peuvent Se mêler des ambles de coeur de type ‘de demande’ et provoquer le mauvais fonctionnement. Les endroits de poignet simples devraient être acceptables. N’UTILISEZ PAS sur les femmes enceintes, en conduisant ou en utilisant des machines les hasardeuses. Les utilisateurs DOIVENT éviter d’Ingérer n’importe quoi contenant des herbes médicinales, une médication étrangère ou domestique, ou potentiellement toxique. la nicotine, l’alcool, les médicaments de récréation. laxatifs, eaux toniques. et de certaines vitamines etc., depuis une semaine avant le fait de commencer parce que l’électrification de sang peut provoquer electroporation qui rend des membranes de cellule perméables à de petites quantités de normalement produits chimiques pas méchants dans le plasma. L’effet Est le même comme le surdosage extrême qui pourrait être mortel. Voir Electroporation : général Phenomenon pour Manipuler les Cellules et les Tissus; J.C. Weaver, Journal of Cellular Biochemistry 51:426-435 (1993). Les effets peuvent imiter des dosages augmentants beaucoup de pli. Tant le pulsar magnétique que le purificateur de sang provoquent electroporation. NE PLACEZ PAS de blocs d’électrode sur les lésions de peau, les abrasions, les nouvelles cicatrices, les coupes, les éruptions, ou le coup de soleil. N’AVANCEZ PAS d’ampleur de production aux niveaux inconfortables. Tous les sujets varieront. NE VOUS ENDORMEZ PAS en utilisant. Pulser magnétique devrait être sûr d’utiliser n’importe où sur le corps ou la tête. Évitez d’ingérer de l’alcool 24 heures avant l’utilisation. Buvez 8 ounces (225 cc) le verre d’eau distilled 15 minutes d’avant et tout de suite après chaque fin de séance boit au moins quatre lunettes supplémentaires tous les jours pour rougir pendant ‘la neutralisation’ et depuis une semaine par la suite. C’Est urgent. L’ignorance de cela peut provoquer le dommage systémique des ordures toxiques non rouges. Quand les médicaments absolument essentiels doivent être ingérés, faites ainsi quelques minutes après l’électrification attendent alors 24 heures avant la séance suivante. Si le sujet se sent lent, léger, pris de vertige, headachy, étourdi ou pris d’étourdissement, écoeurant. bouffi ou a des symptômes semblables à la grippe ou des rougeurs après les expositions, réduire le fait de circuler par séance et-ou raccourcir des applications d’électrification. Buvez plus d’eau de préférence ozonized – à l’oxydation de gaspillage de vitesse et à la disposition. Utilisez la prudence extrême en traitant des patients avec la fonction de foie ou de rein diminuée. Le début lentement au début comme environ 20 minutes par jour pour réduire les problèmes detoxification. Pour éviter la responsabilité de choc, utilisez batteries seulement. N’utilisez pas d’alimentation électrique connectée de ligne, transformateur, chargeur, la batterie eliminator, etc. avec le sang dégageant l’artifice. Pourtant les réserves de ligne sont d’accord avec les générateurs de pouls magnétiques bien isolés (les lumières de lumière stroboscopique). Professionnels de la santé: Évitez des drogués de nicotine, des végétaliens et d’autre mort-wishers inconsciemment motivée et leurs ordres du jour voilés de ‘échec le guérisseur’. Le tabac, le plus addictif (42 fois plus addictives que l’héroïne) et la substance mortelle d’abus connu, désorganise la fonction cardiovasculaire normale. De vrais régimes végétariens manquent des aminoacides essentiels absolument nécessaires pour la reconstruction réussie de tissus SlDA-ravagés. Les augmentations secondaires (la sympathie / le martyre, l’évasion de travail, les avantages libres, l’assistance financière, etc.) jouent de grands rôles avec beaucoup de patients de SIDA. “La culpabilité de récupération” comme les amis meurt a même précipité des tentatives de suicide masquées comme ‘les accidents’. Évitez de tels enchevêtrements, puisque beaucoup ont des désirs de mort évanouis. ÉLECTRODES DE QUALITÉ SUPÉRIEURES: Les électrodes excellentes, convenables et considérablement supérieures, réutilisables peuvent indéfiniment être faites par de premiers fils soudant bout aux fins de 1” (25 mm) de longueur par 3/32” (2.5 mm) dans le diamètre, les blancs coupent des baguettes d’acier inoxydable de 316 qualités disponibles de souder des magasins de réserves (Cameron Soudant des Réserves. 11061 Dale Ave., Stanton, CA 90680). Utilisez ‘le Séjour le ‘ flux Propre avant le fait de souder (le chlorure de zinc / l’acide chlorhydrique). Rétrécissez – isolent DEUX couches serrées de tuyauterie sur les articulations soudées pour empêcher des ions pliants/cassants et premiers/couleur cuivre d’émigrer. Emballez trois ou quatre tours de flanelle cotonnière de 100 % autour des baguettes. L’emballage en spirale avec le fort fil commençant du côté métallique pour finir, pour fermement pincer le tissu pendant la fin de la baguette afin de quitter aucun métal exposé en enveloppant 6 ou 7 tours de fil FERMEMENT juste de la fin de baguette, alors l’emballage en spirale en arrière pour commencer et s’attacher fermement avec quatre nœuds coupe alors du tissu d’excès à la fin près du pincement – les emballages. La fin de plaisir windings et les nœuds avec l’ongle clair polit ou le Chèque de Bataille ® (l’étoffe et cousant des magasins de réserves) pour prévenir ravelling. Trempez dans une forte solution de sel marin (pas présentent du sel) l’entretien d’un petit agent wetting comme l’Écoulement de Photo Kodak, le glycol éthylénique, ou 409 appareil de nettoyage de cuisine. Ajoutez que quelques gouttes de maison décolorent, le colloïde d’éclat, etc., pour le désinfectant. Solution de magasin pour la nouvelle utilisation. Enregistrez des électrodes mouillées de trempage fermement sur les sites de pouls avec le fait de masquer en papier ou Transpore ™ la bande ou avec 1” larges élastiques d’étendue (de 25 millimètres) avec les étiquettes de Velcro ® aux fins pour attacher. Les électrodes devraient de près se conformer avec précision le long des vaisseaux sanguins, n’en obliquant pas si légèrement sur la chair adjacente. Cela assure de meilleurs sentiers de conductivité électriques au sang circulant et assure l’impédance très bas intérieure. (environ 2000W). Le rinçage et les électrodes sèches de tache et la peau après chaque utilisation. Ne permettez JAMAIS au métal nu de toucher la peau comme cela provoquera brûle manifesté comme de petits cratères rouges qui guérissent lentement. L’objectif est de recevoir le courant maximum dans les vaisseaux sanguins, ne pas le divulguer au tissu adjacent. N’utilisez donc jamais aucune électrode plus large que du pouce 1/8 (3 millimètres). ÉLECTRODE PLAÇANTE:Trouvez la position de pouls maximum (pour ne PAS être troublé avec l’acupuncture, la réflexologie, Chapman, montre etc.) sur les pieds ou les poignets en cherchant le pouls maximum sur l’intérieur de cheville environ 1” ou 25 mm ci-dessous et à l’arrière d’os de cheville, évaluent ensuite le long du centre supérieur d’empeigne. L’électrode d’endroit sur n’importe quel le site de pouls sur ce pied qui se sent le plus fort. Frottez la peau sur les sites choisis avec le savon léger et le tampon d’alcool ou l’eau. Essuyez sec. Placez les électrodes en long le long de chaque vaisseau sanguin de poignets gauche et juste. Notez : avec les sujets ayant des coeurs tout à fait en bonne santé et ne portant pas des ambles, il est convenable d’utiliser quitté le poignet au poignet juste exactement sur les sentiers de pouls artériels ulnar au lieu sur les pieds. Récent (le décembre de 1995) la recherche suggère que le placement des deux électrodes sur de différentes artères sur les mêmes travaux de poignet très bien, évite n’importe quel courant par le coeur et est beaucoup plus convenable et aussi efficace. Une bande d’étendue élastique 8 pouces (200 mm) de longueur et 2 pouces (50 mm) larges avec deux 1.5” longueurs (de 30 mm) de 3/4” le large Velcro (de 20 mm) ® cousu aux fins de côtés opposés fait une bande de poignet excellente pour tenir des électrodes confortablement dans l’endroit. Avec le câble d’électrode non branché, allumez le changement et le contrôle d’ampleur d’avance au maximum. Vérifiez-le l’éclat de diodes émettant clair rouge et vert alternamment. Cela vérifie que la polarité inverse environ 4 fois par seconde (la fréquence n’est pas critique) et que batteries sont toujours bons. Quand le LED’S ne prend pas remplacent tous les trois 9V batteries. Les diodes de Zener éteindront le LEDs quand les trois 9V la batterie initiale 27V tombent ci-dessous 18V après l’utilisation prolongée. N’utilisez jamais aucune électrode plus grande que 1.125″ (28 mm) longtemps par 1/8” (3 mm) larges pour éviter de gaspiller le courant par l’encerclement du tissu. Confinez exactement sur les vaisseaux sanguins seulement. Appliquez des gouttes d’eau de sel à la couverture cotonnière de chaque électrode de toutes 20 minutes pour combattre l’évaporation et assurer l’écoulement actuel optimal. Faites maintenant tourner le contrôle d’ampleur au minimum (en sens inverse des aiguilles d’une montre) et à la prise de courant Dans le câble d’électrode. Le sujet avance maintenant le cadran lentement jusqu’à ce qu’il sente “le fait de tambouriner” et le fait de picoter. Le tour aussi haut que tolérable mais n’avance pas d’ampleur à où c’est jamais inconfortable. Réglez le voltage périodiquement comme il s’adapte ou s’acclimate au niveau actuel après plusieurs minutes. Si le sujet transpire, la résistance de peau peut diminuer à cause de l’humidité, ainsi en montrant à un voltage plus bas pour le confort est indiqué. Autrement il est normal de sentir progressivement moins de sensation avec le temps. Vous pouvez remarquer la sensation presque pas à l’ampleur complète tout de suite, mais le sentiment commencera à construire jusqu’au maximum après plusieurs minutes auxquelles l’ampleur de temps doit être diminuée. L’impédance d’électrode-à-électrode adaptée typique est sur l’ordre de 2000W. La contribution confortable typique (à la peau) est environ 3mA et la contribution tolérable maximum (l’ampleur complète) est environ 7mA mais cette marge ‘de réserve’ bien que pas méchant est inutile et peut être inconfortable. Le courant coulant par le sang Est très beaucoup plus bas que cette contribution externe à cause de la résistance de série par la peau, le tissu et les murs de vaisseau sanguin, mais 50 µA à 100 µA par le sang est essentiel. Appliquez le sang neutralizer depuis environ 2 heures tous les jours depuis environ 2 mois. Utilisez le jugement ici. Le facteur limitant est detoxification. Contrôlez soigneusement les réactions de sujet (le manque de confort, le catarrhe, les éruptions de peau, en pleurant exudites, les rougeurs, les furoncles, les anthrax, ont enduit la langue, etc.). Avec de très lourdes infections, allez plus lentement afin de ne pas surcharger la capacité de disposition toxique de corps. Avec les diabétiques diminués de circulation, etc., vous pouvez vouloir étendre des temps de séance. De nouveau, faites boire la personne beaucoup d’eau. Les changements récents dans le protocole théorique étant actuellement évalué suggèrent de confirmer les trois semaines de traitements avec des 24 heures par jour l’électrification (jour et nuit sans arrêt) continue de sang depuis deux jours pour distribuer un coup de knock-out à la conservation VIH ’s cycle de vie de 1.2 jour. (A. Perelson; Los Alamos le Groupe de Biophysique, le 16 mars 1996 le Journal “de Science”.) Se souviennent de réhumecter des électrodes régulièrement. Si vous devez absolument ingérer des médicaments d’ordonnance, faites si tout de suite après le fait d’éteindre l’instrument et permettez 24 heures avant le traitement suivant de laisser des concentrations dans la décadence de plasma sanguin pour baisser des niveaux. Souvenez-vous, si les sujets se sentent jamais assoupis, lent, indifférent. écoeurant, léger, bouffi, ou avec un migraine, ou ont des réactions semblables à la grippe ils peuvent négliger la consommation suffisante d’eau pour faire partir de toxines. Nous l’interprétons comme detoxification plus endorphin libèrent en raison de l’électrification. Permettez-eux de vous reposer et vous stabiliser depuis environ 45 minutes avant le fait de conduire si indiqué. Si ce detoxing devient oppressif, le plaisir tous les deux jours. Le traitement d’au moins 21 fois devrait ‘fractionner’ tant mineur que laissant vieillir VIH pour recouvrir partiellement des fenêtres de sensibilité de neutralisation maximums et interrompre le fait de produire ‘bourgeonnant’ pendant les cycles de développement de VIH cellules. On prétend que les traitements bien neutralisent beaucoup d’autres virus, champignons, bactéries, parasites et microbes dans le sang. Voir des brevets US 5,091,152 US 5,139,684 US 5,188,738 US 5,328,451 et d’autres aussi bien que les nombreuses études médicales valides qui sont à présent peu connues ou réprimées. Aussi. le fait d’ingérer quelques ounce. d’environ 5 parties par million de solution de colloïde en argent peut tous les jours donner un ‘deuxième système immun intact aux sujets’ et minimiser ou éliminer des infections opportunistes pendant la phase de récupération. Cette substance de miracle Est pré-1938 technologie et à la différence de l’ozone est considéré immunisé de l’harcèlement FDA. Le colloïde en argent peut facilement être fait à la maison electrolytically au cours des minutes et dans n’importe quelles quantités désirées et parties par million de force pour moins de 14 cents par gallon plus le prix d’eau. Il est ridicule de l’acheter pour de hauts prix. Le colloïde n’a aucun effet indésirable et est connu rapidement éliminer ou prévenir des centaines de maladies. Les colloïdes d’éclat ne produiront pas de médicament les efforts résistants comme iront faire tous les autres antibiotiques connus. Aucune quantité raisonnable ne peut l’overdose ou blesser des utilisateurs localement, par l’ingestion, ou l’injection professionnelle médicale. Le 741 IC. ![]() Nous pouvons raccorder le 741 circuit intégré pour agir comme un amplificateur avec n’importe quel niveau d’augmentation de jeu que nous choisissons : ![]() Ici, l’augmentation est mise par le rapport de la résistance de 220K à la résistance de 22K. Ce circuit a une augmentation de 10 fois, donc le signal de contribution au point ‘B’ produira un signal de production au point ‘C’ qui est dix fois plus grandes, à condition que le signal de production ne s’approche pas du voltage de batterie. S’il fait, donc le coupage se produira avec le haut et le fond de la production waveform coupé à environ un volt de distance des niveaux de voltage de batterie, environ 1 volt et 11 Volts dans cet exemple. Les amplificateurs opérationnels sont généralement conçus pour opérer d’une alimentation électrique double. Dans le susdit exemple, les réserves seraient créées en utilisant deux 6 Volts batteries au lieu d’une batterie de 12 volts. Pour en éviter le dérangement, un voltage de milieu est produit au point ‘A’ en utilisant deux résistances égales en série à travers la batterie. Cela donne un voltage central de 6 volts qui est nourri à l’IC. Ce circuit peut être utilisé dans beaucoup d’applications. Voici un circuit pour un mètre pour mesurer l’intensité acoustique : ![]() Ce circuit est deux copies du circuit précédent. Chaque 741 circuit intégré a un voltage de référence de moitié du voltage de réserves créé par une paire de cloison de voltage de résistances de 1K. Ce voltage est nourri pour épingler 3 du circuit intégré, qui est la contribution non-inversante. Au point ‘A’, un microphone ou un petit haut-parleur sont utilisés pour produire un voltage de signal quand le son l’atteint. Ce voltage est nourri au 741 op-ampère via 1 microfarad le bloquant du condensateur. Cela passe le signal audio par en bloquant le courant continu de 4.5 volts sur l’épingle 3. Les premiers 741 ont une augmentation de 22, mis par les résistances de 220K et de 10K (220/10 = 22). Montrez ‘B’ reçoit alors des temps du signal 22 audio plus grands que le signal produit par le microphone. Ce signal est toujours tout à fait petit, donc les 741 deuxièmes augmentations cela davantage. L’augmentation des deuxièmes 741 est variable et dépend du jeu de résistance sur le 1M la résistance variable. Si la résistance variable est montrée aux ohms zéro, donc l’augmentation des deuxièmes 741 sera contrôlée par le 4K7 la résistance au point ‘C’ seul et sera ainsi 1 (4.7 / 4.7 = 1). Si la résistance variable est montrée à sa valeur maximum, donc l’augmentation des deuxièmes 741 sera environ 214 (1,004,700 / 4,700 = 213.8). Les deux op-ampères ont ensemble une augmentation combinée qui varie de 22 à 4702. Le signal audio amplifié arrive au point ‘D’ et il peut être réglé à une valeur respectable. Cette tension alternative est maintenant rectifiée via les diodes au point ‘E’ et il accumule un voltage de courant continu à travers le 47 condensateur microfarad là. Ce voltage est affiché sur un voltmètre. Le résultat consiste en ce que le voltmètre montre une lecture directement proportionnelle au niveau solide atteignant le microphone. Le 741 circuit intégré peut être raccordé comme un butoir. C’est l’équivalent d’un circuit de disciple-émetteur en utilisant des transistors. Le monté pour les 741 est : ![]() Circuit difficile – hein! Êtes-vous sûrs que vous pouvez vous permettre toutes les composantes supplémentaires ? Ce circuit utilise l’augmentation complète du 741 circuit intégré. La production suit la contribution waveform exactement. La contribution n’exige presque aucun courant, donc le circuit est décrit comme le fait d’avoir une ‘haute impédance de contribution’. La production peut conduire une charge sérieuse comme un équipe de relais, donc le circuit est décrit comme le fait d’avoir une ‘impédance de production basse’. Le 741 circuit intégré peut être télégraphié pour agir comme un comparator. C’est le circuit : ![]() Êtes-vous sûrs que vous êtes à la hauteur d’un circuit si difficile ? Le morceau compliqué – hein! C’est la forme opérationnelle fondamentale pour un amplificateur opérationnel. Si le voltage au point ‘A’ est plus haut que le voltage au point ‘B’ alors la production va aussi bas qu’il peut aller, dire 1 ou 2 volts. Si le voltage au point ‘A’ est plus bas que le voltage au point ‘B’ alors la production va aussi haut qu’il peut aller, dire 10 volts ou à peu près Ayant vu comment les circuits de transistor travaillent, vous devriez être en mesure de comprendre pourquoi le 741 ensemble de circuits de circuit intégré (qui est un circuit de transistor à l’intérieur du 741 paquet) a besoin d’un voltage à l’intérieur des rails de réserves pour fournir un trajet de production actuel-haut efficace. Voici une 741 version du changement opéré de lumière : ![]() Ce circuit est monté comme les chutes du soir. Nous voulons que l’équipe de relais ait le voltage minimal à travers cela dans la lumière du jour, donc le voltage au point ‘A’ doit être plus haut que le voltage au point ‘B’. Comme la résistance de variable de 1K est à travers le voltage de réserves, son slider peut être montré à n’importe quel voltage entre 0 Volts et 12 Volts. Pour faire ce facile pour faire, nous choisissons une résistance variable ‘linéaire’ comme la variété à divisions logarithmiques serait dure de s’adapter dans cette application. Avec la version ‘linéaire’, chaque 1 degré de rotation du puits de résistance provoque le même changement dans la résistance, n’importe où le long de la gamme. Ce n’est pas le cas pour la variété à divisions logarithmiques. En tout cas, nous diminuons la résistance variable jusqu’aux diminutions de voltage d’équipe de relais d’un minimum. Quand le niveau clair est tombé au niveau auquel nous voulons que le circuit déclenche, nous réglons la résistance variable pour faire l’équipe de relais cliquer. Le 741 circuit intégré a un balancement de tension de sortie très rapide quand l’échange de tensions d’entrée, donc l’équipe de relais échangeant sera décisif. Le fait d’échanger peut être rendu encore plus positif en ajoutant une résistance entre la production et le point ‘B’. Cela agit comme une gâchette de Schmitt quand le fait d’échanger se produit en fournissant un feed-back positif supplémentaire, en soulevant le voltage au point ‘B’. Si vous voulez que le circuit déclenche sur un niveau clair montant, échangez juste les positions de la résistance de 10K et de la résistance dépendante-claire ORP12. Le même circuit opérera qu’une température détectant le circuit en substituant un ‘thermistor’ (qui est une résistance dépendante-de-température) pour l’ORP12. Si nous voudrions que le circuit agisse comme une sonnerie d’alarme, nous pourrions utiliser le même circuit comme cela : ![]() Le circuit est toujours contrôlé par le voltage au point ‘A’. Dans les circonstances normales, ce voltage sera près de 6 volts (produit par les résistances de deux 10K et la résistance de 100K). Le changement supérieur a marqué ‘NC’ pour ‘Normalement Fermé’, représente une chaîne de, disons, les changements magnétiques attachés aux portes et aux fenêtres. Si n’importe lequel d’entre ceux-ci est ouvert, donc le voltage au point ‘A’ sera déterminé par la résistance de 10K plus basse en série avec la résistance de 100K. Cela fera le voltage à ‘A’ tomber immédiatement à une valeur basse, en déclenchant le circuit. Le changement de “NO” (‘Normalement Ouvert’) représente un ou les changements plus opérés de pression sous les tapis ou les petits tapis et-ou les changements qui sont brossés quand les portes sont ouvertes, etc. Ces changements sont télégraphiés dans le parallèle l’un à travers l’autre et si n’importe lequel d’entre eux est fermé depuis même une millionième d’une seconde, le voltage au point une volonté être baissée par la résistance de 1K et le circuit sera déclenchée. Le circuit peut être fermé sur dans n’importe laquelle d’une variété de voies. Un contact d’équipe de relais peut être utilisé pour maintenir l’équipe de relais en place ou tenir le voltage à ‘A’ bas. Un transistor peut être télégraphié à travers l’équipe de relais pour maintenir le circuit en place, etc. etc. Si c’est fait, le circuit restera dans son état déclenché jusqu’à ce que le voltage de réserves soit interrompu. Vous pourriez préférer utiliser un 555 circuit intégré pour limiter le terme les sons d’alarme à trois minutes ou à peu près Une alternative à l’utilisation d’un équipe de relais ou d’un loquet de semi-conducteur doit utiliser un Redresseur Contrôlé de Silicium d’habitude appelé un ‘SCR’ ou ‘Thyristor’. Cet artifice est normalement “débranché” avec une très haute résistance à l’écoulement actuel. S’il est allumé en appliquant un voltage à sa connexion de Porte, cela reste constamment sur jusqu’à ce qu’un artifice externe arrête le courant coulant par cela. Le circuit suivant montre comment il opère : ![]() Quand le voltage est d’abord appliqué au circuit par le commutateur de fermeture S2, le SCR est dans son de l’état donc aucun courant n’est fourni à la charge. Si le changement de bouton-poussoir S1 est appuyé, un courant est nourri dans la Porte du SCR, en l’allumant. Quand le changement que l’on permet que S1 ouvre, le SCR reste dans son SUR l’état et il restera que la voie jusqu’au courant par cela est coupée. L’ouverture du changement S2 coupe le courant à la charge et aux retours de SCR à son de l’état. Une question très valide serait : “pourquoi ont un SCR du tout et allument juste la charge et d’avec le changement S2 ?”. La réponse est que le changement S1 pourrait être le bloc de pression sous-tapis d’une sonnerie d’alarme et il pourrait être fait marcher quelques heures après le changement S2 a été fermé pour activer le système d’alarme. Le fait de descendre le bloc de pression n’arrête pas le fait de sonner d’alarme. Pendant que cette sorte de courant continu fermant l’action est utile, c’est plus commun pour un SCR à être utilisé dans un circuit de courant alternatif. Par exemple, prenez le circuit montré ici : ![]() Les réserves de courant alternatif de 120 volts entrant du côté droit, sont converties aux pouls de signe de sinus positif allant par le pont de diode. Ce voltage circulant est appliqué au sentier Load/SCR. Si le voltage à l’épingle 3 du 555 circuit intégré est bas, donc le SCR restera d’et aucun courant sera nourri à l’artifice de charge. Si le voltage sur l’épingle 3 va haut et le voltage s’est appliqué à la chaîne Load/SCR est haut, donc le SCR sera allumé, en branchant la charge jusqu’aux diminutions de voltage circulant de son niveau zéro de nouveau un 1/120 d’il y a une seconde plus tard. Le 555 circuit intégré est raccordé pour former un multivibrateur monoferme et les composantes de choix du moment (la résistance de 120K et le 10nF le condensateur) le provoquent à la production un 1 pouls de milliseconde qui dure assez pour déclencher le SCR dans son SUR l’état, mais assez court pour avoir fini avant que le pouls de conduite principale atteint son niveau de voltage zéro de nouveau. Le 555 circuit intégré est déclenché par le voltage de conduite principale montant étant passé à son épingle 2 par le cloison de voltage 100K et paire de 120K de résistances et cela le synchronise avec le courant alternatif waveform. Le 4 d’épingle du 555 circuit intégré peut être utilisé pour allumer le pouvoir de charge et de. Dans le circuit montré ci-dessus, le pont de diode est nécessaire pour convertir le courant alternatif entrant waveform au courant continu circulant aussi montré dans rouge dans le diagramme, que le SCR peut seulement manipuler le courant coulant dans une direction. L’équipement de charge de courant alternatif travaille tout aussi bien avec le courant continu circulant comme avec un courant alternatif fait voler complet waveform. Une meilleure construction de semi-conducteur est le ‘Triac’ qui agit comme deux artifices SCR en-arrière-à-revers dans un paquet simple. Il est montré comme cela dans les diagrammes de circuit : ![]() Il y a trois connexions à l’artifice : 1 Terminal principal, les 2 Terminaux Principaux et la Porte. Quand le changement ‘S’ montré dans le diagramme est fermé, le triac accomplit sur les voltages tant positifs que négatifs s’est appliqué à son MT1 et des terminus MT2. Quand le changement est ouvert, l’artifice n’accomplit pas du tout. Si le circuit externe contenant le changement ‘S’ est placé à l’intérieur de l’artifice comme un en permanence circuit fermé, donc l’artifice devient un ‘Diac’ qui peut être utilisé pour déclencher un Triac et donner un circuit très net pour contrôler le pouvoir d’un article d’équipement de conduite principale de courant alternatif comme montré ici : ![]() Ici, la paire de résistance/condensateur variable contrôle le point sur le courant alternatif waveform que le Triac est déclenché et ainsi les commandes combien de chaque cycle sinewave est passé à l’équipement de conduite principale et donc il contrôle le pouvoir moyen passé à l’équipement. Une utilisation très commune pour un circuit de ce type est ‘le changement plus sombre’ utilisé avec l’éclairage du ménage. Revenir maintenant au 741 circuit intégré. Les 741 peuvent aussi être utilisés comme un multivibrateur astable. Le circuit est : ![]() Le taux d’oscillation de ce circuit est gouverné par ‘R’ marqué de la Résistance dans le diagramme et le condensateur a marqué ‘C’. Plus grand la résistance, plus bas le taux d’oscillation, plus grand le condensateur, plus bas le taux d’oscillation. Quand la production va haut, les charges de ‘C’ de condensateur jusqu’au voltage sur cela excède le milieu du voltage de rail sur l’épingle 3, auquel chronomètrent la 741 production va bas. Le condensateur y renvoie maintenant par la résistance ‘R’ jusqu’au voltage les gouttes au-dessous du voltage sur l’épingle 3, auquel chronomètrent la production va haut de nouveau. La résistance de 10K raccordant la production pour épingler 3 fournit un feed-back positif qui fait le 741 acte tout à fait comme une gâchette de Schmitt, en aiguisant en haut le fait d’échanger. Le même arrangement de résistance et de condensateur s’est appliqué à un Schmitt inverter ou à Schmitt NAND les causes de porte exactement la même oscillation : ![]() Si vous voudriez voir des façons supplémentaires d’utiliser 741 et 555 circuit intégré, je peux recommander le livre excellent “Elementary Electronics” par Mel Sladdin et Alan Johnson ISBN 0 340 51373 X. Voici très bien évalué et hautement la pensée, le circuit d’oscillateur économique, en utilisant un 74HC14 Schmitt inverter le circuit intégré. Il permet le contrôle s’accordant parfait de la fréquence et de la largeur de pouls produite. Trois des inverters sont raccordés ensemble pour donner un trajet de courant de production plus puissant : ![]() Un circuit intégré CMOS très utile est ‘le 4022’ le circuit intégré qui est une ‘division de 16 épingles par 8’ circuit intégré avec le décodage intégré. Les connexions sont : ![]() Si l’épingle 14 est fournie avec la production d’une variété de multivibrateur astable, sur le premier pouls, cela les jeux de puces “le 0” la production sur l’épingle 2 à Haut pendant que les autres productions sont Basses. Sur le pouls suivant, “le 0” la production va Bas et “le 1” la production sur l’épingle 1 va Haut. Sur le pouls suivant, la production “1” va Bas et “le 2” la production sur l’épingle 3, va Haut. Et cetera jusqu’à sur le huitième pouls, la production “7” sur l’épingle 10 va Bas et la production “0” va haut de nouveau. Le circuit intégré peut aussi se diviser par les nombres plus bas : Pour la ‘Division par 7’ opération, raccordez l’épingle 10 pour épingler 15 (Reconstruction’) Si vous voulez une ‘Division par 1’ circuit, je suggère que vous réduisez sur la quantité d’alcool que vous buvez. Voici une illustration d’une ‘Division par 4’ organisation : ![]() ![]() Il y a un certain nombre de choses à remarquer dans le susdit diagramme. Premièrement, l’activité pratique pour l’ensemble de circuits n’a pas été insistée auparavant. Si l’ensemble de circuits a un circuit circulant tirant le lourd courant, comme montré par les flèches rouges épaisses, donc il devrait être physiquement raccordé à la batterie et n’importe quel ensemble de circuits actuel-bas devrait être davantage loin de la batterie. Les réserves de la batterie devraient avoir un fusible ou un disjoncteur et un changement à la ligne avant qu’autre chose est raccordé, pour que si une composante développe une faute et va le court-circuit, le fusible fasse voler et préviendra n’importe quels problèmes significatifs. Deuxièmement, c’est une bonne idée de fournir à l’autre ensemble de circuits une alimentation électrique aplanie comme montré par les composantes bleues dans le diagramme. Cela minimise l’effet si le voltage de batterie est baissé par le fait de circuler de l’ensemble de circuits actuel-haut. La diode (le silicium, 1 Ampère, 50 V) arrête le lourd circuit actuel tirant le courant du grand condensateur de polissage. La résistance de 100 ohms limite le courant dans le grand condensateur sur le changement – sur et fournit un peu plus de polissage. On appelle cet ensemble de circuits “de-coupling” comme cela les de-couples l’ensemble de circuits actuel bas du haut ensemble de circuits actuel. Troisièmement, remarquez “C1” de condensateur qui est télégraphié physiquement comme près des épingles d’alimentation électrique du circuit intégré comme est possible. Si une pointe est superposée sur les réserves de batterie, donc ce condensateur l’absorbe et le prévient le dommage ou le fait de déclencher le circuit intégré. Une pointe pourrait être provoquée par un très fort pouls magnétique à proximité comme cela peut inciter un voltage supplémentaire dans les fils de batterie. La partie plus basse du diagramme montre les voltages de production produits comme la portée de pouls d’horloge épingle 14 du circuit intégré. La partie positif allant du signal d’horloge déclenche le changement dans l’état des productions. Si nécessaire, un pouls positif allant sur l’épingle de reconstruction, épinglez 15, la production de causes “0” pour aller haut et les autres productions pour aller bas. Maintenant, pour prendre cette production sequencing un peu davantage. Par exemple, le moteur d’aimant de Charles Flynn montré dans les bobines de besoins du Chapitre 1 à être actionnés en haut, successivement et seulement un devrait avoir lieu à n’importe quel temps. Cela demande un circuit qui a un grand nombre de productions. Le circuit intégré CD4022BC donne jusqu’à huit productions successivement. Le circuit intégré CD4017B donne jusqu’à dix productions successivement, mais il n’y a aucun besoin à être limité par ces nombres comme plus qu’un circuit intégré peut être utilisé. Si vous trouvez cette section difficile de comprendre, ensuite juste sautiller devant à la section suivante comme ce n’est pas important pour vous de comprendre ces plus grands circuits. Les connexions d’épingle pour la “division par dix” circuit intégré de CD4017B sont montrées ici : ![]() Vous remarquerez qu’il y a deux étiquettes d’épingle que nous n’avons pas trouvées par hasard auparavant, à savoir, l’épingle “À emporter” et la “Horloge Permettent” l’épingle. Ceux-ci nous permettent d’utiliser plusieurs de ces circuit intégré de suite pour donner une beaucoup plus grande “division – par le ” nombre. La “Horloge Permet” l’épingle peut être utilisé pour bloquer la contribution d’horloge. L’opération y ressemble : ![]() Quand le voltage de Reconstruction tombe, le bord montant suivant du pouls d’horloge (s’est taché “1” dans le diagramme) fait la production 1 aller bas et la production 2 pour aller haut. Chacun des pouls d’horloge successifs “2” “à 9″ les mouvements que le haut voltage progressivement le long des productions jusqu’à la production épingle 10 est haut. Le pouls d’horloge suivant montant le bord (s’est taché “10” dans le diagramme) commence l’ordre de nouveau avec la production 10 départ bas et production 1 départ haut de nouveau. Si rien ne change, donc cet ordre de changements de tension de sortie continuera indéfiniment. Pourtant, dans le diagramme ci-dessus, l’Horloge Permet le voltage d’épingle est conduit haut sur le pouls d’horloge “11”. La production 2 vient de partir haut et serait partie bas quand le bord montant de pouls d’horloge “12” s’est produit, mais dans ce cas-là, l’Horloge Permettent la caractéristique bloque le pouls d’horloge et le prévient atteignant le reste de l’ensemble de circuits. Cela fait la production 2 voltage rester haut aussi longtemps que l’Horloge Permet reste haut. Dans cet exemple, l’Horloge Permet des séjours de voltage hauts pour juste un pouls d’horloge, en provoquant la production 2 voltage être haute pour deux fois c’est la longueur ordinaire et ensuite l’ordre continue comme auparavant. Voici une façon de recevoir une grande “division – par le ” nombre. Cet exemple est divide-by-25 parce qu’il y a seulement un ‘stade intermédiaire’, mais il peut y avoir n’importe quel nombre et chacun supplémentaire ajoute encore huit productions au total : ![]() Le circuit intégré d’étape première fait alors marcher des productions aussi normales, produisantes 1 à 9 pour que vous vous attendriez. Le pouls d’horloge suivant stes la production d’étape première 10 haut, en permettant les pouls d’horloge par le premier ET la porte et en tenant l’Horloge Permet (épinglez 13) haut, qui ferme à son tour la production 10 haut, en laissant tomber le circuit intégré d’étape première de l’opération. Comme la production 1 de l’étape première est raccordée à la Reconstruction (épinglez 15) du deuxième circuit intégré, il aura été dégagé et c’est la production 1 jeu haut, qu’à son tour les Reconstructions le troisième circuit intégré et ferme le deuxième ET la porte. Ainsi quand le premier pouls passe au deuxième circuit intégré, il le pousse de l’état 1 à exposer 2 où la production 2 va haut. Pour cette raison, la production 1 du deuxième circuit intégré n’est pas une des productions qui peuvent être utilisées par qu’après l’ensemble de circuits vous voulez raccorder à ce système. Par conséquent, seulement huit des dix productions du deuxième circuit intégré sont disponibles comme les productions contre. Ainsi, les productions 1 et 10 sont prises en passant l’ordre échangeant entre les circuit intégré différents dans la chaîne. Le même s’applique à tous ce que la chose suivante intervient la chaîne, chaque circuit intégré supplémentaire ajoutant jusqu’à huit productions séquentielles supplémentaires. Sur le circuit intégré de stade final, si vous raccordez le fil de Reconstruction rouge (qui retourne pour gonfler le premier circuit intégré à bloc de nouveau) à la production 9 au lieu de la production 10 du circuit intégré final, alors vous recevez un résultat de division-par-24. Si la Reconstruction est prise de la production 8 du circuit intégré final, donc vous recevez un résultat de divide-by-23, et cetera. En utilisant cette méthode, vous pouvez avoir une division – par le circuit pour n’importe quel nombre que vous voulez. Ces circuit intégré sont très populaires et donc leur prix est bas, amking le circuit entier bon marché de faire. Les connexions d’épingle pour l’ET les portes sont montrées ici : ![]() Ce nouveau type de circuit intégré n’est pas cher, est facile d’utiliser et peut être changé pour exécuter une différente tâche dans juste quelques secondes. Il peut exécuter des tâches de choix du moment. Il peut agir comme un multivibrateur. Il peut agir comme un circuit intégré “Division-par-N”. C’est un circuit intégré très impressionnant qui est très utile. La raison que je le mentionne voici parce qu’il est au coeur du travail le plus rapide Tesla Intervertissent le forum de recherche (le “forum énergique” le groupe). Le circuit intégré est quelque chose que vous devez être au courant comme il reprendra bien sûr de plus en plus d’applications de circuit dans les années à venir. Il y a une famille entière de ces circuits intégrés d’unité centrale, mais je choisirai juste un pour cette description et ce sera celui étant utilisé par le “forum énergique” les membres et je dois remercier Jeff Wilson de son aide dans la description de cet ensemble de circuits, la programmation et les méthodes qu’il utilise. D’abord, pourtant, quelques informations sur ce nouveau design de circuit intégré et des méthodes utilisées avec cela. On appelle celui utilisé par Jeff le “PICAXE-18X” et il ressemble au circuit intégré montré ici. Dont vous pouvez voir, il regarde comme autre circuit intégré, bien qu’avec dix-huit épingles. La performance puissante vient de la voie qu’il opère. Vous êtes sans doute familiers avec “le 555” le circuit intégré et comprenez qu’il opère en changeant le voltage sur juste un de c’est des épingles (épinglez 3) l’épingle de production, d’un voltage bas à un haut voltage. Le PIC circuit intégré peut le faire aussi, mais encore mieux toujours, il a plus qu’une épingle de production et il peut changer le voltage sur n’importe laquelle de ces épingles à un haut ou à un voltage bas et il peut le faire dans n’importe quel ordre et avec n’importe quel choix du moment que vous choisissez. Cela le fait un circuit intégré très universel effectivement et celui qui convient très bien à être le contrôleur central pour un environnement d’épreuve de Changement de Tesla. Le circuit intégré est utilisé en y télégraphiant dans un circuit dans la même sorte de voie qu’un 555 circuit intégré serait utilisé, sauf que la PIC a c’est la propre horloge de choix du moment intérieure et peut opérer dans les intervalles de millième d’une seconde, c’est-à-dire une milliseconde. ![]() Le voltage sur ces épingles de production sera Haut ou Bas. Le PIC échangeante peut être utilisée avec une large gamme de différents designs d’énergie libre. Le circuit intégré de PHOTO est généralement fourni une douille, un câble communiquant et un programme pour nourrir des instructions dans le circuit intégré. La nourriture est généralement d’un ordinateur ordinaire. Les instructions de programmation sont très simples et quelqu’un peut apprendre comment les utiliser dans juste quelques minutes. Donc regardons un circuit qui a été utilisé par Jeff quand il évalue l’ensemble de circuits de prototype. La première partie du circuit est pour raccorder la douille d’ordinateur standard au PIC circuit intégré et il y ressemble : ![]() Le circuit intégré est fourni d’une batterie de 12 volts, mais comme il a besoin de réserves de 5 volts, les 100 / la paire de résistance (de 2 watts) de 150 ohms est utilisée pour laisser tomber 12 volts en bas à environ 7 volts et ensuite 5.1 volts zener la diode serrent le voltage à 5.1 volts, qui est juste dont le circuit intégré a besoin. 10 nF très petits (0.01 microfarad) le condensateur se trouve présent pour braconner n’importe quelles pointes de voltage devraient chacun être ramassé d’une influence extérieure. Finalement, le changement de bouton-poussoir utilisé à court entre les épingles 4 et 5 est utilisé pour nettoyer le programme à l’intérieur de la PIC, prête pour un nouveau programme à être chargé. La programmation réelle n’est pas difficile et la nourriture dans le circuit intégré est manipulée par le programme fourni le circuit intégré et qui est dirigé sur votre ordinateur domestique. Prenons un exemple. Supposons que nous voulons que la production sur l’épingle 10 agisse comme un signal d’horloge. Les gens qui ont fait le circuit intégré s’attendre que l’épingle être appelés “la Production 4” dans le programme. Ne moi demandez pas s’il vous plaît pourquoi on ne l’appelle pas “10” dans le programme comme je n’ai aucune réponse pour vous autre que “il prend toutes les sortes des gens pour faire un monde”. D’accord, supposez que nous voulons produire un signal de production comme un 555 circuit intégré étant de l’ordre de 50 Hz. Nous choisissons une de nos épingles de production, disons, l’épingle physique 10, c’étant l’épingle d’assistant de fond sur le circuit intégré. Comme vous pouvez voir du diagramme d’épingle du circuit intégré montré ci-dessus, épingler 10 est appelé “la Production 4” dans un ensemble d’ordres, ou juste “4” pour sauver la dactylo. Le programme pourrait être : Main: Hou la – truc vraiment difficile!! Seulement un génie pourrait réussir à programmer! Bien, nous verrons si nous pouvons nous battre avec ce truc “difficile”. Le “Main:” au début est “une étiquette” qui peut être sautée à et c’est fait par le . “goto Main” ordre qui envoie le circuit intégré en arrière pour répéter les ordres dans la boucle indéfiniment (ou jusqu’à ce que le circuit intégré soit actionné en bas). La deuxième ligne “high 4” dit au circuit intégré de mettre le voltage possible maximum sur la “Production 4” qui est l’épingle physique 10 du circuit intégré. Le circuit intégré le fait tout de suite, sans retard de temps. Si nous voulons que la production donne un 50 signal de production Hz, donc le voltage sur notre épingle de production choisie devra aller haut, la pause, allez bas, la pause et allez haut de nouveau, 50 fois chaque seconde. Comme il y a 1,000 millisecondes dans une seconde et les courses d’horloge du circuit intégré avec 1 tic-tacs de milliseconde, alors nous avons besoin de notre cycle complet “d’en haut, pause, en bas, la pause” pour arriver 50 fois dans ces 1,000 tic-tacs d’horloge. Ainsi, une fois tous 20 tic-tacs, donc chaque retard durera 10 tic-tacs d’horloge. La troisième ligne “pause 10” tdit au circuit intégré de s’asseoir sur c’est des mains et ne faire rien pour les 10 tic-tacs suivants de c’est l’horloge intérieure (qui coche 1,000 fois par seconde). La quatrième ligne”low 4” dit au circuit intégré de baisser la tension de sortie sur il est “la Production 4″ (épinglez 10 dans la vie réelle) à c’est la valeur minimale. La cinquième ligne”pause 10” dit au circuit intégré d’attendre 10 millisecondes avant le fait de faire autre chose. La dernière ligne “goto Main:” dit à l’ordinateur de retourner à l’étiquette “Main:” et continuez avec n’importe quelles instructions suivent cette étiquette. Cela met le circuit intégré dans une ‘boucle infinie’ qui le fera produire cette production waveform constamment. La production y ressemblera : ![]() Main: qui produit ce waveform : ![]() Main: Ces voltages de production sont alors utilisés d’exactement la même façon que les voltages de production sur l’épingle 3 d’un 555 circuit intégré, ou de n’importe laquelle des productions de portes NAND, circuits intégrés de détecteur d’Effet de hall, gâchettes de Schmitt, ou quelque chose de la sorte. Si l’artifice à être actionné exige très peu de courant, donc la méthode la plus facile doit raccorder la charge directement à l’épingle de production. Si, comme est le plus souvent le cas, l’artifice à être actionné les besoins un grand courant pour le faire travailler, donc la tension de sortie est utilisée au pouvoir un transistor, peut-être comme cela : ![]() ![]() ![]() Une puce programmable très populaire a été récemment introduite. On l’appelle le “Arduino” et c’est rapide et versatile et très populaire auprès des expérimentateurs. Il y a un vaste ensemble de tutoriels vidéo en anglais sur la puce de l’Arduino, est le premier de la série par Jeremy Blum est ici. Le circuit imprimé ressemble à ceci : ![]() Nous avons évité de mentionner des condensateurs dans n’importe quel détail comme cela n’a pas été nécessaire pour comprendre l’ensemble de circuits couvert pour l’instant. Les condensateurs entrent dans beaucoup de grandeurs, types et fait. Leur grandeur est exposée dans ‘Farads’, mais comme le Farad est une très grande unité, vous ne rencontrerez pas probablement de condensateur marqué dans n’importe quoi de plus grand qu’un microfarad, qui est un millionième d’un Farad. Le symbole pour un microfarad est mu-F où ‘mu’ est la lettre de l’alphabet grec. C’est une douleur pour la production de texte normale comme les lettres grecques ne se produisent pas dans votre fonte moyenne. Quelques diagrammes de circuit renoncent sur ‘mu’ et l’écrivent juste comme uF qui ressemble à mu-F légèrement mis-imprimé où le descender du mu n’a pas imprimé. En tout cas, les très grands condensateurs que vous pouvez rencontrer la gamme de 5,000 microfarads à peut-être jusqu’à 20,000 microfarads. De grands condensateurs varient de 10 microfarads à 5000 microfarads. Les condensateurs moyens de grandeur dirigés de 0.1 microfarad à environ 5 microfarads et à petits condensateurs sont ceux au-dessous de 0.1 microfarad. 1000 nanofarads (‘nF’) = 1 microfarad. Ainsi : 0.01 microfarad peuvent être écrits comme 10nF Les condensateurs plus grands que 1 microfarad ont tendance à être ‘polarisés’. Autrement dit, le condensateur a un ‘’ connecteur et un ‘-’le connecteur et il importe vraiment que voie autour de vous le raccordent. Les plus grands condensateurs ont une estimation de voltage et cela ne devrait pas être excédé comme le condensateur peut être nui et détruit peut-être même complètement . Les condensateurs peuvent être ajoutés ensemble, mais étonnamment, ils ajoutent de la façon contraire aux résistances : ![]() Si deux condensateurs sont télégraphiés en série, comme montré dans l’Exemple 1 ci-dessus, la capacité générale est réduite pendant que le voltage évaluant des augmentations. La réduction de la capacité est donnée par : 1/Ct = 1/C1 + 1/C2 + 1/C3 + ….. Dans Exemple 1, alors, 1/total capacité = 1/100 1/100 ou 1/Ct = 2/100 ou 1/Ct = 1/50 donc la capacité générale réduit de 100 microfarads à 50 microfarads. L’avantage dans l’installation électrique aux condensateurs comme cela consiste en ce que l’estimation de voltage a maintenant augmenté à 32V (16V à travers chacun des condensateurs). Dans Exemple 2, la capacité générale a réduit à tiers de 100 microfarads mais l’estimation de voltage a triplé. Dans Exemple 3, les condensateurs sont télégraphiés dans le parallèle. L’estimation de voltage est inchangée mais la capacité générale est maintenant la somme des trois condensateurs, à savoir 300 microfarads. Il n’y a aucun besoin pour les condensateurs pour avoir des valeurs semblables, là sont simplement montré que la voie dans les exemples pour faire l’arithmétique plus facile et ne pas vous distraire des voies dont les condensateurs réagissent réciproquement ensemble. De temps à autre, un circuit a besoin d’un grand condensateur qui n’est pas polarisé. Cela peut être fourni en plaçant deux condensateurs polarisés en arrière – au revers comme cela : ![]() Quand les condensateurs sont raccordés cette voie, il n’importe pas que la fin de la paire est raccordée au côté positif du circuit et quel au côté négatif. De hauts voltages peuvent vous tuer. Les condensateurs sont capables de l’accumulation de hauts voltages et un bien fait peut tenir la charge depuis plusieurs jours. Particulièrement n’essayez pas de faire des ajustages à, ou prendre des parts de, l’intérieur d’un téléviseur. Un téléviseur noir et blanc utilise 18,000 Volts sur les bobines magnétiques utilisés pour créer la peinture bougeante sur le tube. Un condensateur à l’intérieur du jeu peut bien y avoir ce voltage trois jours après que le jeu était dernier utilisé. Ne faites pas l’imbécile à l’intérieur d’un téléviseur, il pourrait vous tuer rapide, ou si vous êtes vraiment malchanceux, il pourrait vous blesser pour la vie. Un téléviseur chromatique utilise 27,000 Volts pour faire marcher les bobines à l’intérieur de cela et cela vous fera frire dans le temps de gigue si vous le touchez. Aussi, ne pensez pas s’il vous plaît que vous soyez sûrs si vous ne le touchez pas tout à fait; 27,000 volts peuvent être envoyés à travers un trou vers votre main. Si vous essayez de renvoyer un condensateur de TV l’utilisation d’un tournevis en métal avec une poignée de bois, garantissez s’il vous plaît que vous l’assurance médicale est moderne avant que vous le faites. Vous pouvez recevoir un choc lourd par la poignée de tournevis. Les voltages jusqu’à 24 volts devraient être tout à fait sûrs. Pourtant, quelques circuits produiront de très hauts voltages bien que la batterie en conduisant le circuit soit le voltage bas. Un circuit inverter disponible standard produit le courant alternatif de 240 volts d’une batterie de 12 volts. Juste parce que la batterie est seulement 12 Volts ne signifie pas que le circuit n’est pas dangereux. Les circuits qui ont des inducteurs dans eux peuvent produire de hauts voltages, surtout s’ils contiennent de grands condensateurs. Le voltage qui produit l’étincelle dans votre moteur automobile est très haut et il vient de la batterie automobile de 12 volts. Vous en savez assez à ce moment-là, donc faites l’attention! Le truc plus avancé : Cette section est une introduction légère aux circuits de Courant alternatif et a circulé des circuits de courant continu. Permettez-moi de souligner de nouveau que l’on m’enseigne surtout de soi et donc c’est juste une introduction générale basée sur ma présente compréhension. On appelle le courant alternatif, généralement appelé “le courant alternatif” cela parce que le voltage de ce type d’alimentation électrique n’est pas une valeur constante. Une batterie automobile, par exemple, est le courant continu et a un voltage assez constant d’habitude environ 12.8 volts quand dans il a complètement chargé l’état. Si vous raccordez un voltmètre à travers une batterie automobile et le regardez, la lecture de voltage ne changera pas. La minute après la minute il dit exactement le même parce que c’est une source de courant continu. Si vous raccordez un voltmètre de courant alternatif à travers une alimentation électrique de courant alternatif, il donnera aussi une lecture régulière, mais il dit un mensonge. Le voltage change tout le temps malgré cette lecture de mètre régulière. Que le mètre fait est supposition que le courant alternatif waveform soit un signe de sinus comme cela : ![]() et basé sur cette hypothèse, il affiche un voltage lisant que l’on appelle la “Racine le Carré Moyen” ou la valeur de “RMS”. La difficulté principale avec un signe de sinus est que le voltage est des volts au-dessous de zéro pendant exactement le même terme qu’il est au-dessus des volts zéro, ainsi si vous le faites en moyenne, le résultat est des volts zéro, qui n’est pas un résultat satisfaisant parce que vous pouvez en recevoir un choc et donc cela ne peut pas être des volts zéro, peu importe quelle la moyenne arithmétique est. Pour traverser ce problème, le voltage est des milliers mesurés de temps par seconde et les résultats au carré (c’est-à-dire la valeur est multipliée isolément) et ensuite ces valeurs sont faites en moyenne. Cela a l’avantage qui quand le voltage est disent, moins 10 volts et vous le carré cela, la réponse est plus 100 volts. En fait, toutes les réponses seront positives, qui signifie que vous pouvez les ajouter ensemble, les faire en moyenne et recevoir un résultat raisonnable. Pourtant, vous vous retrouvez avec une valeur qui est trop haute parce que vous au carré chaque mesure et donc vous devez prendre la racine carrée de cette moyenne (ou “moyen”) la valeur et c’est où l’imagination sonnant “la Racine le ” nom Carré Moyen vient de – vous prenez la racine (carrée) du (la moyenne ou) la valeur moyenne des mesures au carré. Avec un signe de sinus comme cela, les pics de voltage sont 41.4 % plus que la valeur de RMS dont chacun parle. Cela signifie que si vous nourrissez le courant alternatif de 100 volts par un pont de redresseur de quatre diodes et le nourrissez dans un condensateur le voltage de condensateur ne sera pas le courant continu de 100 volts mais plutôt ce sera le courant continu de 141.4 volts et vous devez vous en souvenir en choisissant l’estimation de voltage du condensateur. Dans ce cas je suggérerais un condensateur qui est fait pour faire marcher avec les voltages jusqu’à 200 volts. Vous en saviez sans doute déjà tout, mais il peut ne pas s’être produit à vous que si vous utilisez un voltmètre de courant alternatif standard sur un waveform qui n’est pas un signe de sinus, que la lecture sur le mètre ne sera pas extrêmement improbable correcte ou n’importe où près correct. Ainsi ne raccordez pas s’il vous plaît joyeusement de voltmètre de courant alternatif à travers un circuit qui produit des pointes de voltage pointues comme, par exemple, une de la batterie de John Bedini circulant des circuits et penser que le mètre en lisant des moyens n’importe quoi (autre que le fait de vouloir dire que vous ne comprenez pas que vous faites). Vous aurez, avec optimisme, appris que le pouvoir dans les watts est déterminé en multipliant le courant dans les ampères par le voltage dans les volts. Par exemple, 10 ampères de courant coulant d’une alimentation électrique de 12 volts, représentent 120 watts de pouvoir. Malheureusement, cela tient seulement vrai pour les circuits qui opèrent sur le courant continu, ou les circuits de courant alternatif qui ont seulement des résistances dans eux. La situation change pour les circuits de courant alternatif qui ont des composantes non-résistives dans eux. Les circuits de ce type que vous trouverez probablement par hasard sont des circuits qui ont des bobines dans eux et vous devez penser à que vous faites quand vous vous occupez de ces types de circuit. Par exemple, considérez ce circuit : ![]() C’est la section de production d’un prototype que vous venez de construire. La contribution au prototype est le courant continu et mesure à 12 volts, 2 ampères (qui est 24 watts). Votre voltmètre de courant alternatif sur la production lit 15 volts et votre ampèremètre de courant alternatif lit 2.5 ampères et vous êtes ravis parce que 15 x 2.5 = 37.5 qui semble beaucoup plus grand que 24 watts de pouvoir de contribution. Mais, just avant vous allez partant en coup de vent pour annoncer sur YouTube que vous avez rendu un prototype avec COP = 1.56 ou 156 % efficace, vous devez considérer les faits réels. C’est un circuit de courant alternatif et à moins que votre prototype produise un signe de sinus parfait, alors la lecture de voltmètre de courant alternatif sera dénuée de sens. Il est juste possible que votre ampèremètre de courant alternatif soit un de peu de types qui peuvent exactement mesurer le courant peu importe quelle sorte de waveform y est nourri, mais il est nettement possible que ce soit un mètre numérique qui évalue le courant en mesurant le voltage de courant alternatif à travers une résistance en série avec la production et si c’est le cas, il supposera sans doute un signe de sinus. La cote est que les deux lectures sont incorrectes, mais prenons le cas où nous avons de grands mètres qui lisent les valeurs tout à fait correctement. Alors la production sera 37.5 watts, n’est-ce pas ? Bien, vraiment, non il n’ira faire. La raison de cela est que le circuit nourrit la sinuosité de transformateur qui est un bobine et les bobines ne travaillent pas comme ça. Le problème est que, à la différence d’une résistance, quand vous appliquez un voltage à travers un bobine le bobine commence l’énergie absorbante et l’alimentation de cela dans le champ magnétique autour du bobine, ainsi il y a un retard avant les portées actuelles c’est la valeur maximum. Avec le courant continu, cela n’a pas généralement d’importance très beaucoup, mais avec le courant alternatif où le voltage change constamment, il importe beaucoup. La situation peut être comme montrée dans ce graphique tant du voltage que du courant : ![]() Au début, cela ne ressemble pas à de grand problème, mais il a un effet très significatif sur la puissance actuelle dans les watts. Pour recevoir la production de 37.5 watts dont nous parlions plus tôt, nous avons multiplié le niveau de voltage moyen par le niveau actuel moyen. Mais ces deux valeurs ne se produisent pas en même temps et cela a un effet important. Comme cela peut être un peu difficile de voir, prenons les valeurs maximales plutôt que les moyennes comme ils sont plus faciles de voir. Disons que dans notre graphique d’exemple que le pic de voltage est 10 volts et le pic actuel est 3 ampères. Si c’était le courant continu nous les multiplierions ensemble et dirions que le pouvoir était 30 watts. Mais avec le courant alternatif, cela ne travaille pas en raison de la différence de choix du moment : ![]() Quand le voltage culmine, le courant n’est nulle part près c’est la valeur maximale de 3 ampères : ![]() À la suite de cela, au lieu de recevoir notre pouvoir maximal attendu au sommet du pic de voltage, la puissance actuelle dans les watts est très beaucoup plus basse – la moins de moitié d’à lequel nous nous attendions. Pas si bon, mais il augmente quand vous regardez la situation plus de près. Jetez un coup d’œil à que le voltage est quand le courant traverse la ligne zéro, c’est-à-dire quand le courant est le zéro. La puissance de sortie est le zéro quand le courant est le zéro mais cela se produit quand le voltage est à une très haute valeur : ![]() Le même va pour quand le voltage est le zéro. Quand le voltage est le zéro, alors le pouvoir est aussi le zéro et vous remarquerez que cela se produit quand le courant est à une haute valeur : ![]() Le pouvoir n’est pas le courant moyen multiplié par le voltage moyen s’il y a un bobine impliqué dans le circuit – ce sera moins que cela par une quantité connue comme le “facteur de pouvoir” et je vous quitterai pour m’entraîner pourquoi on l’appelle. Ainsi comment déterminez-vous quel le pouvoir est ? Il est fait en essayant le voltage et le courant plusieurs fois par seconde et en faisant en moyenne ces résultats combinés : ![]() Tant le voltage que le courant sont essayés aux temps indiqués par les lignes rouges verticales et ces figures sont utilisées pour calculer le niveau de puissance actuelle. Dans cet exemple, seulement quelques samplings sont montrés, mais en pratique, un très grand nombre d’échantillons sera pris. Le morceau d’équipement qui le fait est connu comme un wattmeter comme il mesure des watts de pouvoir. L’échantillonnage peut être fait par windings à l’intérieur de l’instrument, s’ensuivant dans un instrument qui peut être nui en surchargeant sans l’aiguille étant n’importe où près de la déviation complète, ou il peut être fait par l’échantillonnage numérique et l’intégration mathématique. La plupart des versions d’échantillonnage numériques de ces mètres opèrent seulement aux fréquences hautes, d’une manière caractéristique plus de 400,000 cycles par seconde. Les deux variétés de wattmeter peuvent manipuler n’importe quel waveform et non seulement les signes de sinus. La compagnie de pouvoir fournissant vos mesures de famille le courant et suppose que le voltage complet est présent tout le temps que le courant est tiré. Si vous branchez un moteur électrique puissant de la conduite principale, donc ce décalage actuel vous coûtera de l’argent comme la compagnie de pouvoir n’en tient pas compte. Il est possible de corriger la situation en raccordant un ou les condensateurs plus convenables à travers le moteur pour minimiser la perte de puissance. Avec un bobine (l’imagination appellent le symbole “d’inducteur” “L”), l’opération de courant alternatif est radicalement différente à l’opération de courant continu. Le bobine a une résistance de courant continu qui peut être mesurée avec la gamme d’ohms d’un multimètre, mais cette résistance ne fait pas une demande quand le courant alternatif est utilisé comme l’écoulement de courant de courant alternatif n’est pas déterminé par la résistance de courant continu du bobine seul. À cause de cela, un deuxième terme doit être utilisé pour le facteur contrôlant courant du bobine et le terme choisi est “l’impédance”. Le fil dans n’importe quel bobine a une résistance et cela s’oppose à l’écoulement actuel par le bobine sans tenir compte si le voltage s’est appliqué au bobine est le courant continu ou le courant alternatif. La capacité entre les tours avoisinant de fil dans un bobine, présente une caractéristique du bobine “qui entrave” l’écoulement de courant de courant alternatif par le bobine et la quantité de cette impédance dépend de la fréquence du voltage de courant alternatif étant appliqué au bobine. L’impédance d’un bobine dépend de c’est la grandeur, la forme, la méthode pour serpenter, le nombre de tours et de matière de base. Si le coeur est composé du fer ou de l’acier, (les couches d’habitude fines de fer qui sont isolées l’un de l’autre), donc il peut seulement manipuler des fréquences basses. Vous pouvez oublier de l’essai de passer 10,000 cycles par seconde (“Hz”) par le bobine comme le coeur ne peut pas juste changer c’est la magnétisation assez vite pour s’occuper de cette fréquence. Un coeur de ce type passe bien pour 50 Hz très bas ou 60 fréquences Hz utilisées pour le pouvoir de conduite principale, qui le sont gardés bas pour que les moteurs électriques puissent l’utiliser directement. Pour de plus hautes fréquences, ferrite peut être utilisé pour un coeur et c’est pour pourquoi quelques radios portatives utilisent des antennes de ferrite-baguette, qui sont un bar de ferrite avec une blessure de bobine sur cela. Pour de plus hautes fréquences (ou plus haut efficiencies) la poussière en fer renfermée dans la résine de résine époxy est utilisée. Une alternative ne doit pas utiliser de matière de base et c’est considéré comme un bobine de-base-aérien. Ceux-ci ne sont pas limités dans la fréquence par le coeur mais ils ont une inductance très beaucoup plus basse pour n’importe quel nombre donné de tours. On appelle l’efficacité du bobine c’est “Q” (pour “la Qualité”) et plus haut le facteur Q, mieux. La résistance du fil baisse le facteur Q. Un bobine a l’inductance et la résistance provoquée par le fil et la capacité provoquée par les tours étant près de l’un l’autre. Pourtant, ayant dit que, l’inductance est normalement tellement plus grande que les deux autres composantes que nous avons tendance à ignorer les autres deux. Quelque chose qui peut ne pas être tout de suite évidente est que l’impédance à l’écoulement de courant de courant alternatif par le bobine dépend de comment vite le voltage change. Si le voltage de courant alternatif s’est appliqué à un bobine accomplit un cycle toutes les dix secondes, donc l’impédance sera beaucoup plus basse que si les cycles de voltage un million de fois par seconde. Si vous avez dû deviner, vous croiriez que l’impédance augmenterait progressivement comme la fréquence de courant alternatif a augmenté. Autrement dit, un type de graphique de ligne droite de changement. Ce n’est pas le cas. En raison d’une caractéristique a appelé la résonance, il y a une fréquence particulière à laquelle l’impédance du bobine augmente énormément. C’est utilisé dans la méthode s’accordant pour SONT des récepteurs radio. Aux jours très premiers où les composantes électroniques étaient dures de venir par, les bobines variables étaient quelquefois utilisés pour le fait d’accorder. Nous avons toujours des bobines variables aujourd’hui, généralement pour manipuler de grands courants plutôt que les signaux radio et nous les appelons “les rhéostats” et certains y ressemblent : ![]() Ceux-ci ont un bobine de blessure métallique autour d’un creux ancien et un slider peut être parti un bar, en raccordant le slider à de différents vents dans le bobine selon c’est la position le long du bar de soutien. Les connexions de bobine sont alors au slider et à une fin du bobine. La position du slider change efficacement le nombre de tours de fil dans la partie du bobine qui est dans le circuit. Le changement du nombre de rend le bobine, change la fréquence résonnante de ce bobine. Le courant de courant alternatif le trouve très, très durement traverser un bobine qui a la même fréquence résonnante que la fréquence de courant de courant alternatif. À cause de cela, il peut être utilisé comme un tuner de signal radio : ![]() Si la fréquence résonnante du bobine est changée pour correspondre à cette d’une station de radio locale en faisant glisser le contact le long du bobine, donc cette fréquence de signal de courant alternatif particulière de l’émetteur radio le trouve presque impossible de traverser le bobine et donc il (et seulement cela) détourne par la diode et le casque comme il coule du fil aérien au fil de terre et on entend la station de radio dans le casque. S’il y a d’autres signaux radio descendant le fil aérien, donc, parce qu’ils ne sont pas à la fréquence résonnante du bobine, ils coulent librement par le bobine et ne passent pas par le casque. Ce système a été bientôt changé quand les condensateurs variables sont devenus disponibles comme ils sont de moins cher et plus compacts. Ainsi au lieu d’utiliser un bobine variable d’accorder le signal radio, un condensateur variable raccordé à travers le bobine s’accordant a fait le même travail : ![]() Pendant que le diagramme de circuit ci-dessus est marqué “en Accordant le condensateur” qui induit vraiment tout à fait en erreur. Oui, vous accordez le récepteur radio en réglant le cadre du condensateur variable, mais, que le condensateur fait change la fréquence résonnante de la combinaison de bobine/condensateur et c’est la fréquence résonnante de cette combinaison qui fait exactement le même travail que le bobine variable a fait sur c’est propre. Cela attire l’attention à deux faits très importants concernant les combinaisons de bobine/condensateur. Quand un condensateur est placé à travers un bobine “dans le parallèle” comme montré dans ce circuit de récepteur radio, alors la combinaison a une très haute impédance (la résistance à l’écoulement de courant de courant alternatif) à la fréquence résonnante. Mais si le condensateur est placé “en série” avec le bobine, donc il y a impédance presque zéro à la fréquence résonnante de la combinaison : ![]() Cela peut avoir l’air de quelque chose que les gens pratiques ne dérangeraient pas avec, enfin, qui se soucie vraiment? Pourtant, c’est un point très pratique effectivement. Dans le Chapitre 3, certains des mêmes artifices de haut pouvoir produits par Don Smith sont décrits. D’habitude il utilise un module de chauffeur de tube au néon disponible comme une façon facile de fournir un haut voltage, une source de courant de courant alternatif à haute fréquence, d’une manière caractéristique, 6,000 volts à 30,000 Hz. Il nourrit alors ce pouvoir dans un Bobine de Tesla qui est, un amplificateur de pouvoir. L’arrangement y ressemble : ![]() Les gens qui essaient de copier les designs de Don ont tendance à dire que “je reçois de grandes étincelles au trou d’étincelle jusqu’à ce que je raccorde le bobine de L1 et ensuite l’arrêt d’étincelles. Ce circuit ne peut jamais travailler parce que la résistance du bobine est trop basse”. Si la fréquence résonnante du bobine de L1 ne correspond pas à la fréquence étant produite par le circuit de chauffeur de tube au néon, donc l’impédance basse du bobine de L1 baissera sans doute le voltage du chauffeur de tube au néon à une valeur très basse. Mais si le bobine de L1 a la même fréquence résonnante que le circuit de chauffeur, donc le L1 bobine (ou la combinaison de bobine/condensateur L1 montrée à droite, aura une très haute résistance à l’écoulement actuel par cela et il travaillera bien avec le circuit de chauffeur. Ainsi aucune étincelle, moyens que le bobine s’accordant est débranché. C’est le même comme le fait d’accorder un récepteur radio, recevoir le fait d’accorder mal et vous n’entendez pas la station de radio. Construction de Prototype 1.Une planche à pain. 1. L’unité de planche à pain typique se compose d’une matrice de trous de clip télégraphiés dans les bandes, dans lesquelles la composante mène peut être poussé à faire un circuit. À mon opinion, on les évite le mieux comme il prend un peu d’effort d’exécuter n’importe quel circuit significatif en les utilisant, quelques composantes ne vont pas bien dans les douilles qui sont assez petites pour prendre DIL IC les paquets et quand vous recevez vraiment un circuit travaillant bien sur la planche à pain, il n’y a aucune garantie qu’il travaillera bien quand vous essayez de le déplacer à un conseil soudé permanent : ![]() Pendant qu’un conseil de plastique de ce type regarde comme si cela devrait être rapide et facile d’utiliser, je n’ai jamais constaté que ce soit ainsi depuis que les conseils ont été réduits dans la grandeur pour prendre les épingles de-près-espacées de circuits intégrés (“les circuits intégrés”). Il est généralement difficile de disposer les composantes dans le même dessin que le diagramme de circuit et s’ils ne sont pas, alors il devient lent de mener le circuit à terme sur la disposition de planche à pain. 2. La quincaillerie locale a des connecteurs de vis bon marché qui peuvent être très efficaces. Ceux-ci entrent dans plusieurs grandeurs et les plus petits sont très convenables pour construire l’ensemble de circuits de transistor. Ils y ressemblent : ![]() Les circuits peuvent être rassemblés très facilement, en utilisant ces connecteurs et un exemple pourrait être une de la batterie de John Bedini circulant des circuits qui pourraient avoir une disposition comme cela : ![]() J’ai construit ce circuit en utilisant ce style de construction et c’était très réussi effectivement, étant très rapide et facile de construire et il s’est avéré être très résistant et efficace au cours d’un long terme d’utilisation. La bande de plastique a un trou entre chaque bande de connecteur et cela vous permet de verrouiller la bande à un conseil basé sur lequel vous montez d’autres composantes, dans ce cas-là, le bobine circulant et le rotor avec les aimants attachés. Chaque bloc de connexion peut prendre deux ou trois fils. Les fils doivent faire enlever l’isolation et les fils grattés propre et luisant s’ils ne sont pas déjà dans cet état. Si plus qu’un fil de multifil est mis dans un côté d’un connecteur, donc il est d’habitude le meilleur de tourner les fils ensemble avant le fait de serrer la vis de serrage. Si vous voulez, vous pouvez donner les fils tournés qu’un manteau fin de soude, mais cela doit être fait avec soin pour éviter de produire une articulation qui est trop grande pour s’inscrire au connecteur. Un connecteur peut être coupé de la bande tout à fait facilement, en utilisant une paire de ciseaux ou un couteau d’artisanat. Les connecteurs simples peuvent rejoindre deux fils très efficacement sans le besoin de les souder. 3. Stripboard, ‘Veroboard’ d’habitude appelé même s’il n’est pas fait par Vero, est une méthode rapide et satisfaisante, bien que vous deviez rendre très très petit soudent des articulations. Prendez s’il vous plaît conscience que les exhalaisons de la résine brûlante en soudant sont le plus sans doute pas bonnes pour votre santé et devraient être évitées en s’assurant que la ventilation est adéquate. 4. Un conseil de circuit imprimé est réalisable pour un prototype exceptionnel et la réalisation de celui augmentera vos adresses de production, donc c’est aussi une option raisonnable si vous avez la gravure à l’eau forte et le forage de l’équipement sous la main. L’achat de tout l’équipement nécessaire si vous n’avez aucun, peut coûter une quantité équitable, mais les adresses gagnées sont significatives et les conseils finis semble très professionnel. Il y a plusieurs autres méthodes pour la construction et beaucoup de variétés de conseil de construction et de stripboard. Stripboard simple sera utilisé dans les descriptions suivantes, bien que la méthode s’applique vraiment à beaucoup de différents styles de construction. Le premier pas doit produire une disposition pour les composantes sur le conseil. En concevant la disposition de disposition devrait être fait pour forer des trous pour permettre au conseil accompli d’être verrouillé à son cas en utilisant des verrous et en isolant des colonnes pour garder les articulations soudées libres de toutes les autres surfaces. ![]() ![]() Donc vous pourriez vouloir produire une esquisse de disposition le dessin réutilisable comme cela : ![]() où les bandes horizontales sont numérotées et les lignes verticales de trous sont aussi numérotées. Dans cette esquisse, où la croix de lignes, représente un trou dans le conseil. L’esquisse d’une disposition physique possible peut alors être préparée et il pourrait y ressembler quand vu du haut bien que les bandes couleur cuivre sur le dessous du conseil soient montrées dans l’esquisse : ![]() C’est très important en produisant une esquisse comme cela, que les bandes couleur cuivre inventant le circuit ne sont pas par hasard utilisées pour raccorder des composantes davantage le long du conseil, sans casser la bande couleur cuivre entre les deux sections du conseil. Il aide à marquer une copie du diagramme de circuit quand vous esquissez une disposition physique possible sur le conseil de bande. Il pourrait être fait comme cela : ![]() Ici, les composantes juste au-dessous de la diode sont entourées pour montrer qu’ils ont été marqués sur l’esquisse de disposition et, si nécessaire, la bande couleur cuivre cassée pour isoler les composantes. Une composante de valeur la mention en passant, est le condensateur marqué avec rouge dans le diagramme de circuit. C’est un condensateur decoupling, nourri du 12V la batterie via une résistance et une diode (une diode n’est pas normalement utilisée dans cette partie du circuit). Le decoupling doit fournir au 555 circuit intégré et aux chauffeurs avec des réserves qui sont raisonnablement isolées du lourd circuit d’attraction actuelle non montré dans cette petite section du diagramme de circuit. La lourde attraction actuelle palpitant du reste du circuit est capable du fait de baisser le voltage de batterie légèrement plusieurs fois par seconde. Cela crée une ondulation de voltage sur la ligne de réserves positive de la batterie et étouffer l’ondulation, la résistance et la diode sont utilisés pour nourrir un grand condensateur de réservoir que smoothes de l’ondulation. Le circuit lui-même n’est pas au-delà de la critique. Le transistor ‘TR2’ et ses composantes associées sont surabondants depuis l’épingle 3 du 555 circuit intégré fournit déjà le signal voulu (et avec la plus haute capacité de trajet) donc la deuxième ligne de production devrait être adoptée directement de l’épingle 3 du 555 circuit intégré. Ce circuit intégré de circuit est seulement montré ici comme un exemple du fait d’augmenter le prix un diagramme de circuit en faisant une esquisse de disposition de composantes. Comme l’esquisse de disposition est produite, le diagramme de circuit devrait être délimité avec un stylo de marquage pour s’assurer que chaque partie du diagramme de circuit a été avec succès copiée à l’esquisse. Dans l’exemple ci-dessous, pas toute la bande surlignée est montrée, puisqu’il part en courant la petite section du conseil étant montré ici : ![]() Beaucoup de composantes électroniques peuvent être nuies par les hautes températures auxquelles ils sont faits subir étant soudé dans l’endroit. Je préfère personnellement utiliser une paire de pince à longues jambes pour serrer la composante mène le côté supérieur en bateau du conseil en faisant l’articulation soude sur le dessous du conseil. La chaleur dirigeant en haut l’avance composante est alors détournée dans le grand volume de métal dans la paire de pince et la composante est protégée de la chaleur excessive. Sur le même principe, j’utilise toujours une douille DIL en soudant une carte de circuit, cette voie, la chaleur a dissipé complètement avant que l’IC est branché dans la douille. Il a aussi l’avantage que l’IC peut être remplacé sans n’importe quelle difficulté le devrait devenir nui. Si vous utilisez des circuits intégrés CMOS dans une construction, vous devez éviter l’électricité statique. Très les hauts niveaux de voltage s’accumulent sur vos vêtements par le fait de brosser contre les objets. Ce voltage est dans des milliers de gamme de volts. Il peut fournir si peu de courant qu’il ne vous dérange pas et vous ne le remarquez pas sans doute. Les artifices de CMOS opèrent sur de telles quantités basses de courant qu’ils peuvent très facilement être nuis par votre électricité statique. Les professionnels de matériel informatiques portent une avance d’earthing attachée à leurs poignets en manipulant l’ensemble de circuits de CMOS. Il n’y a aucun besoin pour vous pour aller cela loin. Les artifices de CMOS sont fournis avec leur mène fixé dans une matière de conduction. Quittez-les dans la matière jusqu’à ce que vous soyez prêts à les brancher au circuit et tenir ensuite ensuite le corps de plastique du cas et ne toucher aucune des épingles. Une fois dans l’endroit dans le circuit, les composantes de circuit préviendront le fait d’accumuler de charges statiques sur le circuit intégré. La soudure est une adresse facilement acquise. Multiévidé soudent est utilisé pour la soudure de circuit électronique. Cela soude le fil a la résine de flux contenue dans cela et quand fait fondre sur une surface en métal, le flux enlève la couche d’oxyde sur le métal, en permettant à une articulation électrique nécessaire d’être faite. Par conséquent, il est important que le fait de souder est placé sur la région collective et le fer de soudure placé sur cela quand il est déjà dans la position. Si c’est fait, le flux peut nettoyer la région collective et l’articulation sera bonne. Si le fait de souder est placé sur le fer de soudure et ensuite le fer déplacé à l’articulation, le flux se sera consumé avant que la région collective est atteinte et l’articulation s’ensuivant ne sera pas bonne. Un bien soude l’articulation aura une surface luisante lisse et le traînement de n’importe quel fil entrant dans l’articulation n’aura aucun effet comme le fil est maintenant solidement incorporé dans l’articulation. La réalisation d’un bien souder l’articulation prend environ moitié de seconde et bien sûr pas plus qu’une seconde. Vous voulez enlever le fer de soudure de l’articulation avant qu’une quantité excessive de chaleur est dirigée dans l’articulation. Il est recommandé qu’une bonne articulation mécanique soit faite avant le fait de souder en raccordant un fil à une forme de terminus (c’est souvent pas possible). La technique que j’utilise doit mettre le fait de souder en haut sur l’établi et la courbe la fin pour qu’il descende en pente en bas vers moi. L’avance de la composante à être soudée est placée dans le trou dans le conseil de bande et serrée juste au-dessus du conseil avec la pince à longues jambes. Le conseil est tourné à l’envers et le pouce gauche a eu l’habitude de serrer le conseil contre la pince. Le conseil et la pince sont alors déplacés au-dessous du fait de souder et placés pour que les mensonges soudez sur la bande couleur cuivre, en touchant l’avance composante. L’assistant est maintenant utilisé pour placer le fer de soudure brièvement sur le fait de souder. Cela fait fondre le fait de souder sur l’articulation, en permettant au flux de nettoyer la région et en produisant une bonne articulation. Après que l’articulation est faite, le conseil est toujours tenu avec la pince jusqu’à ce que l’articulation ait refroidi. Équipement D’essai Ceux-ci ne sont pas sans hésiter disponibles sur le marché. Au cours des années passées, il était possible d’acheter des changements de gaufrette personnalisés, où le nombre de gaufrettes pourrait être construit jusqu’à n’importe quelle grandeur de changement a été exigé, mais ceux-ci ne semblent pas être disponibles plus. Une méthode légèrement moins convenable pour la construction doit utiliser quatre d’entre ceux-ci, choisis par un deuxième changement de gaufrette : ![]() Dans le susdit diagramme, toutes les résistances dans une gamme (100 ohms à 820 ohms, 1K à 8K2, 10K à 82K ou à 100K à 820K) sont télégraphiées à un changement simple de 12 voies. Les fils de production ont alors n’importe laquelle de ces résistances standard à travers eux, selon le cadre du changement. Un deuxième changement peut alors être utilisé pour choisir plusieurs de ces groupes, en utilisant toujours les mêmes fils de production. Quand boxé, il pourrait y ressembler : ![]() Il peut aussi être utile d’avoir un générateur de signal universel. Vous pouvez facilement construire votre propre avec la fréquence variable, le rapport de marque/espace variable et la variable optionnelle gating. Si vous faites, vous pourriez aussi le faire avec une impédance de production basse pour qu’il puisse conduire des artifices dans l’épreuve directement plutôt que devoir fournir buffering supplémentaire. Il pourrait y ressembler : ![]() L’article vraiment essentiel d’équipement est un multimètre. Ceux-ci entrent dans beaucoup de formes, grandeurs et variétés et le prix varie énormément. L’intégrité varie aussi beaucoup. Le plus sûr et le plus bon marché sont le type analogique qui n’utilise pas de batterie (autre que pour la mesure occasionnelle de résistance). Bien que l’on regarde en bas sur ces types de nos jours, ils sont à 100 % sûrs : ![]() Le mètre montré ci-dessus est estimé à 2,000 ohms par volt, ainsi en le raccordant à un circuit pour faire une mesure sur le 10V la gamme est le même comme le branchement d’une résistance de 20K au circuit. Le grand frère de ce style d’équipement est environ cinq fois plus grandes et a 30,000 ohms par performance de volt, ainsi en le raccordant sur un 10V la gamme est le même comme le branchement d’une résistance de 300K au circuit étant mesuré. Celui-ci est la batterie conduite, ainsi si vous recevez un d’entre ceux-ci, peux je suggérer que vous vérifiez son exactitude sur une base régulière : ![]() La non-batterie vraiment excellente les multimètres de mètre d’Avo (ex-professionnels) est toujours disponible par eBay aux prix abordables. Ceux-ci ont 30,000 ohms par performance de volt et sont robustes et exacts, ayant été construit à de très hautes normes. Un multimètre utilise un 1.5V la batterie pour mesurer la résistance. La Loi d’Ohm est utilisée comme le principe travaillant et l’opération est : ![]() Le mètre montré dans le diagramme a une petite résistance de son propre. Cela a une petite résistance variable ajoutée à cela. Cette résistance variable fera monter un petit bouton sur le visage du multimètre, ou ce sera un bouton thumbwheel projetant légèrement du côté droit du cas de multimètre. Le 1.5V la batterie sera placée à l’intérieur du cas de multimètre comme est la résistance de 1K. Pour utiliser les gammes de résistance, les sondes de multimètre sont touchées fermement ensemble pour former un court-circuit et la résistance variable réglée pour que le mètre montre au zéro. Pour le but de cette discussion, permettez-nous de supposer que la résistance intérieure du mètre, quand correctement réglé, est exactement 1K. Si la résistance dans l’épreuve est exactement 1K dans la valeur, donc le courant par le mètre sera réduit de moitié et le mètre montrera à une déviation d’aiguille la moitié de la voie à travers l’échelle. Si la résistance dans l’épreuve est 2K, donc le courant sera un tiers et la tache d’échelle sera à la position 1/3 à gauche. Si la résistance est 4K, donc il y aura un cinquième (1K + 4Ko = 5Ko) du courant de grande envergure et la marque de 4K sera 20 % du côté gauche de mains de l’échelle. Deux choses à remarquer : premièrement, l’échelle doit lire du droit de gauche qui peut prendre certains s’habituant à et deuxièmement, l’échelle n’est pas linéaire, avec les taches devenant plus proche et plus proche ensemble et par conséquent, plus difficile de se tacher et lire, plus haut la valeur de la résistance étant mesurée. Le bunching en haut des taches d’échelle est pourquoi les multimètres plus chers ont tendance à avoir plus qu’une gamme. Un oscilloscope opéré de conduite principale est un morceau excellent d’équipement pour posséder mais ils sont chers quand nouveau. Il est possible de ramasser un à un prix raisonnable d’occasion via eBay. Un oscilloscope est loin d’être un article essentiel d’équipement. Une de ses caractéristiques les plus utiles est la capacité de mesurer la fréquence et afficher la forme d’un waveform. La plupart des waveforms ont de la forme connue donc la fréquence est le commandant inconnu. Le mètre suivant n’est pas cher et il affiche la fréquence d’un signal sur une extraction numérique : ![]() Ainsi quand vous décidez quel multimètre acheter, considérer les points suivants :
Il pourrait valoir la peine de recevoir une alimentation électrique de banc sophistiquée qui vous permet de mettre n’importe quel voltage que vous voulez et qui affiche le courant étant tiré par votre circuit de développement : ![]() Pourtant, il n’y a aucun besoin de gaspiller l’argent sur une unité sophistiquée quand vous pouvez construire une unité excellente de votre propre avec le voltage stabilisation, la production ajustable, a mesuré le courant, etc. etc. Personnellement, en développant un circuit à être utilisé avec une batterie, je crois que vous êtes le branchement plus riche du développement d’une batterie, cette façon que les caractéristiques de la batterie sont incluses dans n’importe quelles épreuves que vous réalisez. Alimentation électrique : Si vous voulez, vous pouvez construire un système d’alimentation électrique de lit d’épreuve de développement très convenable. Cela a l’avantage que vous pouvez le faire dans le style le plus convenable pour votre propre utilisation. Vous pouvez aussi rendre la protection ultra-sensible et construire dans l’ensemble de circuits supplémentaire comme le contrôleur de transistor et la boîte de substitution de résistance pour produire un lit intégré d’essai. Vous pourriez peut-être utiliser un circuit comme cela : ![]() Ici, le pouvoir est fourni par un paquet de Ni-goujat rechargeable batteries ou peut-être, une unité de conduite principale avec le voltage stabilisation. Comme dans tous les circuits réels, la chose suivante dans le circuit est toujours un sur/de le changement pour que la source de pouvoir puisse être débranchée tout de suite devrait n’importe quel problème survenir. Ensuite, comme toujours, vient un fusible ou un disjoncteur, pour que doit le problème être sérieux, il peut débrancher le circuit plus vite que vous pouvez réagir. Si vous voulez, vous pouvez construire votre propre disjoncteur ajustable super-exact pour utiliser dans cette position. Les deux transistors et trois résistances forment une production ajustable, stabilisée. Le transistor FET a une haute puissance de sortie manipulant la capacité et une exigence de pouvoir de contribution très basse et est si bon pour contrôler la tension de sortie. La résistance ‘VR1’ est rembourrée avec le 4K7 la résistance uniquement pour réduire le voltage à travers la résistance variable. VR1 est réglé pour contrôler la tension de sortie. Si l’attraction actuelle est augmentée et la tension de sortie est baissée légèrement, donc le voltage sur la base du transistor BC109 est réduit. Cela commence à éteindre le transistor, en levant le voltage au point un, qu’à son tour, lève la tension de sortie, en s’opposant à la variation provoquée par la charge. La production est contrôlée, premièrement par grand milliammeter pour montrer l’attraction actuelle et deuxièmement, sur le côté de production du milliammeter, un voltmètre. Cela permet très près de surveiller du pouvoir fourni au prototype, surtout si le milliammeter est placé à côté du prototype. Vous pouvez introduire ce circuit dans une large boîte plate qui fournit une surface travaillant à côté du milliammeter. Au point ‘B’ dans le susdit diagramme, une méthode pour changer la gamme actuelle du milliammeter en plaçant une résistance ‘manoeuvre’ à travers cela. Quand le changement est fermé, quelques écoulements actuels par la résistance et certains par le milliammeter. Cette résistance a une valeur très basse, donc vous êtes la réalisation plus riche de cela vous-même. Disons que nous voulons doubler la gamme du mètre. Soudez le changement à travers le mètre et pour la résistance utilisent une longueur de blessure métallique couleur cuivre émaillée autour d’un petit ancien. Mettez une charge sur la production pour que le mètre montre une déviation de grande envergure. Fermez le changement. Si le courant affiché est exactement la moitié de quel il était, sinon, éteignez, enlevez un fil pour baisser la lecture ou ajouter un fil pour lever la lecture et répéter l’épreuve jusqu’à exactement la moitié du courant est affichée. Plus bas la valeur de la résistance manoeuvre, les écoulements plus actuels par cela et moins par le mètre, qui donne alors une lecture plus basse. Notez s’il vous plaît: il est très important d’avoir un fusible ou un disjoncteur dans le pouvoir étant livré à votre circuit d’essai. N’importe quelle erreur dans la construction du prototype peut faire un courant important être tiré des réserves et cela peut être dangereux. Souvenez-vous, vous ne pouvez pas voir le courant. Même si vous avez un mètre sur le courant étant livré, vous ne pouvez pas remarquer la haute lecture. Le premier signe de problème peut être la fumée! Vous pouvez facilement faire frire le circuit que vous construisez si vous n’avez pas de raccourci de sécurité, utilisez donc un fusible ou d’autre artifice qui limite le courant à deux fois que vous vous attendez à ce que le circuit tire. Ainsi enfin cela, de qu’équipement avez-vous besoin vraiment? Vous avez besoin d’un petit fer de soudure et le multicoeur soudent, une paire de pince à longues jambes et d’un multimètre. Une autre chose est un instrument pour couper des fils et enlever l’isolation avant la soudure. Les préférences personnelles varient. Certaines personnes préfèrent un des nombreux instruments personnalisés, certaines personnes utilisent un couteau, j’utilise personnellement une paire de ciseaux à ongles droits. Vous choisissez avec lequel vous êtes confortables. Pas exactement une matrice vaste d’équipement essentiel. Les autres articles mentionnés ne sont pas aucunement essentiels donc je suggère que vous commencez en gardant des choses simples et utilisez un minimum de matériel. Si vous n’êtes pas familiers avec l’électronique, je suggère que vous recevez une copie du catalogue Maplin, d’un de leurs magasins ou via le Maplin site Internet. Passez-par cela soigneusement comme il vous montrera quelles composantes sont disponibles, combien ils coûtent et souvent, comment ils sont utilisés. Les spécifications de presque n’importe quel semi-conducteur peuvent être trouvées libre à AllDataSheet dans la forme d’un document d’Adobe Acrobate. Finalement, parce que ce n’est pas important, tout l’ensemble de circuits montré a pour l’instant indiqué le courant coulant du d’une batterie à le – le terminus. La découverte de voltage a été faite par Volta mais il n’avait aucune façon de savoir que la voie le courant coulait, donc il a deviné. Il avait des 50 – 50 chance d’accomplissement de cela le droit mais il n’a pas eu de la chance et l’a reçu mal. Le courant électrique est vraiment un écoulement d’électrons et ceux-ci coulent de la batterie moins à la batterie plus. Ainsi qui se soucie ? Presque personne, comme il n’a aucun effet pratique sur n’importe lequel de l’ensemble de circuits. Quelques sites Internet utiles : E.S.R. pour les composantes L’Oscilloscope : Il est possible de recevoir un oscilloscope à raisonnable coûté en achetant d’occasion par eBay. Les meilleures possibilités sont ‘la trace double’ qui signifie qu’ils peuvent afficher la contribution waveform et la production waveform sur l’écran en même temps. C’est une caractéristique très utile, mais parce qu’il est, la possibilité qui ont cette facilité vend à de plus hauts prix. Plus haut la fréquence que la possibilité peut manipuler, plus utile cela est, mais de nouveau, plus haut le prix de vente. Pas toutes les possibilités sont fournies avec (l’objet indispensable) ‘évaluent des sondes, donc il pourrait être nécessaire de les acheter séparément si le vendeur veut garder son. L’accomplissement du manuel pour la possibilité est aussi un incontestable plus. Une possibilité de prix basse pourrait y ressembler : ![]() ![]() ![]() Ce design utilise un circuit intégré d’amplificateur opérationnel OP77GP pour promouvoir le signal de production du circuit intégré A1302 qui est un artifice d’Effet de hall. L’augmentation de l’amplificateur opérationnel connecté de courant continu est mise par le rapport de 1K et 1M les résistances fixées montrées ombragé dans le diagramme de circuit, en donnant une augmentation de 1,000. L’opération de circuit est simple. La batterie de six volts charge le 10 condensateur microfarad qui aide à peaufiner n’importe quelles fluctuations de ligne de réserves provoquées par l’attraction actuelle variable par le circuit. La résistance de variable de 10K est utilisée pour montrer l’étalage de mètre de production au zéro quand l’artifice d’Effet de hall n’est près d’aucun aimant. La résistance de variable de 1K se trouve présent pour rendre des ajustages s’accordant parfaits plus faciles. Quand le circuit intégré A1302 rencontre un champ magnétique, le voltage sur c’est l’épingle de production 3 changements. Ce changement est grossi mille fois par l’amplificateur OP77GP. C’est la production sur l’épingle 6 est raccordé à un côté du mètre d’étalage et l’autre côté du mètre est raccordé pour montrer “A”. Le voltage sur le point “A” est l’environ moitié du voltage de batterie. Ce serait exactement la moitié du voltage si les deux 4.7K les résistances étaient exactement la même valeur. C’est assez improbable comme il y a une tolérance industrielle, d’une manière caractéristique environ 10 % de la valeur insignifiante de la résistance. La valeur exacte du voltage sur le point “A” est correspondue par l’OP77GP s’accordant et donc le mètre lit le zéro jusqu’à ce que l’on rencontre un champ magnétique. Quand cela arrive, la déviation de mètre est directement proportionnelle à la force du champ magnétique. Le Truc Surnaturel La présentation montrée ci-dessus est fondée sur la vue conventionnelle d’électronique et de génération électrique comme enseigné dans les écoles et les collèges. Ces informations et travaux de concepts bien pour concevoir et construire les circuits, mais cela ne signifie pas que c’est entièrement correct. Malheureusement, le monde n’est pas aussi simple qu’est généralement distingué. Par exemple, on le dit que le courant est un écoulement d’électrons traversant les fils d’un circuit à la vitesse de lumière. Pendant qu’il est vrai que quelques électrons coulent vraiment par le métal des fils, le petit pourcentage d’électrons qui le font vraiment, faites-le tout à fait lentement comme ils doivent négocier leur voie par le treillage des molécules de métal inventant le corps des fils. Malgré cela, quand le Sur/De le changement d’un circuit est basculé sur, les pouvoirs de circuit en haut tout de suite, peu importe de quelle longueur les fils sont. La raison de cela est que le courant électrique coule le long des fils à la très grande vitesse effectivement, mais il coule rapidement le long de l’extérieur des fils, pas rapidement par les fils. Millième d’une seconde après le fait d’allumer un circuit, les électrons coulant par les fils sont à peine devenus commencés, pendant que le courant coulant le long de l’extérieur des fils est parti tous autour du circuit et en arrière : ![]() La susdite esquisse ne montre pas les dimensions correctement, comme l’écoulement actuel montant le long de l’extérieur du fil devrait être des centaines de milliers de temps plus longs que montré, qui n’est pas pratique dans un diagramme. Le sentier réel pris par l’écoulement actuel fait la surface du fil d’importance particulière et la matière d’isolation est aussi très importante. Au cours des années passées, télégraphiez les fabricants ont eu l’habitude de recuire (refroidissent) des fils couleur cuivre dans l’air. Cela a créé une couche d’oxyde cuprique sur la surface extérieure de fils couleur cuivre et cette couche a donné les différentes caractéristiques métalliques que le fil couleur cuivre a aujourd’hui. Guillaume Barbat dans son application brevetée réclame que la couche cuprique d’oxyde peut être utilisée dans la réalisation des artifices avec la plus grande puissance à la sortie que la puissance consommée de l’utilisateur. Malheureusement, le monde est pas tout à fait aussi simple comme cela, comme le pouvoir coulant dans un circuit a au moins deux composantes. Le courant électrique que nous mesurons avec les ampèremètres est aussi décrit ci-dessus et est l’électricité “chaude” quelquefois appelée que quand il coule par les composantes, il a tendance à les chauffer. Mais il y a une autre électricité “froide” appelée composante, si appelée parce qu’il a tendance à refroidir des composantes quand il coule par eux. Par exemple, si les fils de production de l’artifice VTA de Floyd Sweet étaient courts fait le circuit ensemble, le gel se formerait sur l’artifice en raison du lourd écoulement d’électricité “froide” et l’accomplissement “d’un choc” de cela pourrait vous donner la gelure au lieu du fait de brûler. L’électricité “froide” n’est pas quelque chose de nouveau, il se trouvait toujours présent comme c’est juste un aspect “d’électricité”. Il n’a pas été enquêté beaucoup par la science conventionnelle parce qu’aucun des instruments n’a eu l’habitude de mesurer l’électricité “chaude”, réagir à l’électricité “froide” du tout. (Vraiment, l’électricité “chaude” “, la ” électricité froide et le magnétisme sont toutes les caractéristiques d’une entité simple que l’on devrait vraiment appeler “l’électromagnétisme”). Maintenant le morceau surnaturel : “ la ” électricité froide ne coule pas le long ou par le fil du tout. Au lieu de cela il coule dans l’espace autour du fil, allant peut-être sur le champ magnétique provoqué par le courant “chaud”. Thomas Henry Moray est réputé pour construire un artifice qui a capturé l’électricité “froide” et a produit une puissance à la sortie massive capable de brancher une foule entière des morceaux électriques ordinaires d’équipement. À beaucoup de ses démonstrations publiques avant qu’il a été intimidé dans le silence et son équipement fracassé, il a invité des membres de l’audience à apporter un morceau de verre ordinaire avec eux. Alors, quand son circuit branchait un rang de lumières, il couperait un des fils et insérerait le morceau de verre entre les fins de coupe des fils. Cela n’avait aucun effet évident sur son circuit, avec le pouvoir coulant heureusement par le verre et sur par son circuit, en branchant les lumières aussi auparavant. Cela n’arrive pas avec l’électricité “chaude”, mais comme l’électricité “froide” ne coule pas par ou le long de la surface du fil, une interruption du fil n’est pas un obstacle important pour cela. Nous ne savons pas toujours très beaucoup de l’électricité “froide”. Edwin Gray snr. les ampoules démontrées actionnées par l’électricité “froide” étant submergée dans l’eau. Pas seulement les bulbes ont continué à opérer non affecté par l’eau, mais Edwin met souvent sa main dans l’eau avec le bulbe allumé, n’en subissant aucun effet malade de faire ainsi. Aucun de ces deux effets n’est possible avec l’électricité conventionnelle, ainsi ne les essayez pas s’il vous plaît pour le régler. Un autre article intéressant est le système automobile de-force-d’eau produit par une Armure d’homme américaine Nathren. Son système, implique entre autres de nourrir la génération électrique supplémentaire aux bougies. Une chose qui le déconcertait toujours est que le moteur ne courra pas avec juste un fil allant au bonnet de bougie. Il doit avoir un deuxième fil courant de son alimentation électrique supplémentaire au corps de la prise de courant où il visse dans le bloc de locomotive. Emportez ce fil et les arrêts de locomotive. Remettez-le de nouveau et les courses de locomotive. Mais selon electrics conventionnel, ce fil ne peut pas peut-être être nécessaire, parce que le bloc de locomotive est fondé et la production d’alimentation électrique est fondée, donc dans la théorie, il n’y a aucune différence de voltage entre les fins du fil, donc aucun courant ne peut couler le long du fil, dorénavant le fil n’est pas nécessaire et n’a aucune fonction. Bien, c’est vrai pour l’électricité “chaude”, mais il semble possible que le système d’Armure de Nathren utilise l’électricité “froide” aussi bien que l’électricité “chaude” et l’électricité “froide” a besoin du fil supplémentaire comme un guide d’écoulement de la bougie. Assez de cela pour maintenant. Allons un pas davantage “au fait d’être surnaturel” du monde réel. Si, il y a trois cents ans, vous aviez décrit des Rayons X, des rayons gamma, une énergie nucléaire et des signaux de TV à la personne bien-instruite moyenne, vous auriez couru le risque d’être mis sous clé comme étant fou. Si vous le faites aujourd’hui, votre auditeur s’ennuierait sans doute juste comme il sait déjà tout cela et l’accepte en fait (qu’il est). Tenez-en compte s’il vous plaît quand vous lisez les informations suivantes. Si cela semble étrange et tiré par les cheveux, c’est seulement parce que la science conventionnelle traîne aujourd’hui derrière mal derrière et enseigne toujours des choses qui ont été prouvées de façon concluante être il y a les décades fausses. Si vous avez vécu dans un désert et chaque jour une compagnie a conduit dans avec une charge de camion de sable et vous l’a vendu pour une grande quantité d’argent, qu’y penseriez-vous ? Pas très beaucoup pour vous, n’est-ce pas ? ce qui est que vous dites, vous ne le feriez jamais ? Mais vous faites déjà, parce que vous ne vous rendez pas compte que le sable est tout autour de vous prêt pour la prise à côté d’aucun prix du tout. Plusieurs personnes ont essayé de rendre le fait public, mais la compagnie de sable les a tout de suite faits taire par on veut dire ou un autre. La compagnie ne veut pas perdre les affaires de vente de vous le sable et ne veut pas sans doute que vous commenciez à le ramasser pour vous gratuitement. Bien … pour être tout à fait équitable, ce n’est pas vraiment du sable, c’est l’énergie et il est tout autour de nous, libre pour la prise. Son un peu comme les Rayons X a fait il y a trois cents ans ? Ne signifie pas que ce n’est pas vrai. C’est tout à fait vrai. Le design de tous les ordinateurs faits est aujourd’hui fondé sur les équations de Mécanique quantique et pendant que ces équations ne sont pas encore parfaites, ils sont assez facilement bons pour les buts pratiques. L’obstacle est que le monde vu au niveau du quantum ressemble pas beaucoup au monde nous croyons que nous voyons autour de nous et que nous croyons que nous comprenons complètement. L’examen du monde au niveau quantique montre que nous vivons dans une masse bouillonnant d’énergie incroyable. Einstein est réputé pour déclarer que la Masse égale une très grande quantité d’Énergie, un fait qui est montré clairement quand une bombe atomique est faite exploser. Installé de différents mots, une petite quantité de question est l’équivalent d’une très grande quantité d’énergie. Vraiment, l’Énergie et la Question sont deux différents aspects d’une chose simple (que l’on pourrait raisonnablement appeler “l’Énergie de masse”). Au niveau quantique, il peut être vu que les particules de pan de question dans l’existence et tombent de nouveau dans l’énergie sur une base continue, partout dans tout l’univers. L’univers entier bouillonne avec l’énergie. Cette énergie ne nous dérange pas plus que l’eau dérange un poisson, comme nous avons évolué dans cette mer d’énergie et nous ne le remarquons pas juste. Il ne nous fait pas du mal, mais si nous avons voulu et savions comment, nous pourrions utiliser autant de cette énergie que nous avons voulu pour toujours et jamais. La quantité de cette énergie est incroyable. Il a été calculé qu’un centimètre cubique n’importe où dans l’univers contient assez d’énergie de créer toute la question que nous pouvons voir dans tout l’univers. Pensez combien de centimètres cubiques là sont dans la Terre … le Système Solaire … notre Galaxie… Si chaque personne sur la Terre devait diriger leurs véhicules, le pouvoir leurs maisons, la mouche leurs avions, etc. etc. depuis le million suivant d’ans, il ne rendrait pas la plus petite bosse dans l’énergie contenue dans un millimètre cubique de l’univers. Ce n’est pas une théorie, c’est un fait. (Voulez-vous pour acheter un grand tas de sable ? – j’ai une charge juste ici …). Ce grand champ d’énergie est parti sous de différents noms au cours des ans. Un nom populaire est à présent le “Champ d’Énergie de Point zéro” et c’est responsable de tout ce qui arrive dans l’univers. Cela vie de pouvoirs lui-même. Il équilibre dans l’équilibre partout, qui est une raison qui le fait durement pour se rendre compte qu’il est tout autour de nous. Tom Beardon est un homme américain avec les capacités très considérables et la connaissance détaillée considérable de comment le monde opère vraiment . Ses déclarations sont fondées généralement sur les critères prouvés de laboratoire appuyés par son haut niveau d’adresses mathématiques qui lui donnent une prise supplémentaire de choses. Il explique comment l’électricité travaille vraiment dans les circuits et il n’est rien comme le système enseigné dans les écoles et les collèges. Nous croyons que quand nous attachons une batterie à un circuit électrique, la batterie force un courant par les fils du circuit. Le Chef Désolé – ce n’est vraiment rien comme ça du tout. Le pouvoir dans le circuit vient directement du Champ d’Énergie de Point zéro et a très peu pour faire avec la batterie du tout. Nous avons tendance à penser “au fait de finir” le pouvoir, mais c’est juste pas possible. L’énergie ne peut pas être détruite ou “a fini” le plus vous pouvez y faire doit le changer d’une forme à un autre. Il exécutera “le travail” (l’équipement de pouvoir, produira la chaleur, produira le froid.. ..) quand il change d’une forme à un autre, mais si vous inversez le processus et le convertissez en arrière en c’est la forme originale, il exécutera un autre sort “de travail” pendant la conversion et se retrouvera font marche arrière exactement le même état qu’il a commencé de, malgré avoir joué deux beaucoup “de travail” pendant l’opération. Une batterie ne fournit pas d’énergie au pouvoir un circuit. Au lieu de cela ce qui arrive est que l’action chimique à l’intérieur de la batterie fait des charges négatives se rassembler “au moins” le terminus de la batterie et des charges positives pour se réunir “au plus” le terminus de la batterie. On appelle ces deux “pôles” proches ensemble de la batterie “un dipôle” (deux pôles opposés près de l’un l’autre) et ils ont un effet sur le Champ d’Énergie de Point zéro qui est partout. “Le Plus” le pôle de la batterie provoque un groupe massif de Champ d’Énergie de Point zéro les charges négatives au groupe autour de cela. De la même façon, “le Moins” le pôle de la batterie fait une réunion massive de ZPE (“l’Énergie de Point zéro”) les charges positives se rassembler autour de cela. Pas seulement ces charges se rassemblent autour des pôles de la batterie, mais un déséquilibre dans le champ d’énergie est créé et les charges de ZPE continuent à arriver aux pôles et ils brillent dehors dans chaque direction dans un ruisseau continu d’énergie incroyable. Ainsi il y a votre nouvelle batterie luisante s’assoyant là, non raccordé à n’importe quoi et encore il fait des ruisseaux d’énergie massifs briller de ses terminus dans chaque direction. Nous ne le remarquons pas, parce que l’énergie coule librement par nous et nous ne pouvons pas le sentir et aucun de nos instruments conventionnels, comme les voltmètres, les ampèremètres, les oscilloscopes, y réagir etc. du tout. La situation change tout de suite si nous raccordons un circuit à la batterie. Le circuit fournit un sentier d’écoulement à l’énergie ZPE de couler le long et à une quantité significative d’écoulements d’énergie près des fils du circuit, en branchant vraiment le circuit pour une part de la seconde jusqu’à ce qu’il atteigne la batterie “le pôle” à la fin lointaine du circuit. Quand cela arrive là il nettoie rapidement le pôle, en le détruisant complètement. Le champ de ZPE se calme et l’écoulement d’énergie cesse. Mais notre batterie fidèle fait tout de suite tout cela de nouveau, en utilisant c’est l’énergie chimique de créer “le dipôle” encore une fois et le déséquilibre des débuts de champ de ZPE de nouveau. Il est parce que la batterie doit utiliser c’est l’énergie chimique tout le temps, en créant et en recréant et en recréant c’est “le dipôle” qu’il renverse et cesse finalement d’être en mesure de créer le dipôle plus – le résultat : non plus de pouvoir dans le circuit. Désolé de gâter l’illusion, mais la batterie n’a jamais fait le pouvoir le circuit lui-même, il a simplement agi comme le fait de canaliser l’artifice pour le Champ d’Énergie de Point zéro. En passant, le Courant continu (“le courant continu”) est vraiment pas un courant continu du tout, mais plutôt c’est un ruisseau de pouls de courant continu à une incroyablement fréquence haute – la voie plus haut que nous pouvons mesurer à présent. La vitesse des pouls est si grande que cela semble continu à nous, un peu comme l’individu toujours les peintures qui sont les charpentes d’un film, ont l’air d’être une image bougeante à nous s’ils sont joués successivement à un taux de 25 par seconde – il nous ressemble au mouvement continu, mais en réalité, c’est une série rapide de toujours peintures. La voie qu’une batterie “le dipôle” travaille le Champ d’Énergie de Point zéro ressemble plutôt à la voie qu’une loupe agit sur la lumière du soleil. Les rayons du soleil sont concentrés dans un point, concentré par la lentille. Vous pouvez commencer un feu avec la lentille et il serait facile de penser que la lentille a commencé le feu, quand dans le fait réel, c’est les rayons du soleil qui a commencé le feu et la lentille a juste influencé une région locale du grand “champ” de lumière du soleil, en levant la température à juste un point. Pendant que nous avons tendance à penser “à un dipôle” étant produit par une batterie, le même effet est aussi créé par un aimant, si un électro-aimant ou un aimant permanent – se souviennent que l’électricité et le magnétisme sont deux visages de la même entité. C’est possible, mais pas facile, capturer l’énergie ruisselant de l’interférence avec le champ de ZPE provoqué par les pôles d’un aimant. Par exemple, Hans Coler a réussi à le faire avec un artifice complètement passif qui, quand monte correctement, ne pourrait produire la génération électrique, heure après heure d’apparemment “rien” (bien, vraiment, le champ de ZPE). Roy Meyers l’a aussi fait avec sa matrice faite breveter d’aimants et de plaques de zinc – complètement passif, sans parties bougeantes du tout, aucune batterie et aucun ensemble de circuits. Merci dr Patrick Kelly
|











































































































































































































