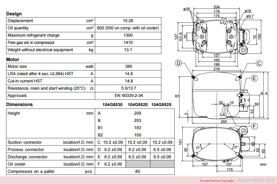
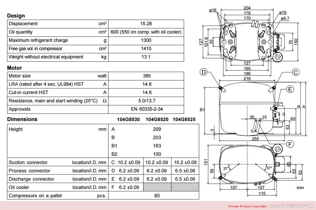
Données techniques
- Modèle: SC15G
- Gaz: R-134a
- Température/Pression: Moyenne / Haute
- Puissance: 1/2 HP
- Voltage: 230 V
- Type De Courant: Monophasé
- Fréquence: 50/60 Hz
- Type De Compresseur: Hermétique
- Décalage: 15.28 cm³
- Cons.Énergie -25ºC: 233 W
- Cons.Énergie -10ºC: 440 W
- Cons.Énergie -5ºC: 497 W
- Cons.Énergie 0ºC: 549 W
- Cons.Énergie +5ºC: 595 W
- Cons.Énergie +7,2ºC: 613 W
- T° De Condensation: 55 °C
- Capacidad Frigorífica -25°C: 175 Kcal/h
- Capacidad Frigorífica -20°C: 308 Kcal/h
- Capacidad Frigorífica -15°C: 450 Kcal/h
- Capacidad Frigorífica -10°C: 604 Kcal/h
- Capacidad Frigorífica -5°C: 775 Kcal/h
- Capacidad Frigorífica 0°C: 966 Kcal/h
- Capacidad Frigorífica 5°C: 1184 Kcal/h
- Capacidad Frigorífica 7.2°C: 1289 Kcal/h
- Capacidad Frigorífica 10°C: 1431 Kcal/h
- Tipo Test: Ashare 32



| Attachment | Type | Link |
|---|---|---|
| Mbsm_dot_pro_private_picture_SC15G | image/jpeg | Get Link |
| Mbsm_dot_pro_private_picture_SC15G-1 | image/jpeg | Get Link |
| Mbsm_dot_pro_private_picture_SC15G-1-1 | image/jpeg | Get Link |
| Mbsm_dot_pro_private_PDF_sc15g | application/pdf | Get Link |
| Mbsm_dot_pro_private_PDF_sc15g_104g7560_r134a_115v_60hz_01-2020_desd404o322 | application/pdf | Get Link |
| Mbsm_dot_pro_private_PDF_sc15g_104g8526_r134a_220v_60hz_01-2020_desd403j302 | application/pdf | Get Link |
![]() | Image | View Image |
![]() | Image | View Image |



